3 Phase?

/ 3 Phase? #21  
All delta systems (there are at least 4 variations) provide 240 Volts single and three phase including the open delta systems. If the open system is corner grounded it provides 120 volt single phase on phases A and B (normally colored black and red) and the wild leg (blue) higher voltage which cannot be used for 120 volt circuits.

120/208 volt systems are only what are called Y connected 3 transformers. these systems can be derived from delta (3 wire) distribution by connecting the primary side of the 3 transformers in the delta configuration and the secondary side in the Y configuration. Most parts of the country utility companies replace the old delta primary systems to Y systems as they are more versatile in general population areas. Industrial areas where heavy loads are encountered still provide delta for those loads.

You electricians out there correct this dialog if I got something wrong. I have tried to discuss open delta with some of my electrician friends but they know the theory but have never encountered it.

Voltages higher than 240/120 are outside the scope of this discussion.

Ron
 
/ 3 Phase? #22  
This stuff can be complicated and confusing. Lots of 50 Hz equipment can be run on 60 Hz, but not all. Check the nameplate or machine manual. If it's a motor, it will run faster. That can present problems.
240 V equipment can't always run on 208 V. 208 v stuff can't always run on 240. The same applies to 3 phase. 208 is not the same as 230. Equipment can be damaged by the wrong voltage. Again, check the nameplate. It might have tapped transformers or different internal wiring available to let it work. I have several machines that require different wire connections for 208 and 230.

My shop has 208 Y 3 phase in. Any "hot" leg to neutral gives 120 v single phase. Any hot to hot gives 208 V single phase. I have a few things that can run on 208 single phase. I have other things that need 240 single phase. To accommodate that, I have boost transformers on each of the three legs that give me 240 single phase and 230 3 phase. The boost transformers feed separate breaker boxes. I have 4 boxes in all. Single phase 120/208, single phase 240, 3 phase 208, 3 phase 230.

We try to wire everything according to the nameplate. We have several things that list 50/60 Hz but don't have anything that lists only 50 Hz.
 
/ 3 Phase? #23  
There is a mixture of fact and fiction here, so I will throw in my experience.
Most of the confusion is regarding delta systems.
1) Open deltas are fairly uncommon, but are used in emergencies if a transformer fails, since you only need 2 utility transformers. It is sometimes used as a low cost 3 phase install, that can grow into a real delta system by adding another transformer. An open delta will put out 57% percent of the power of a "real" delta. An open delta is still created from a 3 phase utility system. You cannot get 3 phase from a single phase system without some type of phase converter.

2) The most common delta system is the 240/120 delta. Line to line voltage is 240 volts all the way around. Line to ground is 120 volts from A to ground and 120 V from C to ground. B to ground gives you 208 volts (wild/high leg). This is because the winding between A and C is center tapped and grounded to give you a neutral for 120 V loads. THIS IS NOT A CORNER GROUNDED DELTA.
With this system, you can run 240V 3 phase loads, 240 volt single phase loads, and limited 120 volt single phase loads.

3) Corner grounded deltas are usually 480 volt systems. You simply ground a leg. You get 480 volts line to line everywhere, and 480 volts to ground except from (of course) the grounded leg to ground. You cannot have any overcurrent devices in the grounded leg.
4) Deltas are very popular in industrial applications, because the phase current in a transformer is less than the line current. So you have less heat losses in the windings, and get more power for the amount of copper used.
5) There is no electrical difference between a 50 Hz, 415 volt motor and a 60 Hz, 480 volt motor. The volys per Hz ratio is the same. The motor will spin faster at 60 Hz of course.
6) 208/120 and 480/277 volt WYE systems are the most popular 3 phase systems because they can serve single phase and 3 phase line to line, as well as single phase line to neutral loads in any combination.
7) 240 and 208 are not the same, but most equipment is dual rated.
Hope this help the confusion, and would be happy to discuss the details more.
 
/ 3 Phase? #24  
A quote from Arlens post.

"You cannot get 3 phase from a single phase system without some type of phase converter"

Arlen,

Here is some more data to either expand or compress the confusion, you pick.

Open Delta.jpg

This is a wiring diagram excerpt from the "Electrical Pal" an electrician's pocket reference. This is how the utilities get 3 phase from a single phase primary. Same thing if they do in an emergency when one phase is out. That is why the capacity is cut 57% and it is a grossly unbalanced system; but, it works until someone tries to screw with it or a glitch pops up. Back in the 50s we replaced a lot of AC compressor motors at the utilities expense when we proved their system was at fault. They had a lot of problems keeping the power factor balanced. We carried a PF meter in the truck just for that purpose. Rest my case.

Ron
 
/ 3 Phase? #25  
I don't know if was referenced to me but I do know that used machine tools are big business and a lot of them come from Europe. I think you can get transformers to run what ever you need. Might be cheaper bringing through Canada instead of the US?
 
/ 3 Phase? #26  
A quote from Arlens post.

"You cannot get 3 phase from a single phase system without some type of phase converter"

Arlen,

Here is some more data to either expand or compress the confusion, you pick.

View attachment 357914

This is a wiring diagram excerpt from the "Electrical Pal" an electrician's pocket reference. This is how the utilities get 3 phase from a single phase primary. Same thing if they do in an emergency when one phase is out. That is why the capacity is cut 57% and it is a grossly unbalanced system; but, it works until someone tries to screw with it or a glitch pops up. Back in the 50s we replaced a lot of AC compressor motors at the utilities expense when we proved their system was at fault. They had a lot of problems keeping the power factor balanced. We carried a PF meter in the truck just for that purpose. Rest my case.

Ron

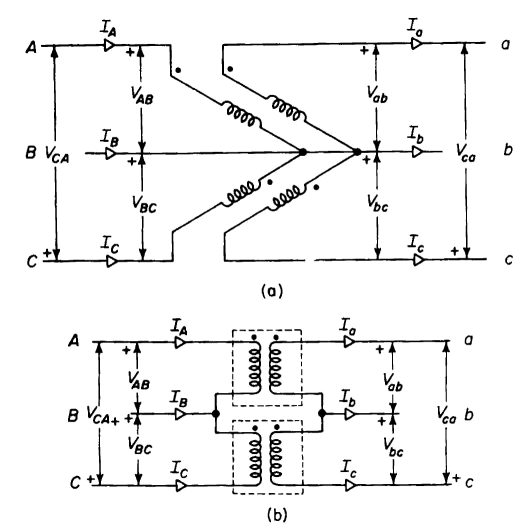
That's not an open DELTA. It's an open WYE DELTA. And it is certainly not what the OP has. It is not a viable 3 phase in my book for the reasons that you mention. That configuration would destroy equipment, is dangerous, and causes serious line disturbances. Allot has changed since the 50's. Here is an open delta. Three phase in...three phase out, using 2 single phase transformers. It's also important to note that your diagram is still fed from a three phase wye system with one dead phase. It's still a 3 phase system, and the neutral is being used. It would not work for a single phase distribution, that would have only 2 wires.
open delta.png
 
Last edited:
/ 3 Phase? #27  
A few months ago I wire a 50Amp breaker for my PA-300. I took a 30 amp out so I could fit the 50 amp one,
So this past week I connect the wire that it was on the 30 amp one because I needed power on the outlet and light on the outside of the patio, so I put it on another breaker.
The thing is that when I plug the bench it work fine for a wile and then it burn out. "I bought it used"
that same say at night I plug a light and then it burn after about one hour put another same thing happen and I put another one and same thing.
The next day I grab the multimeter and 208V on the outlet WTF. I open the breaker panel and there was this triple breaker on two of the legs of the breaker it had 120V on the third 210V then I notice that one huge wire that comes from the meter to the bottom of that triple breaker has 210V. :cool2:
I look up and notice that four wires are going in to the meter:cool2:

I rent the place so maybe the guy before me had 3 phase?

Two poles have (The two bars where the breakers are place) are 120V each and the third wire that one has 210V
I don't know. but why is the other wire 210V?
If I buy an air compressor with a three phase motor on it can I run it? is that three phase?

DXN,

I am sorry I made a big deal out of this whole thing as you read my post dialog. But you have a potential dangerous situation. As was mentioned that wild leg needs to be identified clearly, the NEC calls for orange. You can buy that tape to cover the conductor at most stores that sell electrical supplies. We all got carried away and probably confused you even more using terminology you probably do not understand. Some times these threads get way off track and we forget the OP is probably not well versed in electricity and is looking for a simple answer or question on what to do next. Most of the dialog that was posted had truisms that depend on further clarification of what you really have and some are uninformed totally.

The question I failed to ask you is what does the power supply on the street look like? How many primary conductors (those are the highest ones) are on the poles, 2, 3, or 4 (there could be either cross arms or insulators on the sides of the poles)? Is there a single conductor low down that the transformers connect to? How many transformers feed the conductors that run to your house. Take pictures and post of those configurations if possible. Have you discussed this with your utility?

DO NOW!
1. Check all your single breakers voltage output to ground. Any circuit more than 120 Volts needs to be moved to a different position in the panel that provides the 120 Volts.
2. Color code the wild leg orange throughout the system and make sure it only is used for a 240 Volt circuit with two breakers.
3. Put a warning on the panel cover with the information that it is a panel containing a 3 phase wild leg and it is identified as orange. Cover the warning with clear packing tape to preserve it.
4. Discuss with your utility provider and see if they can provide standard 3 phase Y power and get their assistance with any remaining problems.

Yes you can probably run a 3 phase air compressor on the 3 phase if that is really what you have.
This system may create interferences on your power that will affect electronic equipment especially older stuff that does not have good filtering in the power supplies.

As you are renting it is incumbent on your landlord to provide a safe system, you may have some recourse there depending on the rental laws in your area.

Hope I have been more helpful than before and promise to stay away from the technical stuff that is irrelevant to you.

Ron
 
/ 3 Phase? #28  
Tractor Seabee,
The OP obviously has a standard 240/120 Volt DELTA system. There is nothing wrong with it, it is not unsafe. It is a common setup. It will run any 3 phase 240 volt load perfectly. In fact, it will run 3 phase loads more efficiently than a 208/120 WYE system. The advantage of a 208/120 WYE system would be that you could run more 120 volt loads. It will not cause interferences on the line. It is NOT a corner grounded system. It is NOT an OPEN WYE DELTA like the diagram that you posted. It COULD be an OPEN DELTA like the diagram that I posted, but that would work the same as a true DELTA.
You are right about marking the wild/high leg with orange tape.

grsthegreat called it right on the first reply, hopefully the OP quit reading after that. The only non-fact in his post was that he said that the 3 phase loads would be running at 208 volts, when, in fact, they will be running at 240 volts. Everything else is spot on.
 
/ 3 Phase? #29  
Tractor Seabee,
The OP obviously has a standard 240/120 Volt DELTA system. There is nothing wrong with it, it is not unsafe. It is a common setup. It will run any 3 phase 240 volt load perfectly. In fact, it will run 3 phase loads more efficiently than a 208/120 WYE system. The advantage of a 208/120 WYE system would be that you could run more 120 volt loads. It will not cause interferences on the line. It is NOT a corner grounded system. It is NOT an OPEN WYE DELTA like the diagram that you posted. It COULD be an OPEN DELTA like the diagram that I posted, but that would work the same as a true DELTA.
You are right about marking the wild/high leg with orange tape.

grsthegreat called it right on the first reply, hopefully the OP quit reading after that. The only non-fact in his post was that he said that the 3 phase loads would be running at 208 volts, when, in fact, they will be running at 240 volts. Everything else is spot on.

it is amazing how these posts all go crazy....but thats the fun with them.
 
/ 3 Phase?
  • Thread Starter
#30  
it is amazing how these posts all go crazy....but thats the fun with them.

That is what I love how a simple question can far beyond.
Well. There are four wires on the pole on the alley there are two transformers on that one pole. four wires to the meter, there is only one triple breaker on the panel which is located in the right bottom corner, I checked everything in the panel that triple breaker is the only one with more than 120V on it, I mean is triple so three wire come out of it the first wire gives 120V the second 120V the third 210V The cable from the meter to the panel is WHITE
There was nothing connected in that 210V spot so when I toke the 30A breaker to put the 50A there was no space to place that 30A breaker so I put the wire that was on the 30A on the free spot that was on that triple breaker. burn my bench grinder. But my angle grinder was plug on that outlet and nothing happen to it
 

Marketplace Items

2011 MULTIQUIP LIGHT PLANT/ FUEL TANK TRAILER (A58216)
2011 MULTIQUIP...
36"x10' Stacks of Sheet Metal (A60463)
36"x10' Stacks of...
MASSEY FERGUSON 4710 TRACTOR (A59823)
MASSEY FERGUSON...
2016 Jeep Compass 4X4 SUV (A56859)
2016 Jeep Compass...
2019 CATERPILLAR  XQ35 GENERATOR (A58214)
2019 CATERPILLAR...
500 BBL WHEELED FRAC TANK (A55745)
500 BBL WHEELED...
 
Top