A Battery Rejuvenator

/ A Battery Rejuvenator #141  
Wizbang Battery Desulfator Solar Wind EV Marine Storage
Wizbang Desulfator (18)

List Price: $34.95
Price: $24.99 + Free Shipping
You Save: $9.96 (28%)
18 reviews

That is not a link and you did not answer my question,,,,
Do you KNOW it works as good as this one we can build from scrap and a cheap Radio Shack diode?
 
/ A Battery Rejuvenator #142  
How long does the process usually take to get the battery up to normal voltage ? (12.5 v on my mind)
 
/ A Battery Rejuvenator #143  
How long does the process usually take to get the battery up to normal voltage ? (12.5 v on my mind)

It really does depend on the size and condition of the battery.
I have a totally dead one I need to hobble out to my engine shed and put on my desulfator.
My rule for the dead ones is after the lights are up to their normal brightness I go one more day and check the battery.
 
/ A Battery Rejuvenator #144  
How long does the process usually take to get the battery up to normal voltage ? (12.5 v on my mind)

It really does depend on the size and condition of the battery.
I have a totally dead one I need to hobble out to my engine shed and put on my desulfator.
My rule for the dead ones is after the lights are up to their normal brightness I go one more day and check the battery.
 
/ A Battery Rejuvenator #145  
Oh, yes it works much, much better��! Even works outside in the rain and snow. Has a little whine to it when u put your ear close. Very cheap too, I spent no time, gas purchasing it. I actually got payed to buy it as I was working when I clicked on amazon.
 
/ A Battery Rejuvenator #146  
I bought a few charger/de-sulphater units from Northern tool after receiving some very nice discount coupons in the mail. I bought three of the smaller units and one larger (8 or 9 amp, I don't recall) They are fully automatic multi stage charger maintainers with built in de-sulphating (de-sulfating?) whatever... I have a diesel pickup with two 120 AH starting batts and 330 AH of "house batts" for the camper. It is nice to have the batts maintained without fear of "boiling" off electrolyte or sulfating them. Vehicle is always ready to crank right up regardless of the temps winter or summer. I use the smallerl units on various other batts like my old "beater" 4x4 Dakota I use strictly on the ranch, the tractor, and the batts for breakaway brakes on my trailers.

Build or buy... avoiding or reversing sulfation is a good thing and saves $ on batts.
 
/ A Battery Rejuvenator #147  
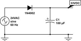
A 100 w bulb, using 120 v AV, will have a current of .83333 amps, and a resistive load 144 ohms.

Three light bulbs will develop 300 W, and use 2.5 amps.

In this circuit, a half wave rectifier is used to rectify the AS voltage to 60 v DC.

So 60 v divided by 144 ohms, is .41 amps through each leg, three legs will draw 1.23 amps, and three bulbs will develop 221 W, and the bulbs will not be as bright.

I believe this correct. If you find mistakes, please correct. It's been a while since messing with electronics circuits

If you short the diode, then you are putting 120 V AC at 2.5 amps on the battery.

I haven't gone through this whole thread, but,,
adding a diode will only clip the top or bottom half of the AC cycle
(depending on which way it's installed).
I would assume there's still 120 volts of now (DC) voltage, what do think....
 
/ A Battery Rejuvenator #148  
I believe it will be pulsating DC, not sure about the voltage.

Seems like adding a capacitor will increase the voltage.

Excerpt:

If one adds a capacitor to filter the output, the PIV doubles to 24 volts, because the capacitor now holds the output at +12 volts while the voltage on the anode of the diode swings to -12 volts
 

Attachments

  • half wave.jpg
    half wave.jpg
    5.1 KB · Views: 254
Last edited:
/ A Battery Rejuvenator #149  
If there were a method to prolong a battery the world would beat a path to your door.And I'm fairly sure it is not 60 cyc. a/c.
again my 2 cents worth
ken

Batteries are designed with a very specific amount of space below to accumulate the sulfation. Mainly, two things happen to end the life of a battery.

1) Sulfation on the plates (can be reversed somewhat (as is the subject of this thread).
2) When sulfation dropping off the plates piles up and contacts the lead plates, the cell is shorted and the battery is done. The difference between a 56 month and 84 month battery is mainly the 'height' of the plates above the bottom of the battery case, and the distance that the sulfation 'pile' has to climb, to contact and thus fail the cell. On the 84 month it takes longer for the sulfate pile to reach and thus short out the cell. It is a timed chemical reaction, a feat of chemical engineering. The plates have to be the same, to support the CCA. It's the space below that creates the normal life expectancy. When you pay more, you get more space below the plates.

Is there a safe way to remove clean out the sulfate? That would be a good way. You can't overturn a battery and dump it out because the sulfates could lodge between the plates and short it out permanently. It seems like a solution could be found with an aftermarket battery case.

It's worthwhile to ask yourself sometimes why there are no solutions available to the consumer for such a simple problem. It's easy in todays world for huge battery monopolies to eliminate such products. It takes just pennies on their dollar to support a lawsuit with regards to a safety problem (a real or a 'manufactured' problem), or offer to buy the aftermarket battery case company and scuttle it. Or support a lawsuit then offer to buy the remains of the harassed company. Or pay lobbyists to legislate that reclaimed batteries are not DOT approved, not allowed on the highway.

Lots of ways for big money to win big over consumers. Many voters support lobbyists even when they are are in the crosshairs!

This thread mostly regards batteries that can be rejuvenated due to reducing sulfation that's still on the plates, and has not yet piled up on the bottom (a different problem). Batteries that don't see much action don't have a lot of sulfation piled up on the bottom and have a chance of rejuvenation.
 
/ A Battery Rejuvenator #150  
Except for the negligible forward voltage drop of the diode the output wave form of a halfwave rectified 60Hz sine wave is every other half cycle (pos or neg depending on direction diode is inserted.) With a FWB (full wave bridge) you would get all the half cycles, either both pos or both neg, again depending on which way the FWB was installed.

When considering the current or the watts dissipated by light bulbs consider that the tungsten filaments are not linear devices, i.e. their resistance is temperature dependent and goes up with temp. Running a bulb at half voltage runs it cooler and it has less resistance. Oh by the way... 120 volts AC is the nominal value and is RMS (Root Mean Square) and is the AC voltage required to do the same heating of a resister that a 120 volt DC would cause. The actual peaks of the 120 volt AC is 1.414 times 120 or 170 volts. In the case of the light bulb the filament temperature is essentially the average temperature as the filament has too much thermal mass to follow the voltage as it changes mid cycle.

If that doesn't confuse you then PM me and I will send a reply that does.

Patrick
 
/ A Battery Rejuvenator #151  
There's a new way called EZbattery ([url]www.EZbattery.info)[/URL] to bring nearly any type of old battery back to life so it's just like new again. This method works with nearly every type of battery out there ...and it's simple and quick. In case you're wondering, you'll be able to bring car, phone, and laptop batteries back to life with this. It even works with solar/off-grid, marine, golf cart, and forklift batteries. Plus, many more!

The shill is selling the stuff.
The only way to rejuvenate a battery is to grind it up and re-refine and smelt the metal.
 
/ A Battery Rejuvenator #152  
The shill is selling the stuff.
The only way to rejuvenate a battery is to grind it up and re-refine and smelt the metal.

So you still haven't built one of these simple kits?
Why are you trolling here?
Mine does a great job bringing sulfated batteries back to life.
 
/ A Battery Rejuvenator #153  
So you still haven't built one of these simple kits?
Why are you trolling here?
Mine does a great job bringing sulfated batteries back to life.

Did you notice the advertisement stated any type of battery . And implied restoration to "NEW" without addressing the type of damage.
A battery damaged by sulfation may have some of it's CCA and amp hr capacity restord but the battery will still fall far short of new specs.
No tinker project will compensate for lost electrolyte , shorted cell plates, buckled plates, plate material that has flaked off or open internal bus connections.
Why did I post? To keep other readers from wasting their $$$ on a scam and possibly blowing a battery up in their faces. My motivation is more noble than yours.
 
/ A Battery Rejuvenator #154  
Too bad he didn't test this explosion theory, he might have had a lightbulb moment.

For years electrical repair techs have used an inline incandescent bulb as a safety device, in case of short, guess what happens? THE BULB LIGHTS UP.

WHOOP WHOOP.
 
/ A Battery Rejuvenator #155  
Well, I have to post this to keep all of you informed. I posted this same thread on another forum. A member there challenged me that this is not safe. After some positing back and forth he finally stated that if the diode goes bad or is defective the battery could explode.

I replied that I was going to test his theory. So sometime this week I will see if he is correct. I don't want anyone injured if there is a problem. Also, if this is a problem I want to post it here. I have been using this charger quite a bit and have not seen anything dangerous with its use. I am going the test this. I will post my results here.

To answer some of the question, John_Mc, when I first made this I just made the extension cord with diode. I added the outlets in a different fashion. I then saw the adapter at Harbor Freight and thought that would work better. There are few ways you can make this.

dcyrilc, the way I understand it is that the sulfation coats the plates and the battery cannot accept a charge. The typical chargers we use cannot overcome the sulfation. That is why they sell these special chargers to try to restore these batteries. The best way to keep the sulfation down is to keep the battery charged.


Today I tested my welder battery after a few days of none use. The thing started right up. This battery is 7 years old, I ran the electrolyte dry and it only showed a 3 volt load test. Something is working right.

Any way I will see how my theory testing goes.
I realize this post is quite old, but was wondering if you had any updates to add? Have you found this to be a safe method to rejuvenate batteries? I’m SO tired of endlessly putting out money for new batteries for all kinds of equipment. They cost a fortune and regardless of how I try to maintain them, their lifespans seem to be getting shorter & shorter every year…while the prices keep going up! Any feedback would be very appreciated! Thanks! 😊
Patti
 
/ A Battery Rejuvenator #156  
Desulfators do work. Just stay away from these little home brew or commercial jobs. If you do use these small desulfators, you pretty much have to start with a new battery and it will keep them in shape. Mine are lasting anywhere from 9 to 14 years depending on brand, size and type of battery.
 
/ A Battery Rejuvenator #157  
My 2 cents? (5 with inflation)
If any battery is, like, 5 years old or so simply replace it.
Any more life is simply borrowed time so count yourself lucky.
 
/ A Battery Rejuvenator #158  
My 2 cents? (5 with inflation)
If any battery is, like, 5 years old or so simply replace it.
Any more life is simply borrowed time so count yourself lucky.
I've been using BatteryMinder desulfating battery chargers and maintainers for about 20 years now. In all that time, I've only had one auto, truck, dump trailer, ATV, Lawnmower, or motorcycle battery go bad in less than 9 years (most are over that age now, unless it's a new vehicle still on its original battery). The one exception was the motorcycle-sized battery in my log forwarding trailer, which lasted 4 months. Fortunately, it has a six month warranty, so was replaced for free (a cheap, no-name battery). My tractor battery is 6 years old and still going strong. The previous one went just over 13 years.
 
/ A Battery Rejuvenator #159  
I have a 11 year old one in my Steiner. Just tested the IR with a capacity meter. Out of 410 CCA it's at 310 CCA on the tester. Still going......
 

Marketplace Items

2018 Freightliner M2 106 AWD Altec AA55 56ft. Insulated Material Handling Bucket Truck (A60460)
2018 Freightliner...
Komatsu D39PX-23 Dozer (A64047)
Komatsu D39PX-23...
2004 IH 5600I Snow Plow Truck (A62679)
2004 IH 5600I Snow...
2016 Jeep Compass 4X4 SUV (A56859)
2016 Jeep Compass...
25026SFL (A61569)
25026SFL (A61569)
2022 Husqvarna Z560L Zero Turn (A63116)
2022 Husqvarna...
 
Top