J_J
Super Star Member
- Joined
- Sep 6, 2003
- Messages
- 18,973
- Location
- JACKSONVILLE, FL
- Tractor
- Power-Trac 1445, KUBOTA B-9200HST
GuglioLS said:J.J.,
The channel is 4" wide. The die I made is 4" X 4" square. Do I think it would bend 1/2" x 4"? On a 20 ton press it would be close, maybe right on the edge of it's limits. You are correct in that it did bend 1/2" x 3" hot rolled flat bar, the 20 ton air over hydraulic bottle jack was straining a bit. 1/2" x 4" would be a close call. If not, the width of the die could be increased to 5". I think for sure it would bend 1/2" x 4" that way, but of course the radius of the bend would increase a bit.
In the video you quoted me on, that was a test piece of 1/2 x 2.5" if you go back and listen to the sounds of the air motor on the test piece and compare it to the sound on the 1/2" x 3" wide bar (page 7 reply# 63) there is a noticeable difference in the load on the press motor. If I had a scrap piece of 1/2" x 4" I'd try it out for you to find out for sure. Did you still want me to make you an Anvil? if so I need a picture of your press and the O.D. of the stock anvil so as to machine one to fit.
Larry
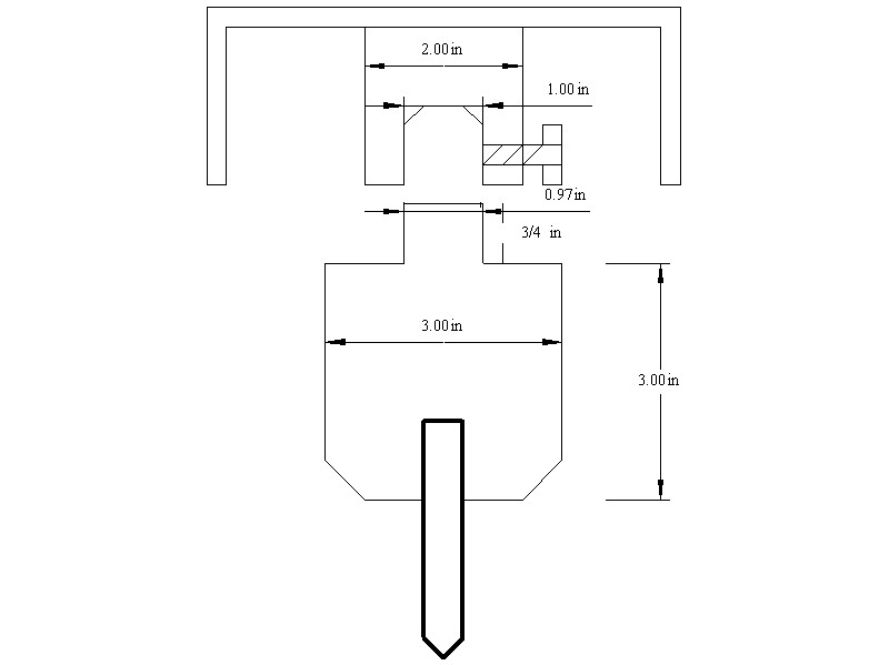
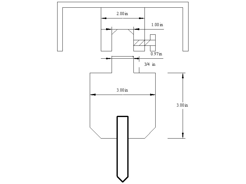
LARRY, Can you do something like this?










































