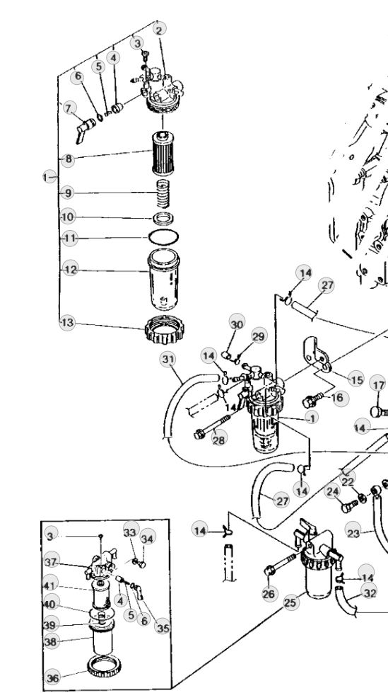
Careyo63, your right, it is not the correct filter assembly for my ym2210bd but I didn't realize the difference until I had already ordered my parts. So now I am hoping someone can identify this particular design so I can order the correct parts for it. I'm going to a JD dealer today to see if they have one. Thanks for info.
