JD 4400 Tractor won't start

   / JD 4400 Tractor won't start #11  
See second image attached, and letter A at bottom of starter. Should be the white wire referred to for removal. If not, I'll search the tech manual some more.
 
   / JD 4400 Tractor won't start #12  
Here is reference to the fuel shutoff solenoid connector.
 

Attachments

  • fuel_shutoff_solenoid_connector.JPG
    fuel_shutoff_solenoid_connector.JPG
    38.5 KB · Views: 1,359
   / JD 4400 Tractor won't start #13  
And portion of the wiring schematic, showing starter motor and fuel shutoff solenoid.

If the fuel shutoff solenoid is bad, wondering if that keeps starter from engaging? Anyone know?
 

Attachments

  • Schem_starter.JPG
    Schem_starter.JPG
    71.8 KB · Views: 3,388
   / JD 4400 Tractor won't start
  • Thread Starter
#14  
OK...check the voltage of the 309 Wht wire to the starter motor solenoid and it has no voltage with the ignition switch turned to start or run. Checked the white wire at the back of the ignition switch (same wire?) and got 12V with the key at the run position and 0V when turned to the crank position.

Any further thoughts?
 
   / JD 4400 Tractor won't start #15  
Here is the cranking circuit diagnosis, that may help eliminate some of the un-thought of simple things that may not be in the right position for starting. :)
 

Attachments

  • Crank_cir_diag.JPG
    Crank_cir_diag.JPG
    104 KB · Views: 1,040
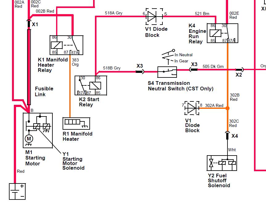
   / JD 4400 Tractor won't start #16  
Just as well throw in the cranking circuit schematic. Might help trace the ends of the white wire. I see it passes through the start relay.
 

Attachments

  • Crank_cir_schem.JPG
    Crank_cir_schem.JPG
    69.5 KB · Views: 14,745
   / JD 4400 Tractor won't start #17  
Remember readin couple of posts about 4000 series no starts being bad 3 dollar thermistor. Do a search in JD owning and operating forum for thermistor (don't forget to put in answer to random question) and it might also be your problem.
 
   / JD 4400 Tractor won't start
  • Thread Starter
#18  
Thanks for the help everyone!

I'll start working through the cranking circuit schematic to see what I can find.

Beenthere, where did you find the testing information and schematics?

Thanks again.
 
   / JD 4400 Tractor won't start #19  
.........Beenthere, where did you find the testing information and schematics?

......

I bought the Tech manual on CD. Great to go in and check things out. Might find it on eBay.

The color highlights K7LN posted are great, but not on my CD. :confused:
 
   / JD 4400 Tractor won't start #20  
Is it possible he just has a bad alternator that's not keeping the battery charged up?? You might see if you can get the alternator checked out by a good starter/alternator shop. If nothing else, it will eliminate that possibility.
 

Tractor & Equipment Auctions

CAT 938G Wheel Loader (A47477)
CAT 938G Wheel...
Wooden Dining Table (A55853)
Wooden Dining...
2017 INTERNATIONAL 4300 21FT BOX TRUCK (A57880)
2017 INTERNATIONAL...
173 (A55851)
173 (A55851)
2018 Bobcat T590 Compact Track Loader Skid Steer (A55851)
2018 Bobcat T590...
2013 Chevrolet Van (A55973)
2013 Chevrolet Van...
 
Top