Is Ford 4000 strong enough?

/ Is Ford 4000 strong enough? #1  

Johnc65

New member
Joined
Feb 9, 2010
Messages
10
A dealer recommended that I not put a front end loader on a Ford 4000 because he said the front end of the 4000 was too weak - that it would work well for a while, but that enventually the load stress would would cause me to lose the front end. Is this true? Any advice or comments out there?
 
/ Is Ford 4000 strong enough? #2  
Dad has a late 60's 4000 Ford with a 3 cylinder gas engine and a considerably heavier rearend than the late 50's early 60's had. The front end was also heavier. Dad has had the loader on tractor since 1976 and has had no problems with the front end other than replacing normal wear parts. The loader he has slips my mind at this time but it is very heavy with a 6' bucket and it is quick attach. I would not be scared to put a loader on it.
 
/ Is Ford 4000 strong enough? #3  
See my response to your other post.
Please only post once, double posting is difficult to follow, and typically does not elicit more responses than a single post.
 
/ Is Ford 4000 strong enough? #4  
I friend of mine has one with a loader. He's busted the front tie-rods 3 or 4 times already. Go see the tractor and judge for yourself if it will handle it. I'm amazed at how "light" the fron end seams to be on the 4000. Other than that, they seem to be strong reliable mowers.
 
/ Is Ford 4000 strong enough? #5  
Do they have power steering? The tie rod doesn't bear any weight of the loader so I'm not sure how it keeps tearing them up unless maybe there is that much force on the tie rods to turn under a load?
 
Last edited:
/ Is Ford 4000 strong enough? #6  
He may have broken other things too, not sure. But, whenever operating it, it always looks like the front end is straining under the weight of the loader. He babies it and tries to avoid sharp turns, which seems to put the most strain in it. I keep suggesting that he weld in some stops to further limit the turning angle, if he's that concerned.

I've only driven it once. As best I can recall it does have power steering.

It appears there are variations in different years of this tractor. Best advice would be to go look at it, test drive it, and judge for one's self on the front end.
 
/ Is Ford 4000 strong enough? #7  
I friend of mine has one with a loader. He's busted the front tie-rods 3 or 4 times already. Go see the tractor and judge for yourself if it will handle it. I'm amazed at how "light" the fron end seams to be on the 4000. Other than that, they seem to be strong reliable mowers.



which 4000 does he have? an older 4 cyl model? a SU model?

soundguy
 
/ Is Ford 4000 strong enough? #8  
Don't know specific models or years (1970's is all I know). Don't know a whole lot about those Fords. But, the front end parts are all quite small.

I think his loader is also too heavy for it. It's a home made loader with the fluid stored in the arms. It's quite a beast of a loader, even when empty.

But, that front end is disproportionately small. Sure seems like it should be more in line with the rest of the tractor, which is quite sturdy.

Other than the front end, it has been very reliable for him. Starts right up in all kinds of weather and he takes that thing into some aweful places - steep, heavily wooded, rocky, etc. Kinda like the energizer bunny - keeps on going.....as long as you baby that front end by avoiding roots, rocks, and ruts that seem to break it every time.

I still think he'd get better service if he limited the turning angle a bit more than it is now.
 
/ Is Ford 4000 strong enough? #9  
sounds like it could be a SU model. does the front axle have arms that bolt back to the transmission housing?

soundguy
 
/ Is Ford 4000 strong enough? #10  
I have an older 4600 SU I use for finish grading and it is a great tractor but I've had to replace 2 front spindles. I think the front end would be too weak to have a FEL on one. There is another model that had a lot heavier straight type front axle on it. It may have been a regular 4600, it had taller tires and the front axle had what appeared to be pretty heavy channel that the ends would slide in and out to set wheel width. That model looked like it would have been able to support a FEL.

Topstrap
 
/ Is Ford 4000 strong enough? #11  
As has been mentioned.. the axle style is the clencher.

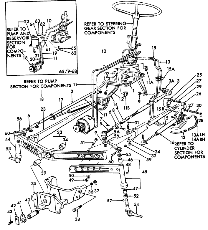
I'm attaching a pic of the 2 styles being talked about. it would be helpfull if the original poster would refer to the 2 pics to see if he is looking at the axle with radius rods or not.

soundguy
 

Attachments

  • 4000hdaxle.gif
    4000hdaxle.gif
    40.2 KB · Views: 1,478
  • 4000ldaxle.gif
    4000ldaxle.gif
    59.7 KB · Views: 750
/ Is Ford 4000 strong enough? #12  
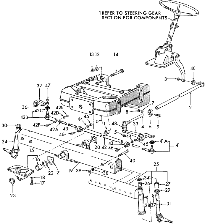
Sorry for digging up the old threead but figured it would be better than starting new.

Is the front end setup on the right too weak for a loader? I believe that is the one on the front of my "new to me" 4000 but was hoping to put a loader on it. Mainly for movng 20 rounds a year and scooping a little dirt.
 
/ Is Ford 4000 strong enough? #13  
the one on the right is the old style light duty radius rod setup started in 1939 and carried thru 75 on 4000 su and under. the regular post 65 ag 4000 has the left axle.

still many fords have loaders using the lighter duty axle. it's not as ideal.. but it works..

soundguy
 
/ Is Ford 4000 strong enough? #14  
a 4000 can handle the loader fine if it has the right axel an front end under it.the other frontend will bust the tie rods hubs bearing an axels every now an then.but then most all 2wd drive tractors will blow bearing an hubs under loader stress.
 
/ Is Ford 4000 strong enough? #15  
i bet there are more loaders on that older radius rod axle style than there are on without it.. especially since it went back to 1939 technology.

like I said.. not ideal.. but workable.

I move 1000# bales on my fords using that light duty adjustable axle design. biggest issue is wear on the king pin and bushing...

soundguy
 
/ Is Ford 4000 strong enough? #16  
My dad has a 3000 with a loader. I think your dealer wants to sell you a tractor. I sure would not want to be driving a tractor and have the front end fall apart though. a 3 point bale spear may be a safe option, but every body needs a loader.
 
/ Is Ford 4000 strong enough? #17  
if the front end falls apart you fix it plain an simple.
 
/ Is Ford 4000 strong enough? #18  
My dad has a 3000 with a loader. I think your dealer wants to sell you a tractor. I sure would not want to be driving a tractor and have the front end fall apart though. a 3 point bale spear may be a safe option, but every body needs a loader.

ditto what bibbull said. when it wear and/or breaks in a few decades.. you fix it.. end of issue.. if you are chronically lifting huge loads.. like 2000#.. then you simply need a bigger tractor anyway..

and I'd skip the 4000 and go right to a 5000 just to get some weight and chassie size in that case.

soundguy
 
/ Is Ford 4000 strong enough? #19  
Sorry for digging up the old threead but figured it would be better than starting new.

Is the front end setup on the right too weak for a loader? I believe that is the one on the front of my "new to me" 4000 but was hoping to put a loader on it. Mainly for movng 20 rounds a year and scooping a little dirt.


Listen to SoundGuy, he has more experience with the Fords than most people here. I would heed his advice.
 

Marketplace Items

AGROTK ATK-WB24A Tire Balancer (A64912)
AGROTK ATK-WB24A...
2025 Industrias America 7014R (A64912)
2025 Industrias...
2015 VANTAGE TRAILER 3 POD PNEUMATIC TRAILER (A63569)
2015 VANTAGE...
2019 Cadillac Sayers and Scovill 70IN Limo w Only 7729 Miles (A63689)
2019 Cadillac...
2008 Ford F-250 4x4 Crew Cab Pickup Truck (A66736)
2008 Ford F-250...
PORTA POTTY (A67714)
PORTA POTTY (A67714)
 
Top