Chrxis1900
New member
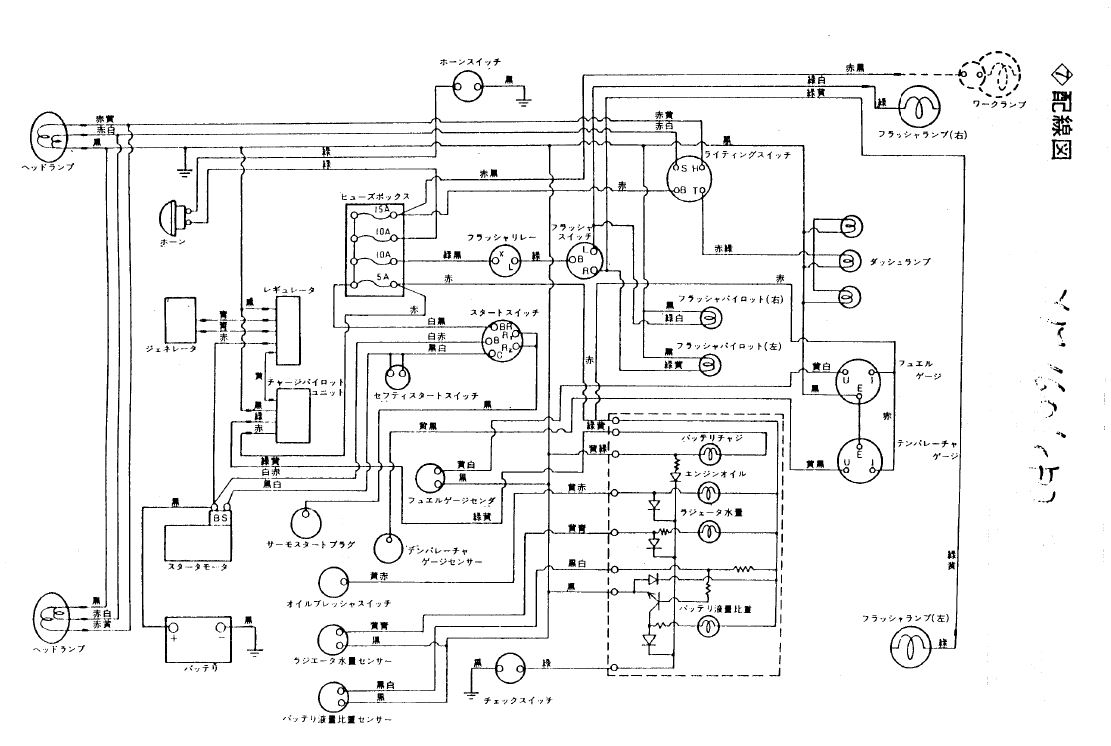
I have a 1601d diesel with 1500 hours on it. This summer I have had some issues starting the tractor. I replaced the 10 year old battery and cleaned the terminals. I had lost the dummy lights and fuel/temp gauges earlier this summer, but the rpm gauge worked as did the lights, horn, and turn signals. Trying to diagnose the problem, I replaced a blown 5amp fuse. I had the ignition turned on and was tracking wires when the voltage regulator started smoking and was extremely hot. I turned off the ignition and dumped water on it to cool it off and prevent a fire. I have removed the voltage regulator and been running the tractor as needed since, always putting the battery on a trickle charger. I have since lost the rpm gauge. The 5amp fuse will blow each time the tractor is turned on however. I had a mechanical inclined friend look at it and he noted the generator has a small amount of play in the bearing. He thinks this is causing a short and is the culprit of all the problems. So am I doing permanent harm by running the tractor this way? Is it worth the expense to replace these two parts? Am I missing some other problem here? I have posted the burnt wiring harness to the voltage regulator for reference (one of two blue wires is the burnt terminal). As always thank you for looking and replying.
