YM2310D not charging

/ YM2310D not charging #22  
When I went looking for the regulator that corresponds to the 'pancake' alternator in the YM86D (belt driven, one mounting bolt beneath it, not two) it seemed that this alternator and regulator were used on a wide variety of small engines in addition to many Japanese tractors. So long as the plug is identical to OEM then you've found the right regulator - at least in my limited search.

The regulator I bought was listed on Ebay as 'genuine Kohler OEM replacement' and it was a perfect match. It's been working perfectly for several years now, and ended the problem of a flickering charging light at low rpm.
 
/ YM2310D not charging
  • Thread Starter
#23  
Thanks again for the help. I will post my findings when I make my next trip. Probably in 2-3 weeks.
 
/ YM2310D not charging
  • Thread Starter
#24  
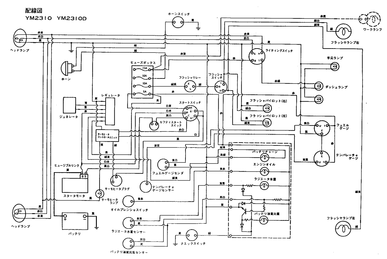
Okay, update now. Put on a new regulator from Hoye/ASAP tractor parts. Didn't change anything. Any suggestions on next troubleshooting steps? Looking at my wiring diagram it looks like I have two wires from the dynamo to the regulator, one wire that goes to the battery connection on the starter and a ground wire. Two other wires appear to go to the dash and fuse block. Dash light doesn't come on
 
/ YM2310D not charging
  • Thread Starter
#26  
Not yet. I'm not sure what I'm looking for. I assume I will have 15-30 volts at the wires from the dynamo and should have 13.5-14.5 on the wire to the starter/battery wire. I don't know what I should see on the other 3 wires.
 
/ YM2310D not charging #27  
If you have ac charging voltage going into the regulator then the dynamo is working. If you have dc charging voltage coming out of the regulator then it is working. No charging voltage then not working.
 
/ YM2310D not charging #28  
Voltage Reg. they work or they don't. They go bad and quit. Most problems are Alt. wiring or the dynahoe. Takes a couple Min. to have it Checked. I've had a volt meter for the last 50 yrs. and I'm driving it to town. Takes a couple Minutes for them. If it's all good and you still have a problem then it's time to get the Meter out and Chk. for the problem. Wires, Battery Etc.... I've heard of weak Dynahoes before and Alt. work or not 90% of the time. ;)
 
/ YM2310D not charging
  • Thread Starter
#29  
Okay, it looks like the new regulator is not working. I backprobed four of the six wires from the regulator side of the plug to their landing. Those four wires correspond to the output wires from the dynamo, the positive wire from the battery and the ground wire. I first verified continuity with the ohmmeter, then checked voltage while running. At a high idle (2600 rpm) I read 26 volts AC at the output wires from the dynamo on the regulator side of the plug. From the battery positive to ground I have 12.6 volts DC, which is the same as the battery before starting the engine. To verify no output from the regulator I disconnected the regulator wire from the positive wire at the starter. There is no voltage coming from the regulator. So it looks like the new regulator is bad. I just have a hard time convincing myself it was no good. Thanks for all the help!
 
/ YM2310D not charging #30  
Okay, it looks like the new regulator is not working. I backprobed four of the six wires from the regulator side of the plug to their landing. Those four wires correspond to the output wires from the dynamo, the positive wire from the battery and the ground wire. I first verified continuity with the ohmmeter, then checked voltage while running. At a high idle (2600 rpm) I read 26 volts AC at the output wires from the dynamo on the regulator side of the plug. From the battery positive to ground I have 12.6 volts DC, which is the same as the battery before starting the engine. To verify no output from the regulator I disconnected the regulator wire from the positive wire at the starter. There is no voltage coming from the regulator. So it looks like the new regulator is bad. I just have a hard time convincing myself it was no good. Thanks for all the help!
Was the new regulator the old school type or a solidstate type?
 
/ YM2310D not charging
  • Thread Starter
#31  
I'm guessing this is solid state. 17143456002113067640985890249233.jpg17143456174061390352271403900404.jpg
 
/ YM2310D not charging #32  
The Solid State on the shaft and the old style is the black box just behind the steering shaft! They both work. Bad connections on the fuse panel. ;)

Attachments

  • 000_0222.JPG
    000_0222.JPG
    2.5 MB · Views: 562
 
/ YM2310D not charging #33  
Okay, it looks like the new regulator is not working. I backprobed four of the six wires from the regulator side of the plug to their landing. Those four wires correspond to the output wires from the dynamo, the positive wire from the battery and the ground wire. I first verified continuity with the ohmmeter, then checked voltage while running. At a high idle (2600 rpm) I read 26 volts AC at the output wires from the dynamo on the regulator side of the plug. From the battery positive to ground I have 12.6 volts DC, which is the same as the battery before starting the engine. To verify no output from the regulator I disconnected the regulator wire from the positive wire at the starter. There is no voltage coming from the regulator. So it looks like the new regulator is bad. I just have a hard time convincing myself it was no good. Thanks for all the help!
Why the trouble convincing yourself it is no good? You did a great job, I think, of tracking the problem to it.

It has been my experience that regulators die all the time from heat and old age getting to the diodes, not to mention loose connectors and battery misconnections over the years.

Congratulations on finding the probable cause!

All the best,

Peter
 
/ YM2310D not charging
  • Thread Starter
#34  
I understand that a 40 year old regulator will fail, and that is what's in the picture. My problem is the brand new one that doesn't work. In most of my experience if you have two apparent failures of old parts and the replacement parts, you have probably missed something in the diagnostics. I took the picture of the old regulator because the new one is boxed up for return. They look identical though.
 
/ YM2310D not charging #35  
My bad connection on the Fuse panel with a loose wire/Dirty also but the Reg, still worked. What was actually happening was when the Eng. Rpms. was up the charge light would come on and flicker. I knew there was a problem but It was hard for me at the time to get into the Wiring. Lucky I was checking the fuse panel for my After Market work light on the rear Fender and when I moved the Wiring Harness the Alt light came on and went off and lucky I seen it. Found the loose connection and then no trouble light problem. The Old Style Voltage was still in the dash which I knew and was sure no doubt were the problem was so with the curiosity I hooked it back up and no light flashing or coming on 12.75 V. I believe @ idle so I left it in there. I do use the Solid State still and hooked it back up. Don't here much of any problems with the SS. Reg. and the old Org. Reg. bad also? The last time I heard of this problem and with a Dyno the owner replaced the Dynaho and Reg. to a Alternator with a built in reg.. Basically If I recall He just had to run new Wireing to the battery and then left the Wiring Harness ASIS. to the Tractor which everything worked but the Alt. trouble light. Wasn't much to it trying to recall.
 
Last edited:
/ YM2310D not charging #36  
I was able to find that Fredricks has a Alternator with a built in reg. AL-1220. 40 amp. They don't even show a Dynaho replacement or even a aftermarket one. Super old parts listing of 15+ yrs. I'm thinking the Dyno is a AL-9150 And calling it a Alternator.? 12V-20Amp so only 20 amp It's a Dyno IMO...
 
Last edited:
/ YM2310D not charging #37  
I have been having the same problem,and after 2 new junk voltage regulators,I cut the plug off of one of them and wired it to one of these briggs voltage regulators. 2 blue wires to two yellow and red to red.It even fits in the same place on the fire wall. Just fixed it today and so far charging good. Neither one of the two new regulators worked at all. I robbed the briggs one off an old lawnmower. On my YM186D
Briggs.jpg
 
Last edited:
/ YM2310D not charging #38  
My Ford 2000 Was org. 6V. That took some wiring to change. One of the first things I asked when I called about the Add. Was it still 6V. or 12V. Said it was changed to 12V already. Big + on that one. Nothing compared to the Yanmar Alt./Dyno change over. The Battery even wired Ask-Backwards. I sure didn't want to do it! The shop That did the clutch told me they had to Weld the Alt. bracket. Super pleased with it!!... The man knew his Tractors that's for sure. Clemsonfor ask me if he done it. YUP! It's super cool Esp. with a Org. Era. FEL. on it.. The shop Stated he thought something wasn't right with the FEL. which I found that problem. How did I do it? Made it worse big time and then I did find it :rolleyes:
 
Last edited:
/ YM2310D not charging
  • Thread Starter
#39  
Thanks for the help everyone. Barry 1, that Briggs and Stratton regulator looks like a awesome idea. I could buy 10 of those for what the other one cost me!
 
/ YM2310D not charging
  • Thread Starter
#40  
Just to follow up and put this to bed. My experience echos the experience of Barry1. I exchanged the new regulator for another new one from the same place. After installing it I still had no charging voltage to the battery. I ordered the regulator that he showed in his post from Amazon and installed it last week and low and behold, I now have 14.2 volts DC to the battery. Thanks again everyone and maybe this can help someone else down the road.
 

Marketplace Items

2018 Dodge 5500 Bucket Truck 4WD (A61306)
2018 Dodge 5500...
2014 MERCEDES 2500 CARGO VAN (A59904)
2014 MERCEDES 2500...
UNUSED ZJG ZJ-13 EXCAVATOR (A60430)
UNUSED ZJG ZJ-13...
2021 Forest River Puma PUT31QBBH Travel Trailer (A60352)
2021 Forest River...
2004 EAGER BEAVER 50GSL/3 DETACH TRAILER (A52707)
2004 EAGER BEAVER...
iDrive TDS-2010H ProJack M2 Electric Trailer Dolly (A59228)
iDrive TDS-2010H...
 
Top