Yanmar 1601d electrical repairs worth it?

   / Yanmar 1601d electrical repairs worth it? #21  
An English translation of that electrical schematic would be of great assistance in troubleshooting
Here's the schematic for earlier, simpler YM240 with everything identified in English.
https://www.tractorbynet.com/forums...0d-volt-reg-wells-vr728-557466-yam240elec-gif

I don't know if the YM1601 in this thread has a conventional automotive alternator and regulator but that's what's in this YM240 schematic, so that might be a major difference.

Things like headlights, horn, clutch safety switch, thermostart should be similar. If the YM1601 schematic has an 'extra' warning light in the dash that might be a battery-water-low warning, used on some models.
 
   / Yanmar 1601d electrical repairs worth it? #22  
If you left the regulator unplugged throughout your testing of the battery voltage, there is why you show consistently the same battery voltage. The dyno will send unregulated voltage to the regulator.
I agree that you have a short in a wire! Probably a bare wire against metal. You had a heat feedback to the one wire from the regulator by looking at the picture of your connector. Start by tracing that wire from the connector to its other end. We know it had a lot of heat in that wire. For that reason you may want to replace it completely as insulation is likely melted and resistance of that wire compromised (increased).
Then trace the wires from the 5 amp fuse.
Good luck. And ask for help when you need it.
 
   / Yanmar 1601d electrical repairs worth it? #23  
What they said. I didn't think any more about this after my post, sorry. Just forgot. As I was reading it I was not taking it in really just reading. But you know where that problem lies now. These are simple circuits. It may be easiest to do as Coy says. Just pull all that wire out and just replace it just as it was as you go. You will be bound to find the issue along the way. Sometimes in wireing it's just simple to run all new wire than to try and trouble shoot, usually the case in much simpler circuits but I agree the heat on that wire was the whole length and the insulation softens and where it touched something it probably melted through or most of the way through there too. So there is probably a chaffed spot and possibly another one where that wore hugged the body. And often they will also melt to another wire and be stuck to it. So you may have to physically pull two apart or cut them apart.
 
   / Yanmar 1601d electrical repairs worth it? #24  
What they said. I didn't think any more about this after my post, sorry. Just forgot. As I was reading it I was not taking it in really just reading. But you know where that problem lies now. These are simple circuits. It may be easiest to do as Coy says. Just pull all that wire out and just replace it just as it was as you go. You will be bound to find the issue along the way. Sometimes in wireing it's just simple to run all new wire than to try and trouble shoot, usually the case in much simpler circuits but I agree the heat on that wire was the whole length and the insulation softens and where it touched something it probably melted through or most of the way through there too. So there is probably a chaffed spot and possibly another one where that wore hugged the body. And often they will also melt to another wire and be stuck to it. So you may have to physically pull two apart or cut them apart.

I have done so much automotive electrical repair on the past 40+ years, that thinking about it is just not an issue. Unfortunately when a failure happens there is never a single one issue. But there are common hints. The burnt connection is one of those. Those connectors while state of the art in the late 70’s and early 80’s, are far behind todays connectors, but then so are the electrical requirements of that tractor. That all aside, signs of heat/ burning are good indicators of the initial problem. As you say, it could be a cut through insulation where it has rubbed on a sharp metal edge for 35+ years or a longer rub through from the vibrations.
Also unfortunately the melted connector could be unrelated to the 5 amp fuse being blown.
Electrical issues requires lots of patience and time as well as knowledge. The good part on these old yannies is almost all of the testing can be done with a test light. A digital multimeter was unknown when they were built, it was analog volt/ohm meters all they way back then.
 
   / Yanmar 1601d electrical repairs worth it? #25  
Here's the schematic for earlier, simpler YM240 with everything identified in English.
https://www.tractorbynet.com/forums...0d-volt-reg-wells-vr728-557466-yam240elec-gif

I don't know if the YM1601 in this thread has a conventional automotive alternator and regulator but that's what's in this YM240 schematic, so that might be a major difference.

Things like headlights, horn, clutch safety switch, thermostart should be similar. If the YM1601 schematic has an 'extra' warning light in the dash that might be a battery-water-low warning, used on some models.

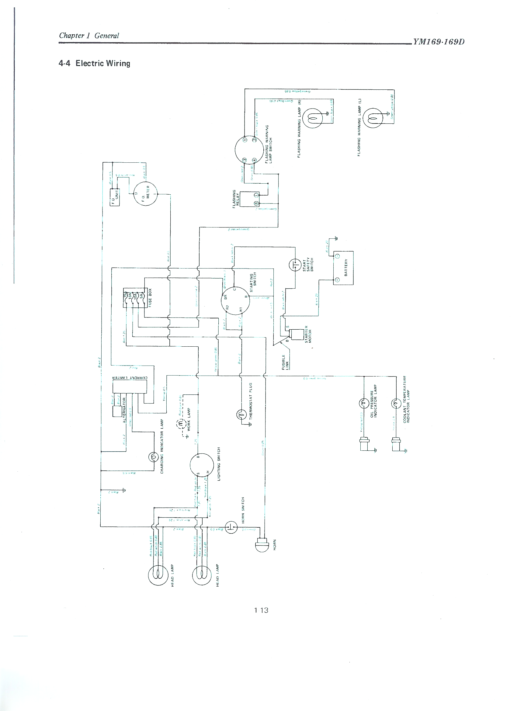
Both the 1601 & 169 are 3cyl 16Hp. Tractor Data. So it would almost have to be close. Forgot I had this one so it's worth a post. I do have the whole manual for the 169 but the file for it is to big to download on here. I was able to get the Dia out though. If it works and you want the manual for the 169 then message me and try to email it to you. There only a couple Yrs. aprt in production with the same body stlye so I'm thinking it should be it.
 

Attachments

  • Scan_20190918.png
    Scan_20190918.png
    468.5 KB · Views: 157
   / Yanmar 1601d electrical repairs worth it?
  • Thread Starter
#26  
Well I am encouraged that this seems to be in my abilities to fix. Also that i haven't destroyed anything yet.:) my biggest fear currently is mixing up wires or forgetting where they went. Needless to say lots of pictures as I go. I will look at these diagrams and see if they are similar to what the tractor has. That could really help if I mix it up. I will be posting as I proceed. Thank you all for leading me through the process.
 
   / Yanmar 1601d electrical repairs worth it? #27  
Well I am encouraged that this seems to be in my abilities to fix. Also that i haven't destroyed anything yet.:) my biggest fear currently is mixing up wires or forgetting where they went. Needless to say lots of pictures as I go. I will look at these diagrams and see if they are similar to what the tractor has. That could really help if I mix it up. I will be posting as I proceed. Thank you all for leading me through the process.
Only disconnect one thing as you go since you are not confident. This system is so simple it should be possible. Also taking tape and labeling where a wire goes is fool proof as well.
 
   / Yanmar 1601d electrical repairs worth it? #28  
While I tend to in general agree with the one wire one thing at a time, some times you will need to run more than 1 just because of the way things ate laid out. When you hit this spot, multi colors of wire are the solution. As much as possible use the same color as is currently in place. Also try to leave the existing wires or at leas a short pieces until the new wire is in place.
One caution, be sure to use at least the same gauge wire. Never ever for any reason use a smaller gauge wire. And remember a higher number for wire gauge is a smaller wire.
Finally you have it covered.
 
   / Yanmar 1601d electrical repairs worth it? #29  

Tractor & Equipment Auctions

2015 Peterbilt 320 Garbage Truck (A52377)
2015 Peterbilt 320...
EZ-GO MPT 1000 Electric Utility Cart (A51694)
EZ-GO MPT 1000...
2022 Padget Morris Electric Mobility Scooter (A55853)
2022 Padget Morris...
RV Hitch (A50121)
RV Hitch (A50121)
2015 Ford Taurus SE Sedan (A54815)
2015 Ford Taurus...
2007 FORD F-150 XL TRITON (A55745)
2007 FORD F-150 XL...
 
Top