rockshaft not working H E L P

/ rockshaft not working H E L P #1  

robbie63

New member
Joined
May 10, 2013
Messages
5
Location
fort plain, n.y.
Tractor
john deere 4310
hello everyone, i have a john deere 4310 hydro, and just ran into a problem, that being that the last time i raised the 60" mower deck it came up and stayed up to a point that you could hear the tractor rpm's drop like you can, but when the mower deck comes it should release pressure so the motor doesn't lose rpm's, also it will not go back down. if you let it set for about 1 hour or so i go back out to the barn and the mower is on the floor, with the up-down lever in the down position. i got on the tractor with the lever still in the down position, all the way down, and started the tractor and the mower deck came all the way up by its self, and the same thing happened, like to motor sound etc. I need help, the tractor is being used to mow, snow blow, bucket etc. you know what i mean.
thanks
brooks
 
/ rockshaft not working H E L P #2  
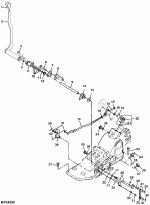
Is rockshaft linkage properly attached? Rockshaft control valve appears to be "non-serviceable"
 

Attachments

  • LVP7677________UN27NOV06.gif
    LVP7677________UN27NOV06.gif
    21.3 KB · Views: 238
  • MP34578________UN16JUN04.gif
    MP34578________UN16JUN04.gif
    21 KB · Views: 221
/ rockshaft not working H E L P
  • Thread Starter
#3  
i do not know i don't know how to even get to it, what do need to remove to see that??
 
/ rockshaft not working H E L P #4  
Without the aid of a tech manual I suppose one needs to remove 5A or B to access the valve.
 
 
Top