JD 2240 pto problems

/ JD 2240 pto problems #1  

R Fussell

New member
Joined
Jun 23, 2017
Messages
6
Location
Denton ga
Tractor
John Deere 2240
Did any 2240's come with out the pto lever by your left foot. Mine has no lever there but has the one between gear shifter levers. My pto will not work. I have found a coupling laying in the bottom of the transmission. I just got this tractor and trying to figure out what's going on. The JD dealership says it suppose to have a lever by left foot. Thanks for any help.
 
/ JD 2240 pto problems #2  
Welcome to TBN
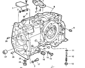
Although I've never seen a JD utility tractor(20-40) series without pto lever by left heel when sitting in seat JD lists a plug(key 10 with no parts description/explanation) where shift lever shaft would go. Also shown is a smooth spline coupling(key 2) with no collar for shift fork.
 

Attachments

  • Capture.PNG
    Capture.PNG
    43.9 KB · Views: 764
  • Capture.PNG
    Capture.PNG
    66.3 KB · Views: 829
/ JD 2240 pto problems
  • Thread Starter
#3  
Same thing I have looked up but what engages and disengages pto. I am lost with this issue.
 
/ JD 2240 pto problems #4  
Sounds similar to this thread, and your shaft is engaged all the time, and relies only on the clutch to operate the PTO.

Does this other thread help explain about the coupler?
http://www.tractorbynet.com/forums/john-deere-ag-tractors/340409-2240-pto-clutch-reassembly.html

There was also recently confusion how this side lever and PTO clutch lever functioned, with the conclusion ( IIRC ) to leave the side lever engaged all the time (and this would be with the models that had that side lever).
 
/ JD 2240 pto problems #5  
Same thing I have looked up but what engages and disengages pto. I am lost with this issue.

Lever between gearshift operates a hyd valve that controls hyd pto clutch.
 
/ JD 2240 pto problems
  • Thread Starter
#7  
Thanks for all info. I put tractor back together last night gone see how it does.
 
/ JD 2240 pto problems #8  
Ontop of the shiftcover is 2 testports ...one for the pot clutch and one for the pto brake AND the pressure in them must not overlap when moving the pto lever slow up and slow down !
 
/ JD 2240 pto problems #9  
Did any 2240's come with out the pto lever by your left foot. Mine has no lever there but has the one between gear shifter levers. My pto will not work. I have found a coupling laying in the bottom of the transmission. I just got this tractor and trying to figure out what's going on. The JD dealership says it suppose to have a lever by left foot. Thanks for any help.

The only way the coupler could have come off is if one of the shafts were removed. Rear PTO is most likely, forward shaft would require a split.
Does the hole for the lever have a "freeze" plug in it?


Welcome to TBN
Although I've never seen a JD utility tractor(20-40) series without pto lever by left heel when sitting in seat JD lists a plug(key 10 with no parts description/explanation) where shift lever shaft would go. Also shown is a smooth spline coupling(key 2) with no collar for shift fork.

Plug was used when no PTO was installed. Like Industrial tractors. No idea about a coupler with nothing for the shift fork.
 
/ JD 2240 pto problems #10  
Splined coupler (#2) is just that - a coupler. Not a shift collar. Does it have the snap ring (#1) inserted in the middle to stop it moving off the end of either shaft it couples? They usually drop off when someone splits the tractor or pulls a shaft without knowing it is there, or assembling and it falls off upon contact. Usually need to slowly rotate the PTO shaft during assembly to 'feel' the splines engage.
 
/ JD 2240 pto problems #11  
The only way the coupler could have come off is if one of the shafts were removed. Rear PTO is most likely, forward shaft would require a split.
Does the hole for the lever have a "freeze" plug in it?




Plug was used when no PTO was installed. Like Industrial tractors. No idea about a coupler with nothing for the shift fork.
 
/ JD 2240 pto problems #12  
my 2240 has no pto lever by left foot only between shifters plug in casing by left foot.
 
 
Top