Hydraulic hose replacement

/ Hydraulic hose replacement #31  
Lines 3 and 4 in your diagram are the only lines that should have pressure to the valve bank. Think of the valve bank with all the control levers like your hot and cold water at your sink. when you open the faucet the water runs - BUT if the water still runs when you shut the faucet off - you have a bad gasket in the faucet.

It should not matter if the bucket is stuck in the stump - there should be no oil flowing unless the valve is bad.

At this point you may want to attempt to pull out the bad line - worst case you could cut it off at the base of the boom (where it bends) then leave it attached to the cylinder on the other end. You need to be able to "fish or pull" the new hose into the boom to the cylinder.
 
/ Hydraulic hose replacement #32  
Sorry if these are dumb questions, I just got into tractors a few years ago and I’m 70 having trouble learning new stuff. what if the bucket is still stuck in the stump that’s when it blew?
Once a hose pops the pressure in the line normally drops
 
/ Hydraulic hose replacement #33  
Well you may need a neighbor with a tractor and bucket to get that loose. And probably pull it to a location that you can get to everything. I don’t think you need to crank the leaking one. This is nothing unusual, it called working in the field and it a plan a play thing.
 
/ Hydraulic hose replacement #34  
Sorry if these are dumb questions, I just got into tractors a few years ago and I’m 70 having trouble learning new stuff. what if the bucket is still stuck in the stump that’s when it blew?
The only dumb questions are the one you don't ask. we're never to old to learn something.

Mike's idea sounds like the most feasible. Shouldn't take all that much to pull it out of the stump, once it's out stretch it out (you'll have to work the boom & stick levers to get it to do that.) and repair in place if it's possible.

Once the ends are loose, and clamps that hold the hoses in place should be that hard to remove the hose. I'd loosen both, then remove the one on the side the hose is on letting it drop down and maybe swing out of the way to get the hose out. When hose is replaced, you won't have to fight that clamp near as bad to get it back in place.

No matter how many tools you take to fix it you "think" you will need, more than likely you'll need 4 to 6 more. But you're gaining experience and can pass that on to someone else some day. We all learned somehow.
 
/ Hydraulic hose replacement
  • Thread Starter
#35  
Lines 3 and 4 in your diagram are the only lines that should have pressure to the valve bank. Think of the valve bank with all the control levers like your hot and cold water at your sink. when you open the faucet the water runs - BUT if the water still runs when you shut the faucet off - you have a bad gasket in the faucet.

It should not matter if the bucket is stuck in the stump - there should be no oil flowing unless the valve is bad.

At this point you may want to attempt to pull out the bad line - worst case you could cut it off at the base of the boom (where it bends) then leave it attached to the cylinder on the other end. You need to be able to "fish or pull" the new hose into the boom to the cylinder.
Thing was working as it should before I blew that hose. It turns out the hose is the one that goes to the crowd cylinder, piston end I believe. i’m going to attempt to replace all the hoses that go to
 
/ Hydraulic hose replacement
  • Thread Starter
#36  
Once a hose pops the pressure in the line normally drops
Pressure dies completely when I turn the motor off when I restart it it starts leaking again like it’s trying to build a pressure to the crowd cylinder
 
/ Hydraulic hose replacement #37  
I can't imagine the control lever stuck in place if it's been kept lubricated at the pivot points, but possible, I guess. I'd check that lever to make sure it is returning to center. If it does, sounds like replacing the hose(s) may be the easy part.

Sounds like the O-rings in that particular control valve are bad. If I looked at the correct control valve unit it is all one block with the 4 valves in it. It appears the control valve unit itself can be removed, so as to do a bench top repair. And looking at the exploded view, there's lots of pieces/ parts. And at looking at the parts list unless I missed it, didn't really see an O-ring kit for it, each are listed separate.

If you don't feel comfortable with taking it apart, I'm sure a good hydraulic repair shop could do the job and have the proper O-rings. Then there is the decision to be made whether to just do that one or do them all while it's out.

If you have a shop do it, parts won't be that bad but labor will be the big portion of the bill. I've changed a few hoses and rebuilt several cylinders on my Case backhoe but never got into the control valves. If you do decide to tackle it yourself, I'd advise to take LOTS of pictures with your phone, or digital camera when disassembling.

You've got some serious decisions to make before even thinking of replacing the hoses.
 
/ Hydraulic hose replacement
  • Thread Starter
#38  
I can't imagine the control lever stuck in place if it's been kept lubricated at the pivot points, but possible, I guess. I'd check that lever to make sure it is returning to center. If it does, sounds like replacing the hose(s) may be the easy part.

Sounds like the O-rings in that particular control valve are bad. If I looked at the correct control valve unit it is all one block with the 4 valves in it. It appears the control valve unit itself can be removed, so as to do a bench top repair. And looking at the exploded view, there's lots of pieces/ parts. And at looking at the parts list unless I missed it, didn't really see an O-ring kit for it, each are listed separate.

If you don't feel comfortable with taking it apart, I'm sure a good hydraulic repair shop could do the job and have the proper O-rings. Then there is the decision to be made whether to just do that one or do them all while it's out.

If you have a shop do it, parts won't be that bad but labor will be the big portion of the bill. I've changed a few hoses and rebuilt several cylinders on my Case backhoe but never got into the control valves. If you do decide to tackle it yourself, I'd advise to take LOTS of pictures with your phone, or digital camera when disassembling.

You've got some serious decisions to make before even thinking of replacing the hoses.
Maybe I don’t understand correctly each hose go to a valve ther are 12 hoses going to that manifold
 
/ Hydraulic hose replacement #39  
Correct. You have 4 main control levers/valves. Boom, crowd, bucket, swing. 2 small levers, one on each side for the outriggers/stabilizers. Each valve will have 2 hoses to put pressure to one side or the other of the 2-way cylinders, depending on which way you move the control lever. The same hose will act as a return line when you move the lever the other direction, returning oil to the main oil reservoir internally though that valve body. If you have a wood splitter, or any other attachment with a 2-way cylinder, think of a hose at each end of the cylinder to make the cylinder ram move in the direction you want it to move by pulling the control valve lever. Same thing, only you have a bank of 6 controls & levers.

You have one hose from the pump feeding that valve body, and a hose going out the other side to return to the oil reservoir. Oil from the pump side is moving through that valve body under pressure circulating back to the return side constantly. When you pull a lever, you're diverting that pressurized flow of oil to one end of the cylinder of the function you are performing, like when pulling the crowd lever. When pulling the crowd lever to pressurize one side of the cylinder, oil on the other side of the piston inside the cylinder is pushed back through the block via the hose at the other end of the cylinder to the return line though ports in the control valve.

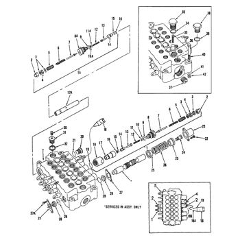
Below is an exploded view of a bank of 4 control valve similar to what you have. The main spool at the bottom of the pic with grooves is what diverts oil inside the block passing by those grooves, depending on what position you pull the control lever, so the grooves align with a port inside the valve body.

In your case, when you start the backhoe, and oil is coming out the hose, something inside that particular valve body is broken, or holding that spool valve open to divert oil to the hose that is leaking. I was thinking there may be O-rings on the main spool like some, but apparently, it's a machine fit with no O-rings. So, either a poppet, or a spring is broken, or a piece of debris like a piece of O-ring got lodged in a groove of the main spool is holding it open to allow oil to flow, pressurizing that particular hose. Merely speculating on what it could be.

All that to say just replacing that hose is not going to solve all of your problems. You have issues with that one particular control valve that is diverting oil to that cylinder. That will need to be addressed before making the backhoe operational again.

Just replacing the hose will make pressure deadhead against the pump, but "should" open the bypass valve to relieve pressure. I'd have to guess that happened anyway with pulling on the stump and when crowding, and it just stopped, it was bypassing oil. Old hoses will only take that so many times when coming up against maximum pressure until they burst.

Hope you can make heads or tails out of this.


1737029719211.png
 
/ Hydraulic hose replacement
  • Thread Starter
#40  
Correct. You have 4 main control levers/valves. Boom, crowd, bucket, swing. 2 small levers, one on each side for the outriggers/stabilizers. Each valve will have 2 hoses to put pressure to one side or the other of the 2-way cylinders, depending on which way you move the control lever. The same hose will act as a return line when you move the lever the other direction, returning oil to the main oil reservoir internally though that valve body. If you have a wood splitter, or any other attachment with a 2-way cylinder, think of a hose at each end of the cylinder to make the cylinder ram move in the direction you want it to move by pulling the control valve lever. Same thing, only you have a bank of 6 controls & levers.

You have one hose from the pump feeding that valve body, and a hose going out the other side to return to the oil reservoir. Oil from the pump side is moving through that valve body under pressure circulating back to the return side constantly. When you pull a lever, you're diverting that pressurized flow of oil to one end of the cylinder of the function you are performing, like when pulling the crowd lever. When pulling the crowd lever to pressurize one side of the cylinder, oil on the other side of the piston inside the cylinder is pushed back through the block via the hose at the other end of the cylinder to the return line though ports in the control valve.

Below is an exploded view of a bank of 4 control valve similar to what you have. The main spool at the bottom of the pic with grooves is what diverts oil inside the block passing by those grooves, depending on what position you pull the control lever, so the grooves align with a port inside the valve body.

In your case, when you start the backhoe, and oil is coming out the hose, something inside that particular valve body is broken, or holding that spool valve open to divert oil to the hose that is leaking. I was thinking there may be O-rings on the main spool like some, but apparently, it's a machine fit with no O-rings. So, either a poppet, or a spring is broken, or a piece of debris like a piece of O-ring got lodged in a groove of the main spool is holding it open to allow oil to flow, pressurizing that particular hose. Merely speculating on what it could be.

All that to say just replacing that hose is not going to solve all of your problems. You have issues with that one particular control valve that is diverting oil to that cylinder. That will need to be addressed before making the backhoe operational again.

Just replacing the hose will make pressure deadhead against the pump, but "should" open the bypass valve to relieve pressure. I'd have to guess that happened anyway with pulling on the stump and when crowding, and it just stopped, it was bypassing oil. Old hoses will only take that so many times when coming up against maximum pressure until they burst.

Hope you can make heads or tails out of this.


View attachment 2207237
Thank you for the explanation. Everything was working fine I thought I just blew the hose you’re saying I blew the valve at the same time forgive my ignorance I was afraid before just doing the hoses now I’m thinking of hiring . What would be a good price.
 

Marketplace Items

1988 Lufkin CM-320D-305-100 Road Runner Mobile T/A Oil Field Pumpjack (A60352)
1988 Lufkin...
Mini Metal Goat Statue (A55853)
Mini Metal Goat...
2019 CHEVROLET SILVERADO (A59823)
2019 CHEVROLET...
2016 16ft. C and S Lawhon 2.5 Ton Pipe Top T/A Utility Trailer (A60352)
2016 16ft. C and S...
FORKLIFT (A56857)
FORKLIFT (A56857)
(15) Polyethylene Road Bed Protection Pads (A60463)
(15) Polyethylene...
 
Top