Cidertom
Gold Member
- Joined
- Dec 14, 2005
- Messages
- 478
- Location
- Benton Co Oregon
- Tractor
- JD 4520, 2305 Aktive snow-trac ST4
Hi gang:
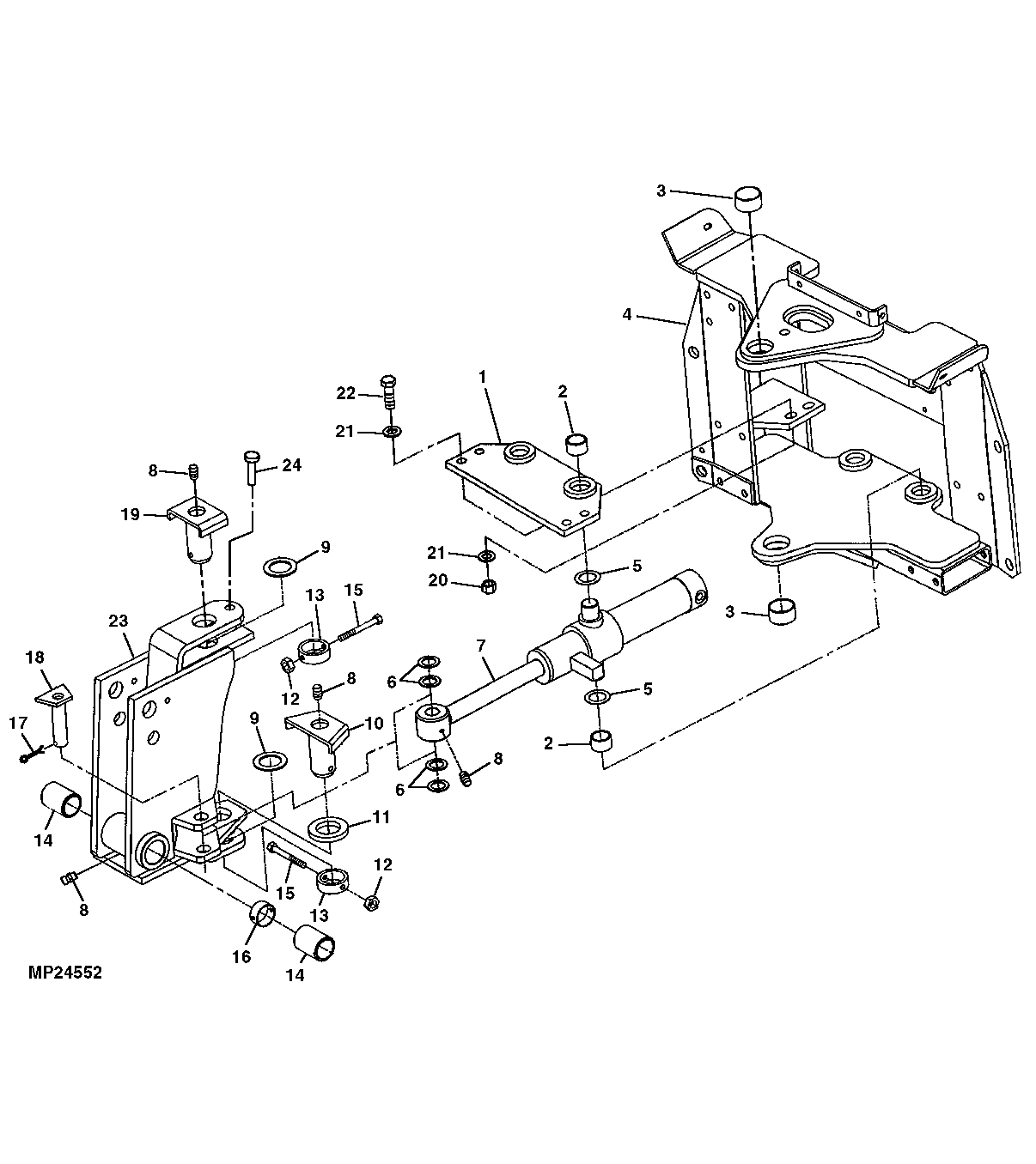
Lower pivot has become impossible to grease. I have removed the zerk and it is not the issue. Has anyone disassembled this pivot and can offer suggestions? I have been using JD grease, so hardening should not have been the issue, leaving me with a grease port / relief that has either twisted out of alignment or has had metal smeared across it.
I have tried unloading the weight using a jack, swinging full arc while pressurized, using a "super pressure" grease gun.
exploded view would help. I could buy the shop manual, but I don't know if that would help or not.
Thanks
Lower pivot has become impossible to grease. I have removed the zerk and it is not the issue. Has anyone disassembled this pivot and can offer suggestions? I have been using JD grease, so hardening should not have been the issue, leaving me with a grease port / relief that has either twisted out of alignment or has had metal smeared across it.
I have tried unloading the weight using a jack, swinging full arc while pressurized, using a "super pressure" grease gun.
exploded view would help. I could buy the shop manual, but I don't know if that would help or not.
Thanks