limitedwave
Member
Hi! After y'all correctly identified my problem with PTO not getting power (lever switch needed replacing) I've put a handful of hours on this fine machine. Occasionally the steering loses its assist power, and today the 3 pt dropped out as well - it went down and wouldn't come back up for a minute. I'm pretty sure from reading posts about it that I need to drain and replace the fluid and also check the filter screen. I did this maintenance on my last tractor no probs. I know I need to buy a service manual but for a lotta reasons I don't wanna drop another hundred bucks on something for the tractor if you read me. (give it a month or two and I'm on it) Meanwhile, I need to at a minimum add some hydraulic fluid surely.
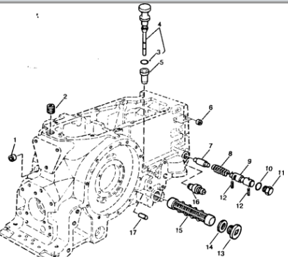
I was wondering if anyone could point me to the drain, fill, and filter areas. ? All I see in posts is diagrams of pumps and what not, people who already know where these things are and what to look for. I'm not a mechanic and have very occasional experience with stuff like this. I can tell what some of things are looking at the tractor, but not like you guys.
Also - the clutch side of the body seems to be having some fluid splashed out near the steering column. Picture attached. Perhaps part of this problem?
I was wondering if anyone could point me to the drain, fill, and filter areas. ? All I see in posts is diagrams of pumps and what not, people who already know where these things are and what to look for. I'm not a mechanic and have very occasional experience with stuff like this. I can tell what some of things are looking at the tractor, but not like you guys.
Also - the clutch side of the body seems to be having some fluid splashed out near the steering column. Picture attached. Perhaps part of this problem?
