YM180D transmission stuck in reverse!

/ YM180D transmission stuck in reverse! #1  

BC Dave

Silver Member
Joined
Feb 27, 2011
Messages
132
Location
Van - S Cariboo; BC
Tractor
Yanmar YM180D
In a pickle; help! ... Clutch, manual stick shift, 4 high low + reverse, YM180D is stuck in reverse and totally binding in 2nd to 4th gears will stall tractor. no neutral; seems like the shift lever moves all shift forks into 1st but still in reverse; no neutral, stuck in reverse, tractors on a nice neighbours property behind mound of fill, in the bush; lol?; looked inside the shift cover forks look fine from the top of shift plate access, shift plate was warren peened metal back into shape, so less warren but didn't fix issue. Suggestions on way to get gears back in the field?

I did get some good advice from Hoye / All States yanmar dpt ...
 
Last edited:
/ YM180D transmission stuck in reverse! #2  
YTOG Parts manual

1759370247431.png


1759370286470.png
 
/ YM180D transmission stuck in reverse!
  • Thread Starter
#4  
okee-dok! thanks for the diagrams ... but now to figure out; how and where, its stuck, bent or binding.
 
Last edited:
/ YM180D transmission stuck in reverse! #5  
When shifting gears do they all feel like they are actually moving forks or just detents? I'm wondering if a roll pin could have sheared or fell out and left a fork stranded in gear. Or, better yet, if you an see the forks with the top plate off - move the sliders with a screwdriver or prybar and see if reverse fork actually moves.

Aaron
 
/ YM180D transmission stuck in reverse!
  • Thread Starter
#6  
checked yesterday under shift plate; dents are moving; roll pins in place on dents, feels like there moving forks but maybe not; note, 1st / reverse dent seemed to have more play side to side and I could twist it and there was a larger gap (Abt 1/4") ....
Rear trany access plate is a chore and 1/2 to get off in the field, the seat, hydraulic lines and block is in the way all lines and block have to come off to access the last rear bolt, discovered after taking 8 of 9 off; 9th was hidden under debris under block (and 9s an odd number too! ah fun). Ill try to removing gear access plate this morning :L
 
Last edited:
/ YM180D transmission stuck in reverse! #7  
My guess and could be is Reverse shifter fork. My old ford was broke and the shop had to weld it back. Can you bull the PTO. and look inside. Broken piece of the shifter fork stuck in a gear. Piece of a bearing Etc.. The shop had to weld mine twice!! I broke it the 2nd. time. Easy to with a loader and weak brake.. Made sure that didn't happen again. Heard him tell them to well the !! out of it.;)
 
/ YM180D transmission stuck in reverse!
  • Thread Starter
#8  
ok found the problem; 1st / reverse shift fork was broken in 1/2, :L
Fished that out of the bottom of the transmission case with a magnet stick at 5 pm today, so now ID-ed the stuck in reverse issue;

Thanks Caryo63, Bmavrick and Aaron

Managed to get tractor home and under cover yesterday in a trailer; had to remove and reattach the rollover bar; that too was some cussing and sweating with a 600 ft lb 1/2" Dr. impact.

Yamy Tractor was hand winched onto the trailer. Luckily tractor is was on a bank facing the trailer backed into the bank, also found out if I lifted the front wheels off the ground with the bucket, with the angled transmission I could bump it out of reverse and traveling forward for a short distance (after lifting bucket) but then would bind or go into reverse again. So!

Ideas on where to get:
Preferably new 1st / reverse shift fork
2 gaskets one for shift box and one for tranny
hydraulic banjo copper crush washers and upper washer that I think were missing.

Also; Pointers on how to remove and replace shifter fork without splitting the tractor; this I could see being a bit of a challenge; as this fork is in the most inaccessible buried place in the gear train of the 3 forks and would need to be roll pined in place.

Also parts diagram of hydraulic banjo connection to confirm how many washers too...
 
Last edited:
/ YM180D transmission stuck in reverse! #9  
Can't help with the fork/gaskets , but banjo washers are usually in standard sizes (will be metric on Yanmar) but I always replace them with Dowty washers which I find seal much easier. (Also known as bonded seals) Copper or Dowty are available at all hydraulic stores or even online - Ebay, Amazon etc
 
/ YM180D transmission stuck in reverse! #10  
ok found the problem; 1st / reverse shift fork was broken in 1/2, :L
Fished that out of the bottom of the transmission case with a magnet stick at 5 pm today, so now ID-ed the stuck in reverse issue;

Thanks Caryo63, Bmavrick and Aaron

Managed to get tractor home and under cover yesterday in a trailer; had to remove and reattach the rollover bar; that too was some cussing and sweating with a 600 ft lb 1/2" Dr. impact.

Yamy Tractor was hand winched onto the trailer. Luckily tractor is was on a bank facing the trailer backed into the bank, also found out if I lifted the front wheels off the ground with the bucket, with the angled transmission I could bump it out of reverse and traveling forward for a short distance (after lifting bucket) but then would bind or go into reverse again. So!

Ideas on where to get:
Preferably new 1st / reverse shift fork
2 gaskets one for shift box and one for tranny
hydraulic banjo copper crush washers and upper washer that I think were missing.

Also; Pointers on how to remove and replace shifter fork without splitting the tractor; this I could see being a bit of a challenge; as this fork is in the most inaccessible buried place in the gear train of the 3 forks and would need to be roll pined in place.

Also parts diagram of hydraulic banjo connection to confirm how many washers too...
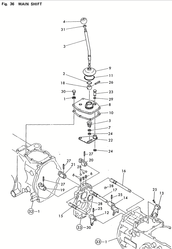
Compliments of the YTOG, see attached.

Areas of interest,
1759600399898.png


1759600363358.png


1759600324788.png


1759600448788.png


1759600479495.png


1759600524081.png
 

Attachments

  • YANMAR YM180 PARTS MANUAL 0CT10-M22901.pdf
    4.8 MB · Views: 92
/ YM180D transmission stuck in reverse!
  • Thread Starter
#11  
at first glance thats the best manual yet! Thanks!😁

(y)

Very tiered and sore from shoveling preparing water tank to get buried ... clear and cold freezing 0c i bet tonight worked till dark 7 pm
 
Last edited:
 
Top