Weak Loader Curl Possible Solution For the Max28

   / Weak Loader Curl Possible Solution For the Max28
  • Thread Starter
#21  
Reworking the cylinders; Re: Weak Loader Curl Possible Solution For the Max28

Sunday I ordered (4) #6 SAE to #4 JIC adapters from Surplus Center for the 1526L loader curl cylinders to adapt them to the Max28 hoses. I also got with a few other fitting and a 0-3000 psig pressure gage to replace the 5000 Psi gage. The 5000 psig gage I'll mount permanent on my L39 Kubota.

Today I machined the cross tubes to fit the ML205 loader. I will test fit the cylinders to verify that my stroke limiter dimensions are correct before I ask the shop to cut them. The Pin holes are 1" and the Pins are 25mm. I will probably line the cross tube bores with shim stock to take out the 1/64" extra play. The 40mm cylinders from the 1526L do not look much bigger than the 35mm OEM ML205 pieces, but the retract force increases 56%.

PS I looked over some tractors Saturday when I picked up my cylinders:
The Max26 curved loader uses smaller 20mm pins than my ML205 loader and the gussets are thinner by almost 50%. I do like the quick attach but not the other cost reductions. The ML205 itself is not really all that structurally stiff.

The eMax comes with a 25 L loader and a a 25 L S loader. The 25 L S loader is much better built with a 4 link bucket attach and heavier gussets. I actually like the 25L S loader better than the loaders on the Max24 or Max26.

People buying a new tractor might consider these aftermarket loaders, that are a cut above OEM
TA-54: Westendorf Front-End Tractor Loader
 

Attachments

  • 042506_1851 00 .jpg
    042506_1851 00 .jpg
    112.9 KB · Views: 364
  • 042506_2224 00 .jpg
    042506_2224 00 .jpg
    169.5 KB · Views: 360
  • DA Hyd. Cylinder Stop for Max28.JPG
    DA Hyd. Cylinder Stop for Max28.JPG
    168.4 KB · Views: 390
Last edited:
   / Weak Loader Curl Possible Solution For the Max28
  • Thread Starter
#22  
New cylinders Fit-up Check Re: Weak Loader Curl Solution For the Max28 AML205 Loader

I fitted my new cylinders to check chat I need to do to limit stroke.

The New cylinders retract 6mm more and extend 22 mm more.

The extended length is the problem as the extra small amount of retract actually helps retain stuff in the bucket at low lift height. I suppose it is too much to except a self leveling bucket on an inexpensive little tractor.

I needed to rethink the internal stroke limiter. I am glad I took the cylinder apart before I asked the shop where I work to make up the stroke limiters. It will be at least a week to get them made. It is tough to get favors in a production shop.

In the pictures it is hard to tell the 50MM OD cylinders from the 45 MM OD Cylinders, even though the piston area is larger by 56%
 

Attachments

  • P1030787.JPG
    P1030787.JPG
    2.9 MB · Views: 477
  • P1030783.JPG
    P1030783.JPG
    4.2 MB · Views: 399
  • P1030785.JPG
    P1030785.JPG
    3.9 MB · Views: 459
  • P1030786.JPG
    P1030786.JPG
    3.5 MB · Views: 3,255
  • P1030789.JPG
    P1030789.JPG
    3.5 MB · Views: 416
  • P1030791.JPG
    P1030791.JPG
    3.5 MB · Views: 418
  • P1030790.JPG
    P1030790.JPG
    3.2 MB · Views: 488
  • P1030784.JPG
    P1030784.JPG
    3.6 MB · Views: 462
  • P1030788.JPG
    P1030788.JPG
    3.7 MB · Views: 421
  • DA Hyd. Cyl. Ret. Stop for Max28.JPG
    DA Hyd. Cyl. Ret. Stop for Max28.JPG
    180.7 KB · Views: 369
  • Mahindra Loader AML205 Bobus Rating..JPG
    Mahindra Loader AML205 Bobus Rating..JPG
    193.6 KB · Views: 621
   / Weak Loader Curl Possible Solution For the Max28 #23  
Maybe I missed it? but I assume the new 1526 cylinders have the same 25mm rod size?
 
   / Weak Loader Curl Possible Solution For the Max28 #24  
466465d1461811118-weak-loader-curl-possible-solution-p1030786-jpg


I am going to invoke my soothsaying powers and predict that an abundance of scratches and dents in your hood will be forthcoming.

As I say, so shall it be.
 
   / Weak Loader Curl Possible Solution For the Max28 #25  
OK I see that there is very little difference between the two cylinders (cylinder barrels) as far as size/diameter is concerned.

1. how much did you have to remove from the (rod eye) to get it to slip comfortably on the hangars mounted to the loader/bucket? I see you did it the proper way and milled it. I would have used a belt sander and or a flap disc on a grinder to get it to fit; I do not own a mill....

2. I am guessing that once you slipped the cylinder in place, you checked to see 'how much slop developed'- this is magnified as I assume both rod ends are a bit shy of being a perfect fit. I am a perplexed as to what you are going to use to shim the differences in diameter. (bit of copper pipe to encapsulate the bolt maybe)?

As far as the PIC's go, they speak volumes in regards to fit and finish! thanks for sharing them!

I am having a hard time grasping at what issue you are having with "internal stroke limiter"? From the pictures it looks like there are 'no areas during full cylinder cycle that are binding up'. The dimensions between the two "old and new cylinders" seem very close to identical; referencing a picture you posted with both sitting side by side to one another.

I am as excited as you are to see the results of the modification.
 
   / Weak Loader Curl Possible Solution For the Max28 #26  
I thought skid steer type loaders were the norm now. No?
 
   / Weak Loader Curl Possible Solution For the Max28 #27  
I thought skid steer type loaders were the norm now. No?

They seem to be the norm now, but this model however- did not come factory with the type you describe.


////////////////////////

OldPilgrim

From the factory, if I curl my loader and raise it to full height it will bathe me with some its contents. He was cycling it to see its movement throughout its full motion. Does yours not do the same :)
 
   / Weak Loader Curl Possible Solution For the Max28 #28  
They seem to be the norm now, but this model however- did not come factory with the type you describe.


////////////////////////

OldPilgrim

From the factory, if I curl my loader and raise it to full height it will bathe me with some its contents. He was cycling it to see its movement throughout its full motion. Does yours not do the same :)

I don't think it will tip that far back as the ssqa 'tool carrier' changes the dump/curl angle a bit.
 
   / Weak Loader Curl Possible Solution For the Max28
  • Thread Starter
#29  
I see that there is very little difference between the two cylinders (cylinder barrels) as far as size/diameter is concerned.

You are correct as it is hard to see 5mm or .197" increase in diameter however:
Math says (40^2-25^2)/(35^2-25^2)=1.56 or 56%

1. how much did you have to remove from the (rod eye) to get it to slip comfortably on the hangars mounted to the loader/bucket? I see you did it the proper way and milled it. I would have used a belt sander and or a flap disc on a grinder to get it to fit; I do not own a mill....

I'd use a good hack saw, you need to take off 5.5-6mm per side. I actually had to go caveman as I did not quite mill enough off. The grommet on the loaded that fits the cross tube extends inward about 0.030" from the flange When I ground and belt sanded I used a carpenter square to keep it looking right.

2. I am guessing that once you slipped the cylinder in place, you checked to see 'how much slop developed'- this is magnified as I assume both rod ends are a bit shy of being a perfect fit. I am a perplexed as to what you are going to use to shim the differences in diameter. (bit of copper pipe to encapsulate the bolt maybe)?
)
Pins actually fits good enough, I would slip in some 0.006" thick stainless shim stock to take out the little bit of play (If I manage to fit it in there.)

As far as the PIC's go, they speak volumes in regards to fit and finish! thanks for sharing them!
Thanks, Doing same on my L39 is going to be tough, I'll use the Max to handle the 600 Lb Bucket.

I am having a hard time grasping at what issue you are having with "internal stroke limiter"? From the pictures it looks like there are 'no areas during full cylinder cycle that are binding up'. The dimensions between the two "old and new cylinders" seem very close to identical; referencing a picture you posted with both sitting side by side to one another.

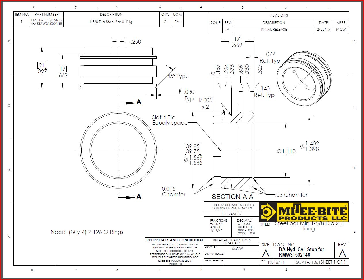
Please see attachment, the spool is to reduce the extension of the rod travel approximately 22mm.

I am as excited as you are to see the results of the modification.[/QUOTE]
 

Attachments

  • Intenal Extension Stop.JPG
    Intenal Extension Stop.JPG
    41.4 KB · Views: 330
  • DA Hyd. Cyl. Ret. Stop for Max28.JPG
    DA Hyd. Cyl. Ret. Stop for Max28.JPG
    180.7 KB · Views: 309
  • Mahindra Loader AML205 Bobus Rating..JPG
    Mahindra Loader AML205 Bobus Rating..JPG
    193.6 KB · Views: 292
Last edited:
   / Weak Loader Curl Possible Solution For the Max28
  • Thread Starter
#30  
I don't think it will tip that far back as the ssqa 'tool carrier' changes the dump/curl angle a bit.

As I am coming up on my 100 hour nit pick report, I'll make sure not having a ssqa is on the list.

It really does not matter as my grapple weighs +700 Lbs and I do not have hydraulics remotes front or rear on the Max.
 
Last edited:
   / Weak Loader Curl Possible Solution For the Max28
  • Thread Starter
#31  
Maybe I missed it? but I assume the new 1526 cylinders have the same 25mm rod size?

Correct, 25mm rod.

JUST FYI Some of my Fit up Photos are with the OEM Max28 Cylinders, some are with the 40mm 1526L Cylinders
 
   / Weak Loader Curl Possible Solution For the Max28
  • Thread Starter
#32  
466465d1461811118-weak-loader-curl-possible-solution-p1030786-jpg


I am going to invoke my soothsaying powers and predict that an abundance of scratches and dents in your hood will be forthcoming.

As I say, so shall it be.

My L39 Has a nice self leveling bucket, and I still managed to drop a few small rocks on the hood, so I expect it will be a bad day when that happens to the Max.
 
   / Weak Loader Curl Possible Solution For the Max28 #33  
Your math is just a tad off.

Use radius squared not diameter. It's really about 62.5%.

But in reality, it will amount to a tad more power than just 62%. Let me explain.

The smaller cylinder has .73 sq inches on retract side, large one has 1.19.

Two cylinders and 2200psi give you cylinder forces of....

3212# for the 35mm cyls and 5236 for the 40mm cylinders.

But it takes a given force just to hold the empty weight of the bucket, and attachments. Let's say a total of 400# of the cylinders' force is just for the empty weight.

So, the percent gain would look more like (5236-400)/(3212-400)...or....about 72% net gain.

400# is just a guess though. Probably less. And not as provellant on the curl, cause when empty there is little force required. But when dealing with lift cylinder upgrades, it's an important consideration, cause the empty loader takes a given force to lift/hold. Must be factored out. upsizing the cylinder don't make it require any more force to lift the loader empty.

I actually like to figure it at the psi level with a gauge. IE....

I know my loader takes 600psi just to lift/hold an empty bucket. Pressure spec is 2400psi. I adjusted my relief to 2600psi. So one would think I gained (2600/2400)....8% lift. But that's wrong. Because at 2400psi, I have 1800 psi available to lift material. So the correct percent would be 2000/1800....11%.

I hope I didn't lose you
 
   / Weak Loader Curl Possible Solution For the Max28
  • Thread Starter
#34  
When comparing ratios diameter or radius, both are common denominators. 62.5% is correct, I was going from my foggy old memory.

To calculate the total force you need Pi/4
Your correct on the bucket weight.
I have a spread spreadsheet I developed that takes into account loader ((applies to lift cylinders only) & bucket weight and factors all that out. To lift front edge of bucket on this little thing is about 100 lbs. or so, 72% is a bit high. It takes about 250 PSI to hold the loader with the Max. l
Less the Chassis frame attachment part, the loader and bucket weigh less than 450 lbs., including the 40 lbs. of extra stuff welded to the bucket.

PM me and I'll e-mail anyone the Excel spreadsheet.
 
   / Weak Loader Curl Possible Solution For the Max28
  • Thread Starter
#35  
   / Weak Loader Curl Possible Solution For the Max28
  • Thread Starter
#36  
Oops!: Weak Loader Curl Possible Solution For the Max28

The Adapter Fittings I needed are JIC #5/16 1/2-20 to SAE ORB #6 3/6 9/16-18 Straights.

Just try to find this oddball!

I did, see attachment Phone Number and info at bottom of photo. (Hydraulic Direct)
Great prices on the fittings Freight is bad, but lease i do not need to have new hoses made up. This will set me back a week.
I ordered the wrong fittings from Surplus Center. JIC #4 1/4 7/16- 20 to SAE #6 3/6 9/16-18 Straights. Surplus Center an all the supply catalogs do not list the JIC#5's to SAE anything.

PS two layers of this stuff is what i lined the Pin hole Bores to take out slop going from 1" holes to 25mm pins.
TapeCase 2" width x 3yd length (1 roll), Converted from 3M 3361 Silver High Temperature Stainless Steel/Acrylic Adhesive Foil Tape: Amazon.com: Industrial & Scientific
 

Attachments

  • Hydraulics Direct _1.JPG
    Hydraulics Direct _1.JPG
    46.6 KB · Views: 354
Last edited:
   / Weak Loader Curl Possible Solution For the Max28
  • Thread Starter
#37  
Nor More Weak Loader Curl For the Max28

Ah done! Yes, the curl speed is slower but not painfully slow. and For a quick test i drive the tractor as far as i could into a pile of crushed stone. The lift cylinders were in relief trying to lift the bucket out. Normally the curl would be useless, Id have to back up out of the pile and then lift.
Now the curl just breaks out and scoops. It is the way a loader should behave.

Installation went well, as I have a decent place to work and tools.
The 1526 Cylinders are well built and clean inside.
 

Attachments

  • P1030833.JPG
    P1030833.JPG
    1.6 MB · Views: 382
  • P1030832.JPG
    P1030832.JPG
    1.8 MB · Views: 353
  • P1030835.JPG
    P1030835.JPG
    2.4 MB · Views: 341
  • P1030838.JPG
    P1030838.JPG
    1.6 MB · Views: 401
  • P1030839.JPG
    P1030839.JPG
    1.3 MB · Views: 354
  • P1030843.JPG
    P1030843.JPG
    2 MB · Views: 338
  • P1030842.JPG
    P1030842.JPG
    905.5 KB · Views: 333
  • P1030840.JPG
    P1030840.JPG
    1.1 MB · Views: 375
  • P1030845.JPG
    P1030845.JPG
    1.4 MB · Views: 348
  • P1030847.JPG
    P1030847.JPG
    2.5 MB · Views: 365
  • P1030849.JPG
    P1030849.JPG
    2.6 MB · Views: 389
  • P1030848.JPG
    P1030848.JPG
    2.7 MB · Views: 522
   / Weak Loader Curl Possible Solution For the Max28 #38  
Well that is a fantastic install. Looks factory to boot! Glad to hear that you were successful with the modification.

I have never torn apart a hydraulic Cylinder like the one in your pic's, I have years ago; rebuilt aircraft tripod jacks while in the military. I would be willing to follow suit but am skittish as you had to mfg. a hydraulic cylinder stop to use the new cylinders, I do not have access to the same folks who you know that built that for you. Other than that- it seems as though all other hurdles were accomplished with 'Off the shelf items'. Perhaps I will see just how much it would cost to fabricate that piece locally.

Thanks for sharing with us all your improved design.
 
   / Weak Loader Curl Possible Solution For the Max28
  • Thread Starter
#39  
Re: Weak Loader Curl Solution For the Max28

Well that is a fantastic install. Looks factory to boot! Glad to hear that you were successful with the modification.

I have never torn apart a hydraulic Cylinder like the one in your pic's, I have years ago; rebuilt aircraft tripod jacks while in the military. I would be willing to follow suit but am skittish as you had to mfg. a hydraulic cylinder stop to use the new cylinders, I do not have access to the same folks who you know that built that for you. Other than that- it seems as though all other hurdles were accomplished with 'Off the shelf items'. Perhaps I will see just how much it would cost to fabricate that piece locally.

Thanks for sharing with us all your improved design.

One thing I've noticed In the +2 hours I've put on the Max28 since the 40mm Curl cylinders were added is the Regen circuit on the dump sure does fight itself more with the ratio of the extend to retract areas changed. To avoid loading up the pump, I just go to the detent in the dump cycle, not full dump. Slow but most times a slow dump is better at putting material where you want it than a fast dump. Going to regen probably does not hurt anything, it is just harder and longer with the bigger cylinders. On a hot summer day working the loader hard, I suspect the oil will heat up.
The Cylinders on my L39 and excavator heat up, as they should as their oil pumps are 3X and 7X the capacity on the Max28's

If anyone needs machine work, I suggest going to your local Vocational Trade School and speaking with an instructor regarding your project.

Back when I lifted the Sears LT1000 lawn tractor, the 35mm cylinders were just up to the task, I figure the lawn tractor weighs between 400-450 Lbs.
With the 40 mm cylinders, I moved my Landpride 15-84 box blade and did not have a problem. It weighs about 550 lbs. I think the maximum pallet capacity would be almost 900 Lbs. with this setup.
So I did not have to walk the excavator a distance to load some rock in the L39 bucket, I used the L39's BH to load rock on the Max28 to move the rocks to the excavator, where I'm doing some wall repair.
I'm glad I have 700Lbs of counter weight on the Max28. The concrete CW has a bit of metal cast inside. (see photo)

The Max28 has plenty of Lift Cylinder for its size. Up sizing the Lift cylinders would severely overload the front axle, powers steering and the loader in general.
The strength of the loader function seems nicely balanced now. Its stronger than just about any other small tractor.
 

Attachments

  • P1030851.JPG
    P1030851.JPG
    3.2 MB · Views: 404
  • P1030852.JPG
    P1030852.JPG
    2.7 MB · Views: 345
  • P1030850.JPG
    P1030850.JPG
    3.2 MB · Views: 358
  • P1030779.JPG
    P1030779.JPG
    3.9 MB · Views: 337
  • P1030500.jpg
    P1030500.jpg
    708.2 KB · Views: 488
  • P1030296.JPG
    P1030296.JPG
    2 MB · Views: 324
  • P1030754.JPG
    P1030754.JPG
    4.5 MB · Views: 512
Last edited:
   / Weak Loader Curl Possible Solution For the Max28
  • Thread Starter
#40  
Making a weld shop.

I'm preparing an area in my equipment building for a weld shop. To move this 475 Lb. steel table I could have put in on a dolly to get it out of the building. Or I could have craned it out with the L39's BH. But this is just what a good small tractor is for. The table top is 84" x 18" x 3/4" thk. and the bottom shelf is 74 X 14 x 1/2" thk.
Just out of curiosity, I measured lift point to loader pivot pin distance at 60". As I have a pressure gauge mounted on the loader control, I measured what pressure was needed to lift using the lift arm cylinders. It took near 2000 PSI. But using the bigger 40mm curl cylinders it took about 1300 Psi to curl.

The OEM 35 mm curl cylinders would have been maxed out, if they even could curl that much of a cantilevered load.

The power steering was taxed to turn the wheels if not moving even on the shop floor.

I figure the table was the equal of 1000 lbs in the bucket.
 

Attachments

  • P1030858.JPG
    P1030858.JPG
    2.5 MB · Views: 341
  • P1030859.JPG
    P1030859.JPG
    2.3 MB · Views: 298
Last edited:

Tractor & Equipment Auctions

2018 FREIGHTLINER CASCADIA TANDEM AXLE SLEEPER (A59905)
2018 FREIGHTLINER...
2014 Chevrolet Express 3500 Cargo Van (A55852)
2014 Chevrolet...
2022 Greenworks CU400W Commercial Work Utility Vehicle DEMO UNIT (A56438)
2022 Greenworks...
Sakai SW354 (A60462)
Sakai SW354 (A60462)
2016 FORD TRANSIT T250 CARGO VAN (A59905)
2016 FORD TRANSIT...
2012 NISSAN 110 FORKLIFT (A55745)
2012 NISSAN 110...
 
Top