since that last posting I've probably done a half dozen more rowcrops..

wide front ends and narrow fronts, dual wheel and single wheel.
i can post some pics of a 4000 I did with ford factory wide front to gige you an idea of what it looks like. I also did a 950 narrow front and a 740 narrow front.
if you have any specific questions, ask em.. probbaly easier to answer specific, than talk in general.
I will say that if you have play in the steering box at the op platform.. get it all adjusted and worked on before putting the tin back on and air cleaner and battery box, etc.. as the row crop steering box at the op platform ( there is a sterring box int he front pedistal too ), is very different from the ag model. it actually has an external thrust bearing adjustment for one thing.. but to get at it.. the bat/tray is in the way..
I find the extra height on the row crops makes them easier to work on, for me anyway. with frame rails you have more to support hem with if you work on the front end..e tc..
also.. just the regular stuff.. make sure you have the fuel system in order, and resist the urge to go to a rubber line for fuel near the manifold.. .. brake line is easy to bend up and cheap.. etc.
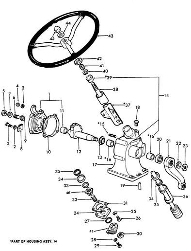
here are a bunch of pics. i do reccomend a bumper.. I made one from a repop ag model bumper, and welded a mount palte on it to mount to the front bolt pattern on the pedistal.. ther eis an oil drain plug on the bedistal.. so leave an access hole for it. also.. the drain plug will be an inverted plug usually.. i hate em and convert to a square headed plug... otherwise once they wear.. they are hard to remove.
ditto on thelil plugs on the rear drop box oil pans on the bull gears.. save yerself some grief and go with new plugs.. and put thread goop on them so you don't have to overtightent hem to stop leaks... saves hassel next time you service them.
ask any question ya got.. if I know the answer I'll post it..
