TS254C 3 point lift problem

/ TS254C 3 point lift problem #1  

sjb

Bronze Member
Joined
May 10, 2005
Messages
57
I have a Kama TS254C and am having a problem with the 3 point hitch not raising.

With the cover off of the liftbox, and the tractor running, fluid is running out of the valve from the hole just above the inlet tube. This does not change no matter where I put the lift lever.

This hole connects to what is called the "spill valve" in my parts manual.

I took the valve apart, and found nothing obviously wrong. I reassembled the valve, with new o-rings, and the lift worked 2 or 3 times and then stopped working again.

One thing that I noticed when I took the valve apart, was that the smaller "spool" in the spill valve sleave fit very tightly. The machined surface on the outside of this "spool" looked good, I did not see any gouges or burs. The inside of the sleave also seemed smooth.

I don't understand what this "spill valve" really does. nothing connects to the "spool" in question. Does hydraulic pressure make it move?

If anyone has had one of these valves apart please let me know how tight these piece should fit.

For lack of anything better to try, I was going to replace the sleave and 2 spools in the spill valve. Unfortunately, the valve in my tractor is not exactly the same as the one shown in the parts manual that came with the tractor, so I doubt that the part numbers shown are correct.

I have read postings here that have stated that the lift box in the Kama TS254 is the same as the one used in the 300 series Jinma. Pictures and diagrams that I have seen online for the Jinmas, certainly look like my liftbox.

Can anyone verify that the parts from the 300 series Jinma will fit in the Kama liftbox. I do not want to order parts that will not work.

Stan
 
/ TS254C 3 point lift problem #2  
sjb said:
I have a Kama TS254C and am having a problem with the 3 point hitch not raising.

With the cover off of the liftbox, and the tractor running, fluid is running out of the valve from the hole just above the inlet tube. This does not change no matter where I put the lift lever.

This hole connects to what is called the "spill valve" in my parts manual.

Well I will take a stab. Let me preface this by saying I have no specific knowledge of how your tractor is configured, I have a jinma, but I have worked around quite a few different machines over the years. Your observations above tell me a few things from a standpoint that many of these simpler tractors work on very similar principals and designs. The 3PH lift valve is usually at the end of the open center hydraulic line. Since an open center system must always flow, fluid comming from the port behind the 3PH valve(inside the reservoir) would be normal in the hold/neutral and lower positions. When you shift to the raise position, this flow should stop as the fluid should be diverted by the valve to the end of the cylinder to lift the 3PH. The observation of fluid continuing to come from this hole when you try and raise the 3PH suggests one of two things to me.

1. The safety relief associated with this valve, possibly the "spill" valve you mentioned(spills excess pressure) is stuck open. Fluid will take the path of least resistance so if it has the choice of going thru an open valve to the reservoir or building pressure to force the 3PH upward, it will take the open valve.

2. There is a restriction between the spool valve pressure outlet and the 3PH cylinder inlet. When you try and lift the 3PH, the fluid can't flow that way so it builds pressure and opens the safety and continues to flow to the reservoir. Does the spool valve make any additional noise(wooshing sound) when you try and raise the 3PH? Most of these 3PH systems have a speed regulating valve between the 3PH control valve and the 3PH cylinder. If this valve was closed or otherwise blocked, this could cause this problem.

Another possibility is that the spool could have experienced an internal crack or flaw that is allowing fluid to bypass the safety and go back to the tank, or the linkage assembly that moves the spool is not moving it fully to the raise position to divert the fluid to the 3PH cylinder.


sjb said:
I took the valve apart, and found nothing obviously wrong. I reassembled the valve, with new o-rings, and the lift worked 2 or 3 times and then stopped working again.

That is weird...

sjb said:
One thing that I noticed when I took the valve apart, was that the smaller "spool" in the spill valve sleave fit very tightly. The machined surface on the outside of this "spool" looked good, I did not see any gouges or burs. The inside of the sleave also seemed smooth. ?

The spool should fit pretty tight with the bore. This tight fit is to keep the pressurized fluid in it's proper places without allowing too much crossflow between the internal galleries, yet still allow the spool to move to direct the fluid flow. I have seen small flecks of brass and aluminum stiffen/jam up a spool when the get wedged between spool and bore. The softer metal usually gets squished and smeared between spool and bore.

sjb said:
I don't understand what this "spill valve" really does. nothing connects to the "spool" in question. Does hydraulic pressure make it move?

Well if it is the safety, then it is pressure activated. If it is like most I have seen, it is a mushroom or cone shaped affair held down against a valve seat with a spring. When the pressure below the seat pushing on the cone or mushroom surface exceeds the spring tension, fluid flows around the cone/mushroom into another side gallery(and back to the reservoir). Some pics of your system or a link to a parts diagram might help me to confirm if the way I am thinking is correct for your valve.

Good Luck
 
/ TS254C 3 point lift problem #3  
Ron has some good points, I'll try to add. If it is the PR valve, the oil will spray out above the oil level in the lift box. (messy). Oil flow from the lower front of the valve block is normal return for the open center system as Ron mentioned.

This lift box has both position and lift control. both levers move cams at the rear of the lift box. The cam pushes against the valve plunger on the rear of the valve to divert flow into or out of the lift piston. Be sure you are only trying to control the lift with the position lever, the short one closer to the seat.

There are two additional valves to consider. (although since it worked and then stopped, their impact here is questionable). One is controlled by a knob on the front of the lift box that controls the flow of oil out of the cylinder to slow the "drop" of heavy attachments. The other is controlled by a hex head "bolt" near the aux output on the left side of teh box (near a 90deg. elbo that is capped). this valve when closed diverts fluid from the lift cylinder to the capped port. Both of these valves are closed by turning in the knob or bolt clockwise. But when you turn the knob or bolt counterclockwise you do not physically open the valve, rather you cease to hold the plunder in the closed position allowing hydraulic pressure to push the plunger back against the threaded rod that is attached to the knob or bolt.

I have seen these stick on some tractors. open each valve by turning the knob or hex bolt counterclockwise a few turns and after running the tractor, the plungers should be out against the stop. If not, the plunger might be stuck, try to pull it out from the block with some pliers.

Hope this is of some help. If the valve is bad, it will need replacing. we have it in stock.
 
/ TS254C 3 point lift problem
  • Thread Starter
#4  
Ron, Chip,

Thanks for the replies.

I don't think that this spill valve is a pressure relief valve. As chip mentioned there is a separate relief valve that vents above the fluid level.

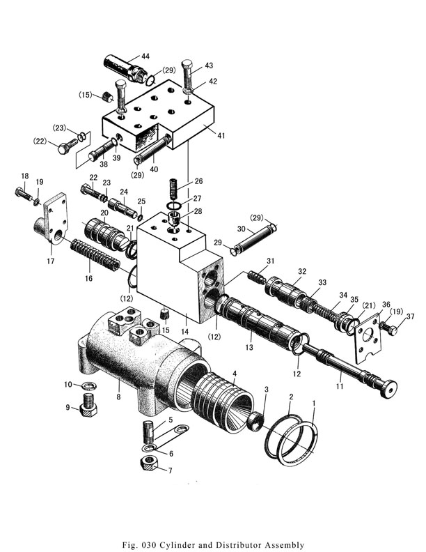
I have attached a diagram of a valve that looks thesame as mine.

Item 31 is the part that I think fits too tightly. I had to use a brass punch to tap it out of the sleave when I took it apart. After I reinstalled it into the sleave I was able to move it, but I had to push pretty hard. Of course this may have nothing to do with my problem.

I do not think that it is related to th edraft control, as the spool ( item 11 ) seems to move through it's full range of travel when I move the lift handle.

The valve that diverts the flow is open, and the knob at the front, that set the rate of drop has been backed out pretty far. Neither of these have changed the problem.

My plan is to tear it apart again over the weekend. Hopefully I wil find something that I missed. If not I guess I will have to get a new valve.


Stan
 

Attachments

  • valve.jpg
    valve.jpg
    93.3 KB · Views: 552
/ TS254C 3 point lift problem #5  
I had a problem a short time ago. On my 304 Jinma. 3 PH would not lift. The Jam nut on the Link Arm that attaches to the Draft Response Push Rod had backed off. Allowing the push rod to get out of adjustment. It would not let the main control valve close.

Started the tractor with the 3ph lever in the raised position and adjusted the push rod until the 3ph raised to the full up position and set the jam nut. Works as advertised. Easy fix. Later Art
 
 
Top