Three Point Hitch Will not Lower

/ Three Point Hitch Will not Lower #1  

stephenson

New member
Joined
Mar 23, 2009
Messages
12
JD 4310 ...

Up on the rockshaft control lever works great - the up/down speed selector is is fastest position and up movement confirms.

When left in the down position overnight, the pressure slowly bleeds and the hitch lowers ... my understanding is that there is no pressure down, only bleeding pressure from holding it up - it has been probably three years since I used the rockshaft control or the three point hitch.

So ... any ideas?

Thanks in advance!

George
 
/ Three Point Hitch Will not Lower #2  
JD 4310 ...

Up on the rockshaft control lever works great - the up/down speed selector is is fastest position and up movement confirms.

When left in the down position overnight, the pressure slowly bleeds and the hitch lowers ... my understanding is that there is no pressure down, only bleeding pressure from holding it up - it has been probably three years since I used the rockshaft control or the three point hitch.

what happens when the "speed selector" is at the other end (ie "slow")?

Aaron Z
 
/ Three Point Hitch Will not Lower #4  
Three years? Might be that the cylinder inside has a bit of rust. Working it might clear it up some, but the Oring might be damaged. Put some weight on it and work it a while, or pull the top off and give it a good cleaning. be sure to raise it all the way up before pulling it, the piston will be easier to take out.
 
/ Three Point Hitch Will not Lower
  • Thread Starter
#5  
Thanks to everyone - gonna put a finish mower on it today and check and see if the weight helps move piston back and forth faster ... I had set lever to lowest position last night and this morning the three point hitch is still not quite at the bottom of the movement range.

Hopefully the weight will assist in breaking loose the rust, 0-ring, etc - that would be best outcome for sure.

George
 
/ Three Point Hitch Will not Lower #6  
JD 4310 ...

Up on the rockshaft control lever works great - the up/down speed selector is is fastest position and up movement confirms.

When left in the down position overnight, the pressure slowly bleeds and the hitch lowers ... my understanding is that there is no pressure down, only bleeding pressure from holding it up - it has been probably three years since I used the rockshaft control or the three point hitch.

So ... any ideas?

Thanks in advance!

George

If I understand your question correctly, you leave the lift arms in the up position and in several hours they are in the down position. That sounds pretty normal to me. When you shut down the engine, the only thing holding the arms up is the trapped pressure in the lift cylinder reacting out the weight of the hitch system. When the pressure leaks down to less then the pressure required to react out the weight of the three point hitch system, the hitch starts to drop.There's no such thing as a leakproof hydraulic system and some are leakier than others. So eventually the arms drift down. The heavier the load (like an implement attached to the three point) the faster they leak down.
 
/ Three Point Hitch Will not Lower #7  
Also the rate-of-drop valve (the knob under the seat) has been known to stick on those models...Might need to remove it and clean it.
 
/ Three Point Hitch Will not Lower #8  
I found the same problem with my Hesston Ag tractor. running the knob in and out a few times seemed to loosen what ever was causing it to be slow...........

Are those things generally some kind of needle valve? I would imagine some watr in the gear case might freeze up the nozzle some and cause a problem.... me thinks that may be what my issue was.

as I said, I twisted the knob in and out a couple times and it seemed to clear up the issue.
 
/ Three Point Hitch Will not Lower
  • Thread Starter
#9  
I put the finish mower on it today and it works great coming up - but, when selector put in down position, it does not lower, but rather bleeds down over a period of an hour or so.

I have spun the speed of lift selector valve in and out many, many times and have left it in the position where is would move up and down fastest.

So, given this - should I remove and clean the speed of lift/lower valve first, then move to the up/down selector valve?
 
/ Three Point Hitch Will not Lower #10  
I put the finish mower on it today and it works great coming up - but, when selector put in down position, it does not lower, but rather bleeds down over a period of an hour or so.

I have spun the speed of lift selector valve in and out many, many times and have left it in the position where is would move up and down fastest.

So, given this - should I remove and clean the speed of lift/lower valve first, then move to the up/down selector valve?

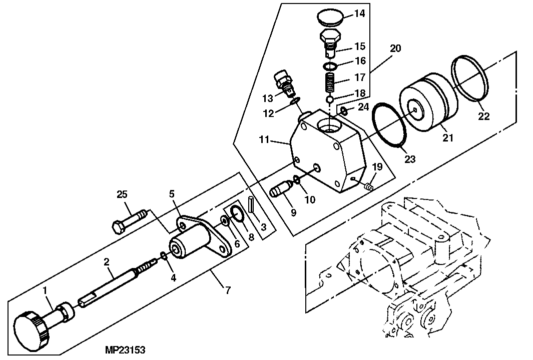
Yes, I would remove the ROD valve. Part #9 is the "valve" that could be sticking.
 

Attachments

  • MP23153________UN27JUN00.gif
    MP23153________UN27JUN00.gif
    18.1 KB · Views: 339
/ Three Point Hitch Will not Lower
  • Thread Starter
#11  
Thanks, kennyd ...

Any tips on removal - best way to access, etc?

Pull the relief valve first?

How much fluid should I plan on losing?

Need to replace any orings or just check everything well?

Thanks!!
 
/ Three Point Hitch Will not Lower #12  
Remove the 2 #25 bolts. Very little if any fluid will be lost.
 
/ Three Point Hitch Will not Lower #13  
My 3pt arms will stay up for a week without anything on them. :cool:
 
/ Three Point Hitch Will not Lower
  • Thread Starter
#14  
kennyd,

I saw another like model experience you consulted on at: http://www.tractorbynet.com/forums/hydraulics/129194-jd4300-3-point-hitch-wont.html

Seems pretty straightforward - I'll give it a shot and see what happens - probably won't get to it for a day or two , though.

Willl, issue is not them lowering when in up, but rather, the 3ph not going down, even with weight on it in a manner for normal use - mine only barely bleeds down ... sounds like a stuck valve per kennyd's notes.

Thanks, again - really appreciate the help.
 
/ Three Point Hitch Will not Lower
  • Thread Starter
#15  
Would like to update with substantive news, but I have been unable to get the left hand bolt out!

I do a LOT of automotive mechanic'ing, but this one is driving me nuts - may end up having to remove all the linkages to even get to the bolt head. I stripped the head using the correct size socket! I used at least 100 pound feet and it didn't budge prior to stripping.

Can even get vice grips on it ...

More tomorrow .... aarrrrghhh.
 
 
Top