dclt736
Bronze Member
- Joined
- Jun 25, 2018
- Messages
- 53
- Location
- Oxford Mills, Ontario, Canada
- Tractor
- Banson 6530C, John Deere 1120
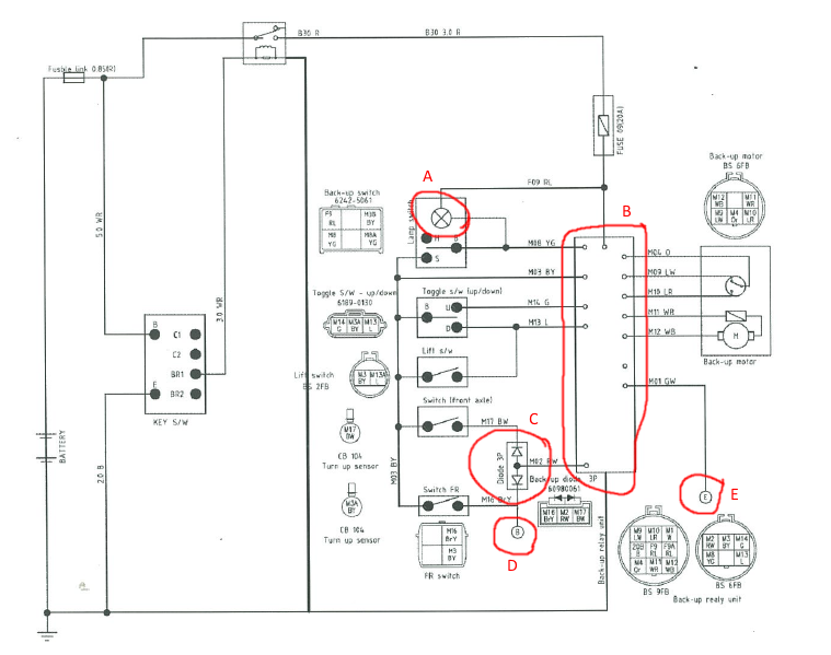
I have a Branson 6530C which I purchased used a few months ago and I am trying to trouble shoot an electrical issue with the three point hitch system.
The mechanical lever for height is working fine, however I have no function with the toggle switch up/down. Also the dash light for the three point hitch is showing up all the time regardless of the setting on the link arms. I have tried some debugging, and the up down switch seems to have the open close electrical path I would expect. I know that the system uses an electric motor under the cab at the rear to do this work, but before I start to remove it and see if that is a problem, I was wondering if anyone has run into problems on their own units and might have some suggestions. I want to plough some land this summer and having to control the deep without the electric control switch could be a problem. Fuse and relays have all been tested and changed around, with no operational change. Also the auto lift switch lights up when pressed on but no arm lift on turning corners. Thanks.
The mechanical lever for height is working fine, however I have no function with the toggle switch up/down. Also the dash light for the three point hitch is showing up all the time regardless of the setting on the link arms. I have tried some debugging, and the up down switch seems to have the open close electrical path I would expect. I know that the system uses an electric motor under the cab at the rear to do this work, but before I start to remove it and see if that is a problem, I was wondering if anyone has run into problems on their own units and might have some suggestions. I want to plough some land this summer and having to control the deep without the electric control switch could be a problem. Fuse and relays have all been tested and changed around, with no operational change. Also the auto lift switch lights up when pressed on but no arm lift on turning corners. Thanks.

