Loader Tech Manual for JD 521 Loader

/ Tech Manual for JD 521 Loader #1  

GillieBrook

New member
Joined
Sep 6, 2011
Messages
4
Tractor
JD 5105
Looking for a tech manual for John Deere 521 loader.
CTM103519 is the manual part number
 
/ Tech Manual for JD 521 Loader
  • Thread Starter
#2  
or manual CTM120519
 
/ Tech Manual for JD 521 Loader #3  
May I ask what's so complicated on a FEL that one needs a TM??
 
/ Tech Manual for JD 521 Loader #4  
May I ask what's so complicated on a FEL that one needs a TM??

i am not the original requestor, but i have an issue with a 521 loader and not sure how to proceed

i managed to bend a support pipe that helps maintain the distance between the working arms of the loader. i ordered a new pipe from JD and it seemed a bit short to what i was expecting.

the pipe only goes between the 2 arms, and does not go thru the 2 arms as i would have expected. i am guessing there are short pins inside the rotating arms that need to driven out so the new pipe can be inserted.

i am not totally sure of the correct procedure without having a diagram of what is actually inside the joint and do not want to cut the pipe to get it out and start driving parts out without a bit more knowledge.

at this point the entire unit is still stable and usable, so i do not need to do this in a hurry, but i will be doing a bunch of tree removal shortly and using the front end loader forks a lot and would rather have everything in perfect order before starting this project
 
/ Tech Manual for JD 521 Loader #5  
I think the tech manual for 521 loader only covers hyd cylinders.Technical Manual CD-ROM CTM120519CD Hydraulic Cylinders
 
/ Tech Manual for JD 521 Loader #6  
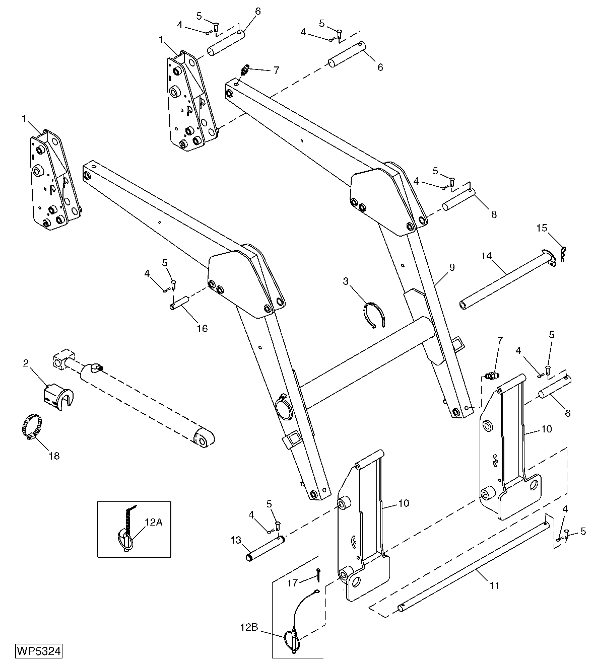
Is item 11 what you bought, need to replace?
 

Attachments

  • 521loader.gif
    521loader.gif
    29.5 KB · Views: 1,309
/ Tech Manual for JD 521 Loader #7  
Is item 11 what you bought, need to replace?

yes, #11 is what i bought and based on sight, i thought the pin went through both arms.

closer inspection today, it's obvious there are separate pins on each end that hold the arms in place.

i just wasn't sure what the proper technique to use in replacing the bent section.

logically it would appear that i must cut the pipe and then drive out the short pin on 1 side and slide the #11 pin through the arm and re-insert the old shorter pin.

for some reason this shorter pin setup is not shown in the diagram, or any other diagram i found of the same part display.
 
/ Tech Manual for JD 521 Loader #8  
Technically all rod(parts key #11) is intended for is to time both attaching brackets when changing attachments such as bucket or pallet forks. Here's the part spec's if you want to check to be sure you have the correct part.
 

Attachments

  • Capture.JPG
    Capture.JPG
    42.9 KB · Views: 431
/ Tech Manual for JD 521 Loader #9  
yes, #11 is what i bought and based on sight, i thought the pin went through both arms.

closer inspection today, it's obvious there are separate pins on each end that hold the arms in place.

i just wasn't sure what the proper technique to use in replacing the bent section.

logically it would appear that i must cut the pipe and then drive out the short pin on 1 side and slide the #11 pin through the arm and re-insert the old shorter pin.

for some reason this shorter pin setup is not shown in the diagram, or any other diagram i found of the same part display.

The drawing shows 11 as the only part, but separate pins would be more logical. If you have separate pins you should have four retaining pins (number 5). One for each end pin and two for number 11. Does yours have four retaining pins?
I would NOT cut the center bar. I would remove both end pins, then the bent bar. I would have the bent bar straightened.
 
/ Tech Manual for JD 521 Loader #10  
The drawing shows 11 as the only part, but separate pins would be more logical. If you have separate pins you should have four retaining pins (number 5). One for each end pin and two for number 11. Does yours have four retaining pins?
I would NOT cut the center bar. I would remove both end pins, then the bent bar. I would have the bent bar straightened.

The pins in the end look like #6 and #13. The number of retaining pins is not the relevant issue. What I thought I had was a single 1 inch diameter pin, when in fact i have 3 1 inch diameter pins, 1 long and 2 shorts

I have the correct center part , and its in my hands.

I HAVE to cut the center bar. That is why it's being replaced. It has a severe wiggle in it, and therefore there is no way its going to go through the mounting holes in the arms. Also, the end pins cannot be pulled out, they must be pushed out from the inside, so the center bar MUST go. I expect that this part probably rarely gets replaced as it is fairly protected, but during a clean up of heavy tree limbs, something got in there and bent things up.

I just thought someone might have taken this area of a front end loader apart before and knew what to expect when I pop one of those shortie pins out. Not sure if lining all the parts back up will be a major issue. Do all the parts need some sort of support so heavy items don't go flying?

I guess I will move forward with what makes sense and just cut and pop pins and see about making it all look pretty again. I am also surprised that after charging a fortune for a piece of pipe with 2 holes in it that JD didn't even paint it JD green. They just left it unpainted
 
/ Tech Manual for JD 521 Loader #11  
All I see listed in parts for attaching timing rod is parts key #5(M88436) and parts key #12B (AW30903) which appear to be easy straight forward R&R. Rod can be removed without cutting by removing attaching pins from mast & cylinders from holders(parts key #10). Could your bent timing rod be secured by "spring pins aka roll pins" instead of pins listed??
 

Attachments

  • Capture.JPG
    Capture.JPG
    63.6 KB · Views: 288
  • Capture.JPG
    Capture.JPG
    33.1 KB · Views: 264
/ Tech Manual for JD 521 Loader #12  
All I see listed in parts for attaching timing rod is parts key #5(M88436) and parts key #12B (AW30903) which appear to be easy straight forward R&R. Rod can be removed without cutting by removing attaching pins from mast & cylinders from holders(parts key #10). Could your bent timing rod be secured by "spring pins aka roll pins" instead of pins listed??

The rod is held into place by standard cotter pins... 1 on each end.... a flat head pin at about 1/4" diameter and 2 inches long with cotter pin at the end

The pins inside the rotational joint are the same diameter as the rod.... 1 inch diameter with similar cotter pins to hold in place on the outside of the arm... I'm guessing these shorter pins are probably 4-5 inches in length

The long rod might come out without cutting by driving one of the short pins in deeper and driving the bad rod into the other short pin on the other side and allow it to fall past its support hole... other than that, cutting might be faster...

I really don't need or care about the bent rod. No need to save it for anything. Now that I have looked closer at the setup I probably never really needed to worry about replacing it. it would seem its sole purpose is to provide just a bit more stability at the end of the arms of the loader, if not attached to an implement. But since its already been purchased, might as well install it.

I always have either a bucket or forks attached.

None of the diagrams I have come across correctly show the long bar and pin setup. They are all missing the short pins in the drawing. Next time I am at my JD dealer I will have them pull up their schematic and see what they show.

Because of all those invalid drawings, I had assumed 1 long rod went through both arms. I just didnt look close enough before ordering from the dealer or I would have seen the error.
 
/ Tech Manual for JD 521 Loader #13  
I'm glad you have it repaired!!!!!
 
/ Tech Manual for JD 521 Loader #14  
i am not the original requestor, but i have an issue with a 521 loader and not sure how to proceed

i managed to bend a support pipe that helps maintain the distance between the working arms of the loader. i ordered a new pipe from JD and it seemed a bit short to what i was expecting.

the pipe only goes between the 2 arms, and does not go thru the 2 arms as i would have expected. i am guessing there are short pins inside the rotating arms that need to driven out so the new pipe can be inserted.

i am not totally sure of the correct procedure without having a diagram of what is actually inside the joint and do not want to cut the pipe to get it out and start driving parts out without a bit more knowledge.

at this point the entire unit is still stable and usable, so i do not need to do this in a hurry, but i will be doing a bunch of tree removal shortly and using the front end loader forks a lot and would rather have everything in perfect order before starting this project

Did you ever replace the timing rod on your 521 loader? I have the same problem with the same loader and wondered how your repair went.
 
/ Tech Manual for JD 521 Loader #15  
ridgerambler
Can you post a pic of your problem? The post you referenced in the quote speaks to "a support pipe that helps maintain the distance between the working arms of the loader", and not to the timing rod. A pic would help clarify what you are needing help with.. tks
 
/ Tech Manual for JD 521 Loader #16  
It is the timing rod-a bar that extends between the loader quick attach brackets. It is JD part #W45237.
 
/ Tech Manual for JD 521 Loader #17  
ridgerambler

LOL this one made me go crazy for a bit. I had to look at my original post as I had no memory of this ;-)

Finally, memory returned, as that post was from 2013, 7 years ago ;-)

In a nut shell I fixed it by buying a new tractor last year, but the actual fix was done by the shop.

I was running into confusion just as you did, and they made it sound like it was just supposed to fit into some bracket / pin easy peasy.

Well as luck would have it, it was about time to take it to the shop for its normal service and since I had already purchased the rod, they said they would install it for me.

Not sure exactly what they did, but there it was when I picked it up.

If nothing else, I would suggest a quick visit to your JD dealer and bring in the rod and ask.... How do I attach this thing ;-)

My only guess at this point is that they might have had to force the arms closer together, as the distance to make it fit was pretty close, but I couldn't make it work either.
 
/ Tech Manual for JD 521 Loader #18  
Thanks! I know it was a blast from the past. I don't actually have the rod, but mine is bent, so it needs attention. Not been a problem to date since I just have a bucket and don't take it off. But I want a set of forks and don't want issues changing attachments, hence the need for a fix. I will probably go talk to my dealer. The parts diagram still show only one long rod, but the diagram for the 541 loader shows two shorts and the one long one, and it is the same part # as for the 521. Problem with my JD dealer is if it is a lawn mower they are pretty good, but larger stuff not so much. And they charge $$$ by the hour while standing around scratching their collective heads, and it is not unknown to get stuff back more broke than when it went in, if that is possible. If I end up fixing it myself, I will post info on how it went. Thanks again for reply!!
 
 
Top