PT422 Aux cooling

   / PT422 Aux cooling #21  
I've found the photos and I'll start a new thread for them.

Gravy
 
   / PT422 Aux cooling
  • Thread Starter
#22  
Just an interim update:

Although I haven't had a chance to do three hours of nonstop PTO work to truly test this modification, I made mention of the hydraulic cooling fan not coming on as it used to.

I've done a couple of hour-long jobs and investigated this further.

With the aux cooling fan I installed on, I find quite a bit of airflow coming from the hyd cooling fan even tho it's not running. ("Quite a bit" is the measurement my hand indicates when I hold it above the hyd fan... not as much as when that fan is on, but still a significant flow). In other words, the aux cooling fan is blowing enough air into the engine compartment that some of that air is passing through the hydraulic cooler and thereby keeping the fluid cooler.

I suspect Tim's cooling fan may be doing the same thing although in reverse, that is: cooler outside air being drawn through the hydraulic cooler in the reverse direction if the hyd fan isn't on. Tim -- have you noticed any difference in hyd fan operation?

After two times of hour-long PTO work there was no indication of vaporlock or overheating however the acid test won't happen for a few weeks yet.

Phil
 
   / PT422 Aux cooling #23  
I haven't had a chance to do anything PTO intensive. I did run my PT422 for about an hour using my aerator (48" LIC core aerator, which is bolted to a quick attach plate, and works amazingy well), and noticed that it did seem considerably cooler, that it didn't backfire or diesel when shut off, and that the hydraulic cooler fan never came on.

I probably will have to rethink putting an exhaust fan on the left side, since it did get rather warm from the exhaust. I suspect that while it was not hot enough to melt the plastic shroud, it will shorten the lifespan of the plastic shroud on the fan and promote cracking. I most likely will relocate it to the right hand side, and still use it as an exhaust fan.
 
   / PT422 Aux cooling
  • Thread Starter
#24  
I ran the stump grinder yesterday for an hour straight and it was a warm day. That's about as hard of a use as the PT ever gets. The hyd cooler fan was running most of the time.

I let the machine idle and cool for 5 minutes before shutting down. It dieseled at shutdown. Things were hot enough that a year ago I suspect it would have died from vaporlock before the hour was up.

Next time I'll let it idle and cool longer before turning it off.

Better. Not perfect.

Phil
 
   / PT422 Aux cooling #25  
hhmmmmmm....My PTO gets it's workout when I cut the grass. I have a lot to cut so I normally split it into two cuttings and each one is well over an hour of constant running. It will take me no more than 60 seconds to walk from the PT to the garage to retrieve the leaf blower and return to shut her down, during this time I have it in the lowest throttle setting. Shut off has not had any backfire or run-on. I did look into the gas tank last night to see if there were bubbles coming up from the bottom outlet and there was a very slow trickle. That trickle was more intense before I wrapped my fuel line with aluminum foil though. I would like to replace the fuel hose with a line that is insulated.
 
   / PT422 Aux cooling #26  
Wow! If you are getting bubbles out of a gas tank vented to air, you guys have much more of a vaporlock issue than I thought. Yeah, I'd insulate the line, and I would think about aluminized foam on the tank.

Phils: Have you thought about a tank of techron or something else that might help clean out any carbon or gunk on your valves/spark plug?

All the best,

Peter



Farmall140 said:
hhmmmmmm....My PTO gets it's workout when I cut the grass. I have a lot to cut so I normally split it into two cuttings and each one is well over an hour of constant running. It will take me no more than 60 seconds to walk from the PT to the garage to retrieve the leaf blower and return to shut her down, during this time I have it in the lowest throttle setting. Shut off has not had any backfire or run-on. I did look into the gas tank last night to see if there were bubbles coming up from the bottom outlet and there was a very slow trickle. That trickle was more intense before I wrapped my fuel line with aluminum foil though. I would like to replace the fuel hose with a line that is insulated.
 
   / PT422 Aux cooling #27  
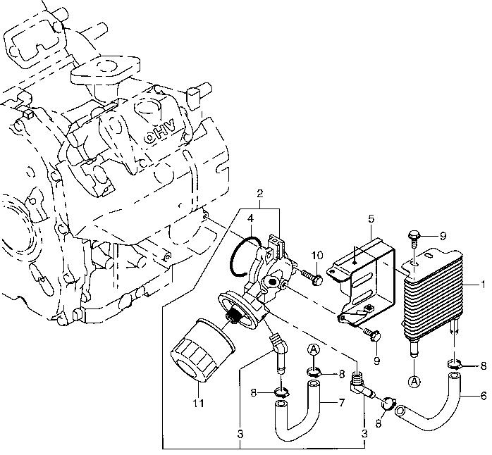
While running through the Robin parts manual to figure out which oil filter that I needed, I ran into a picture showing the oil filter/cooler arrangement on the EH72 (PT425 engine).

Since the engine is essentially the same, all the parts should fit... and the more cooling the better.

Does the manual picture resemble the PT425 arrangement at all?
 

Attachments

  • oil cooler.JPG
    oil cooler.JPG
    78.3 KB · Views: 241
   / PT422 Aux cooling #28  
A picture of my side fan:

SideFan.jpg


A picture of my new "dashboard", where I mounted two temperature gauges, and a buzzer and lamp wired to the engine oil pressure switch. One of the temperature gauges has the sensor mounted in the right engine oil drain plug, and the other sensor is clamped onto the inlet to the oil cooler. Someday I will work on the hydraulic oil sump drywell idea.

InstrumentPanel.jpg


InstrumentPanel2.jpg
 
   / PT422 Aux cooling #29  
Nice job, Tim. :D I like that console idea...
 
   / PT422 Aux cooling #30  
My problem now is that the oil drain plug is a straight thread, like maybe 1/4" NPSM or BSPP, and the temperature sensor that I have is 1/8" NPT (with extra collars provided to make it 1/4" NPT or larger).

1/4" NPT in a 1/4" straight thread leaks. It is obviously the same thread pitch, but it starts out very loose, and only gets tight maybe the last half-turn before the hex collar bottoms out.

Putting teflon tape on it changes nothing.

I have been unable (to my great surprise) to find a simple adaptor... 1/4"NPT (F) to 1/8" NPSM (M). Even McMaster Carr doesn't have anything like that. They have a Female BSPP to Male NPT adaptor (which is backwards to what I need, and I don't think it will work since BSPP would have 19 TPI vs 18 TPI).

I thought NPSM was the standard for hydraulic fittings, so I don't understand why adaptors are hard to come by.

Of course, it doesn't help that the holes in the back of the engine bucket barely fit my hand, and I can't turn my wrist over... my arm is almost scraped raw from messing with this.
 
   / PT422 Aux cooling #31  
Tim,

It's possible that it is a metric thread. I recall that there is at least one that is virtually the same thread pitch as one of the smaller pipe sizes, but a little larger - maybe 10MM. There might be an adapter for that, or you could drill & tap the existing drain plug.

Gravy
 
   / PT422 Aux cooling #32  
ponytug said:
Wow! If you are getting bubbles out of a gas tank vented to air, you guys have much more of a vaporlock issue than I thought. Yeah, I'd insulate the line, and I would think about aluminized foam on the tank.
Phils: Have you thought about a tank of techron or something else that might help clean out any carbon or gunk on your valves/spark plug?
I've gone 2 full years w/o recurrence of the VL problem after doing a few mods that I reported to the group back in early '05. The only issue after 2 years is that the aluminized DEI fuel hose sheath has flaked off its aluminum outer skin. No surprises here...it's heat related, just like we see in the race cars. I'll be replacing it with a fresh new piece and change out the in-line fuel filter at the same time.

For those who weren't on the Forum back then, and don't want to search:

03-25-2005: On the vapor lock problem, I too experienced this last Summer, and had a great discussion w/ pairodime about it. I also had the problem w/ detonation at shutdown. I used our race car pyrometer and measured the air temperatures adjacent to where the OEM fuel filter was located (just inboard and below the muffler). Temps were in the 300 degree + range. Gasoline boils-off completely at 260. No wonder there was a problem! You don't have to be above the boiling point of gasoline to have vapor lock, but being above it will guarantee the problem. I have changed over to thick black SAE rated fuel-vapor hose, 1/4" ID (~$1/ft at Auto Zone), and replaced the fuel filter. My OEM filter had an outlet of 0.18" ID, and the new one, a generic off the shelf unit has outlet of 0.25" ID. I also relocated the filter to be forward of the black steel barrier between the engine and battery.

I also wrapped the exhaust manifold with racers exhaust header wrap made by DEI Products I stopped the wrap just before the manifold connects with the muffler. Unlike pairodime, I have experienced absolutely no sag nor warp anywhere in the exhaust system.

I also applied DEI's hj-temp adhesive "Floor and Tunnel Shield" (look under heat shield area of products) to the entire engine side of the black steel barrier located just aft of the battery. What a difference that made. Everything forward of that barrier is now cool enough to touch immediately after shutdown. The battery is no longer too hot to touch, and the gas tank is cool as well.

I also sheathed the entire fuel line and fuel filter with a DEI heat sheath w/ velcro closure. We use these in our race cars, and they are also used a lot in aircraft where vapor lock might be more of a problem than for us. It comes in a 3 foot length which is more than enough for our units. DEI doesn't sell direct, but you can get their products from Summit Racing

I conveyed all this to Terry at PT. He was initially surprised about the temperatures, and indicated that he would talk to staff about going back to the thick black SAE rated gas-vapor fuel line. The clear plastic Tygon tubing was never intended for this harsh a service application. Mine was clear Tygon. Pequeajim's was the yellow fuel rated Tygon. Before I replaced it, mine sagged at least a foot into the bottom of the tub!

In our machines, the fuel pump is downstream of the tank, and it is sucking fuel to supply to the engine. The fuller the tank, the higher the pressure head at the pump (vapor and/or liquid), and the easier it is for the pump to deal with entrained gas vapor. Reason we don't see vapor lock in modern cars is that the pump is upstream, in the tank itself, so the fuel is being pushed from an area with fuel at a lower temperature directly to the carb or the injectors. BTW, while I replaced the fuel line and filter, I also installed a dripless"quick disconnect" in the line upstream of the filter, between the filter and tank. That way, I can remove the tank easily and w/o losing gas from either end.

On the matter of detonation, I use 91-93 octane gas, as was recommended to pairodime by Jack Robin. He also recommended, and I am using the lead substitute which is found at Wally World. Terry at PT confirms this, too. Terry recommended shutting down directly from 1/2 throttle, i.e., do not bring the engine down to lowest idle and then shut down.
 
   / PT422 Aux cooling
  • Thread Starter
#33  
I did some serious brush hogging last weekend and also some extended stump grinding. After a few minutes of cooldown before shutting it off, there was still some dieseling but no other indications of fuel vapor or running hot.

I WILL change my wiring for this aux fan so that it comes off the line supplying the hyd cooler fan (like Tim) but I'll leave the toggle switch in the circuit. I want this new fan 'on' whenever the PT is running but I'll use the toggle switch to turn it off if I find some situation that would be better with it off. I don't know what that situation could be but the switch is already there and it'll be easier to just move the one wire.

Phil
 
   / PT422 Aux cooling #34  
Phils said:
I did some serious brush hogging last weekend and also some extended stump grinding. After a few minutes of cooldown before shutting it off, there was still some dieseling but no other indications of fuel vapor or running hot.

I WILL change my wiring for this aux fan so that it comes off the line supplying the hyd cooler fan (like Tim) but I'll leave the toggle switch in the circuit. I want this new fan 'on' whenever the PT is running but I'll use the toggle switch to turn it off if I find some situation that would be better with it off. I don't know what that situation could be but the switch is already there and it'll be easier to just move the one wire.

Phil
I believe that during cold weather or whenever the engine is cold it is best to let the engine reach operating temperature before running the fan. It will warm up faster, which is generally better for engine life.
 
   / PT422 Aux cooling
  • Thread Starter
#35  
BobRip said:
I believe that during cold weather or whenever the engine is cold it is best to let the engine reach operating temperature before running the fan. It will warm up faster, which is generally better for engine life.

Yeah, thanks BobRip....

THAT'S the reason I'm leaving the toggle switch installed.

Phil
 
   / PT422 Aux cooling #36  
I just finished about an hour of mowing, and the engine oil temp was 250F. That seems a bit warm based upon it being a cool day (60F and cloudy), and the short length of time that I was driving the tractor. I am running 10-40W castrol sythetic blend. Any thoughts on that type of temperature? I know that you can get up 300F+ without significant breakdown of the motor oil, but I am more used to thinking oil temperatures of 200-220F are the good range (given, on a water cooled vs. air cooled engine).

Maybe time for an oil cooler?

OTOH, the hydraulic temp was only 130F. I thought it would run much hotter then that.
 
   / PT422 Aux cooling #37  
Tim_in_CT said:
I just finished about an hour of mowing, and the engine oil temp was 250F. That seems a bit warm based upon it being a cool day (60F and cloudy), and the short length of time that I was driving the tractor. I am running 10-40W castrol sythetic blend. Any thoughts on that type of temperature? I know that you can get up 300F+ without significant breakdown of the motor oil, but I am more used to thinking oil temperatures of 200-220F are the good range (given, on a water cooled vs. air cooled engine).

Maybe time for an oil cooler?

OTOH, the hydraulic temp was only 130F. I thought it would run much hotter then that.

Air cooled engines run tend to run warmer than water-cooled ones, regardless of the ambient temperature. They also warm up faster, so how long you run it is not as much a factor.

IMO, 250 is acceptable for an air cooled engine, but you don't want to get above 280 or so... I'd definitely keep an eye on it, now that you can.

But, I'm not sure I'd rush out and put an oil cooler on it until you see how it does in even hotter weather. I had a line to a remote cooler on an old VW bus fail once -- it cost me an engine in about 30 seconds or so....
 

Tractor & Equipment Auctions

2025 CFG Industrial NT20-CZ Mini Excavator (A59228)
2025 CFG...
2025 MACK GRANITE GR64F DUMP TRUCK (A59823)
2025 MACK GRANITE...
2017 Kubota M7-151 Premium MFWD Tractor (A56438)
2017 Kubota M7-151...
2008 Ford F-350 4x4 Ext. Cab Knapheide Service Truck (A59230)
2008 Ford F-350...
2016 AutoHauler CX11HCSD T/A Car Hauler Trailer (A56858)
2016 AutoHauler...
2007 Capacity TJ6500T Wet Kit T/A Yard Dog Toter Truck (A55973)
2007 Capacity...
 
Top