PT woes..... 1850 wiring

/ PT woes..... 1850 wiring #1  

AVIVIII

Silver Member
Joined
Mar 30, 2011
Messages
166
Location
NH
Tractor
John Deere 430 PT-1850 JD 3520 Komatsu 35MR
So, the 1850 and I haven't really been getting along lately. Every time I go mowing, something goes wrong.

I attribute a lot of it to "working out the kinks," but today's escapades have left me a little defeated.

Last time I mowed, it was very hot out. I saw high engine temps (220F+) after about 20 mins and the hydraulic oil cooler fan never came on. This afternoon, I removed the engine cooling shroud and it was mostly clean. I found a wire off of the temp sensor in the bottom of the engine bay, so I replaced the connector and reattached it. I went out to get the temp up and do some mowing to see what happened.

On the first pass across the hill, the seat tipped fully to the left, even though I was only on a ~20* slope. Limped it back home with one foot on the treadle and the other on the seat switch while kind of hanging off of the canopy. It was "fun."

Current Situation:
20180713_014329.jpg

Its further become clear that I have some electrical gremlins (fan, beacon and rear work light do not work either) and I'm sure that my seat control problem is in there too, but I honestly don't even know where to look. I haven't had a chance to put a meter on it or anything, so that will likely tell me more. PT very kindly sent me a "Parts Manual" with some other basic info, but I have nothing on the electrical system or even where to find fuse boxes or anything.

I'd appreciate any pointers. Thanks!

Edit: In the good news dept. I traded 2 cases of beer for a pre-MM 9' fisher plow in decent shape with a new cutting edge. An afternoon of welding and some new hoses and we should have a snow solution!
 
/ PT woes..... 1850 wiring #2  
Well, at least you got a good deal at the end there... :thumbsup:

I think there's a recent thread with a wiring diagram for your machine, and a re-done wiring diagram, too, as I recall. Hopefully someone will chime in on it today.
 
/ PT woes..... 1850 wiring #3  
I also added "1850 wiring" to the end of your thread title, if you don't mind. It may get more responses that way.
 
/ PT woes..... 1850 wiring #4  
Whenever I see multiple circuits having trouble, I think of poor grounding as a likely cause.
I think that your fuse box is under the muffler-ish, on the inside of the tub wall.
The other “easy place” to look is by removing the panel on the front side of the dashboard, I.e. not the dashboard, but the plain metal plate toward the front arms.
For the seat, try looking under the seat for the mercury switch, and check the connections there, and on the solenoid inside the engine tub.

I have upgraded many of my wires to marine grade wires, and I use crimp fittings that have low temp solder in them, along with a low temperature adhesive that melts when you heat shrink them on. (Del City, and West Marine). It is probably overkill, but I hate fixing things more than once.

All the best, Peter
I would start by clamping a jumper cable from the front to the battery ground, and from the battery ground to the engine mounting bolt.
 
/ PT woes..... 1850 wiring #5  
On the right side of the engine compartment, there are multiple spade electrical connections including ones for the seat and the cooling fan. If you are not careful, it is easy to knock those off. Replacing them is a long wished for mod that I never find time for.

And as Peter said, a common problem is bad grounds.

Ken
 
/ PT woes..... 1850 wiring #6  
As Ken said, Right hand side and in front of the gas tank is where the solenoid for the seat is for my machine. It sounds like a short / disconnect but it could be a blown cylinder. start with electrical, make sure the connections are solid, then move forward.

On the engine cooler shroud, are you talking the top piece or are you talking the side panel?

At 6K for the machine you have a deal. While you are going to need to iron out the kinks it is worth the effort Don't get down (I know I did but now it is all just part of equipment ownership)
 
/ PT woes..... 1850 wiring #7  
On my 1845 the mercury switches for the tilt seat are in a metal box mounted on the back of the seat. The operator presence switch in the bottom of the seat is connected through this box and I was able to reduce voltage drop in the starting circuit by soldering the connections for the operator presence switch.
My seat often ends up tilted like your picture but straightens up when the tractor is started. My seat doesn't have the power to maintain level on steep slopes unless I am careful about how I sit in the seat. I asked Terry years ago about this and he basically told me that the hydraulic cylinder for the tilt seat has limited power and that what I was experiencing was normal.
 
/ PT woes..... 1850 wiring
  • Thread Starter
#8  
Thanks for changing the title, it seems to have helped!

I am certain that it is not a problem with the hydraulic cylinder. As it bleeds down when parked, the seat starts to move toward neutral, when I start the tractor, the seat will quickly move back to the left. As far as hydraulic power to the seat, the only problem that I've had is too much power, sometimes it gets violent!

I hope to get some time to work on it tonight, but I'll start with fuses, grounds, and connections and go from there.

Thanks guys, I'll let you know how I make out!
 
/ PT woes..... 1850 wiring #9  
Your seat issue really sounds like one of the spade connectors came off of the solenoids on the side of the tub or they got swapped.

I did have a weird problem one time but I can not remember for sure what it was. It was something like the adjustable pressure relief for the draft control valve was stuck, something I would have thought was totally unrelated.

Ken
 
/ PT woes..... 1850 wiring #10  
I agree with Ken. I would also check the merc switches behind the seat. Just FYI my seat wire rubbed and was exposed. You had to run new wires. If you do use high quality boat wire
 
/ PT woes..... 1850 wiring #11  
Several times my tilt seat was not working right , Terry had me bleed air out of the tilt system and it helped, I cannot remember what I had to do though
 
/ PT woes..... 1850 wiring #12  
Clearly, the larger PT's cause amnesia - perhaps the diesel fumes? Certainly in my case, it has nothing to do with age etc.

Ken
 
/ PT woes..... 1850 wiring #13  
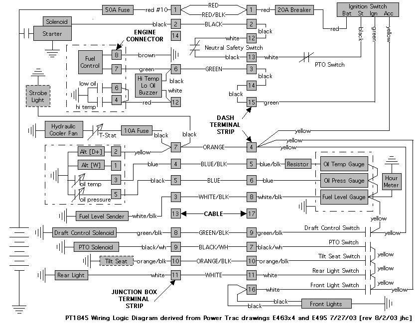
I've got a couple 1850 wiring diagrams for ya. They both came from this forum, but long enough ago that I can't remember who pushed them to me. Amnesia, fersure. I'm in.

Here's one, i think created by somebody on the forum

wiringlogicfromptdwgs.gif

Here's a link to the other one -- looks like it's from PowerTrac

1850 Wiring diagram 6-1-20110001

I use 'em both and kinda triangulate between them. :)

Here's how you clear the air out of the seat gizmo.

- disconnect one end of the hydraulic cylinder (I think I disconnect the seat end and leave the frame end attached)

- fire up the PT and rock the (now freely swinging) seat from one extreme to the other a few times. Yes, this is indeed a balancing act if your dead-man switch requires that you're sitting on the seat.

- reattach the hydraulic cylinder to the seat

If your mercury switches are all working correctly, the piston on the cylinder should have moved from one end of its travel to the other as you move the seat back and forth. A few full cycles of the cylinder will push the air out. If it *doesn't* move in harmony with your swinging the seat back and forth, then it's time to start diagnosing the mercury switches and circuits.
 
/ PT woes..... 1850 wiring
  • Thread Starter
#14  
Found a lot of stuff, nothing solved yet...
-Even with the seat detached from the piston, I can't get the piston to move or follow the seat. In fact, after trying it detached from the seat, the piston sucked itself in even further.

-I pulled more panels than I really wanted to and all I found were these 2 big fuses(20a and 50a) and a circuit breaker. Being a boat and airplane guy, I find this appalling and kinda scary... Both fuses were good, BTW.

-The connection that I found disconnected from the hydraulic thermostat was burnt.

-Someone has had their grubby little fingers in there before me with a seat problem it seems....

As far as the operation of the circuit goes,
Screen Shot 2018-07-18 at 12.40.41 PM.png
If someone wants to make sure I'm understanding this correctly, the ORG/BLK wire is supplying 12v to the "tilt seat Cartridge w/ coil" via a connection with 2 black wires. The mercury tilt switches are both grounded so when they make a connection, it closes the appropriate circuit and powers the coil, providing pressure to the appropriate side of the seat piston until reading level again. So in testing them, both switches and leads should be grounded, but the leads should not have continuity between them. With the system on, I should have 12v at the ORG/BLK wire and at both Black wires and the white wires from the coils should be connected to the mercury switches.

So given that first observation and the wiring diagram, I'm assuming that the system sees one of the switches grounded and it shouldn't be?

I've got more work to do and have't even looked at the fan/beacon/worklight situation yet...
 
/ PT woes..... 1850 wiring #15  
Yep, that behavior with the seat and the piston means it's wiring not air that's causing the trouble. I'm not an electrical Smart Person so if I were in your situation, I'd be on the hunt for a local one of those critters. In my case, back when I wiped out the generator, I threw up my hands at all the goofy electrical stuff and sent mine to Power Trac for an 800-hour inspection/maintenance/repair session. It came back *way* better than when it left -- they found a hydraulic issue with the steering that cured a whole bunch of weird troubles, fixed up all the wiring troubles, etc.
 
/ PT woes..... 1850 wiring
  • Thread Starter
#16  
Made some progress today...
I checked and double checked all the switches, grounds, and voltages, everything seemed to be getting to where it needed to. I switched wires between the two solenoids to see if I could get it to fail in the other direction. No dice. My neighbor saw the garage open so stopped in just as I was about to buy some new solenoids on amazon. Apparently, they are very common as his tree shear uses the same ones. He happened to have a new one in the truck so we tested the coil resistance on his vs. my two and they were all the same. I stuck the camera down in there one more time and when I looked at the picture:
View attachment 564182

I noticed the little, red, knurled knob on top of the actuator. It moved and spun. I tried to unscrew it, screw it back in and it just spun. I could push and pull it up and down, maybe 1/4". I put everything back together, defeated. I was just about to move on to something else and when I started the tractor, the seat tipped. So now it works and I have no idea why; bad contact/connection/wire? playing with the little red knob? The wiring from the seat to the solenoids is pretty bad, there are multiple butt splices and spade connectors that can definitely be eliminated and probably 2 feet of loose wire I can remove. I'll have to restock on my shrink wrap connectors and then we'll get at it, but I seriously didn;t change a thing....

The cooling fan works! when you run 12v directly to it.... It is supposed to blow outward, correct? I put the heat gun on it and never got it to close, so I'm going to pick up a new snap disk thermostat this week, but in the mean time I've got some wire chasing to do as both leads that connect to it are grounded and, judging from the terrible schematics, they shouldn't be. However, that schematic also shows the fan in line with the starter solenoid, so go figure.... The snap disk switch should just switch +12v, right? seems simple enough. I have half a mind just to wire it 'on' with the tractor...

Beacon - 12v and good ground check all the way to the beacon. Still didn't work with a direct line from the battery. Opened up the beacon and one of the big capacitors is broken right off. No good, ordered a new one.
Rear light - As far as I can tell, the bulb is blown, but the tractor is also missing a bonding strap from the hood to the frame. Not sure if it ever had one, but it will soon. I'm not going to trouble shoot the light, I'm going to just replace it with some rear facing LEDs mounted somewhere on the exterior and some new wiring.

Thanks for the help thus far. We'll get her sooner or later!
 
/ PT woes..... 1850 wiring #18  
After my fan thermothingy failed, I just put an alligator clip on the wire and clip it to the positive lead on the starter before I start up, and remove it when I'm done. Some day (yeah, right) I'll add a switch or wire it to a hot-when-running lead.
 
/ PT woes..... 1850 wiring
  • Thread Starter
#19  
Some day (yeah, right) I'll add a switch or wire it to a hot-when-running lead.

I think I'm going to do that. The setup as it is is pretty weak. I'll ultimately replace it with a relay to keep the wacky wiring as it is until I figure it all out. Maybe I'll put a fuse in too, what a crazy idea...
 
/ PT woes..... 1850 wiring #20  
I am on set but I run some massive light on my machine. You can get some nice light bars on eBay. Most of us have placed lights under the rops. Best place to do it. I replaced my seat wire as noted. Glad I did. I bet your issue is in the wire.
 

Marketplace Items

HYDREMA 912HM ARTICULATED DUMP TRUCK (A65056)
HYDREMA 912HM...
INGERSOLL RAND BLAW-KNOX PAVER (A67714)
INGERSOLL RAND...
HEAVYEQUIPMENT HOSES (A68842)
HEAVYEQUIPMENT...
2007 WESTERN STAR 4900 SB CRANE TRUCK (A67714)
2007 WESTERN STAR...
2021 John Deere 4044M (A64126)
2021 John Deere...
2019 INTERNATIONAL HX615 SBA 6X4 DUMP TRUCK (A65057)
2019 INTERNATIONAL...
 
Top