I own a 1975 MF 165 tractor that I have owned since 2009. When I first bought it I noticed a few problems in using the PTO (bush hogging), but it was not severe enough to do anything about it. These problems are getting worse and I am at the point where I need to do something about it. Here's what it's doing:
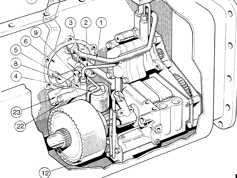
1. PTO won't stop turning after I move the lever to stop it and it is slow to start when I move the lever to start it.
2. The PTO shaft stops turning when going downhill (overfilling the hydraulic fluid fixes it)
3. In heavy grass the PTO shaft slips - I hear gear noise. It's not a traditional grinding noise, but more like a knocking. I have PTO clutch on my bush hog drive shaft to protect PTO.
I would like to do the work myself. This will be a first for me. Are the service manuals that I can download good enough to guide me through the process? Will this involve split the tractor?
1. PTO won't stop turning after I move the lever to stop it and it is slow to start when I move the lever to start it.
2. The PTO shaft stops turning when going downhill (overfilling the hydraulic fluid fixes it)
3. In heavy grass the PTO shaft slips - I hear gear noise. It's not a traditional grinding noise, but more like a knocking. I have PTO clutch on my bush hog drive shaft to protect PTO.
I would like to do the work myself. This will be a first for me. Are the service manuals that I can download good enough to guide me through the process? Will this involve split the tractor?
