Jimna electrical wire

/ Jimna electrical wire #1  

Jimmy254

Bronze Member
Joined
Aug 1, 2023
Messages
81
Tractor
Jimna 254
Can someone please tell me where the black loose wire with the round connector which is hanging over the engine label is supposed to go.
 

Attachments

  • IMG_20231016_134301.jpg
    IMG_20231016_134301.jpg
    816 KB · Views: 190
/ Jimna electrical wire #2  
I can better tell you where it goes if you tell me where it's coming from. I see another short black wire on the end of the glow plug bus bar.
 
/ Jimna electrical wire #3  
what is the number on the little yellow plastic tag? There may be another tag on the wire, one for each digit.
It is most likely a ground wire but without more info it is impossible to tell for sure.
 
/ Jimna electrical wire
  • Thread Starter
#4  
I didn't think to look closely at the tag. It didn't even think that it was a tag. I'll have another look next opportunity I get.
 
/ Jimna electrical wire
  • Thread Starter
#5  
The number on the tag is 44. I cant tell where the other end goes. It comes out of the loom.
 
/ Jimna electrical wire #6  
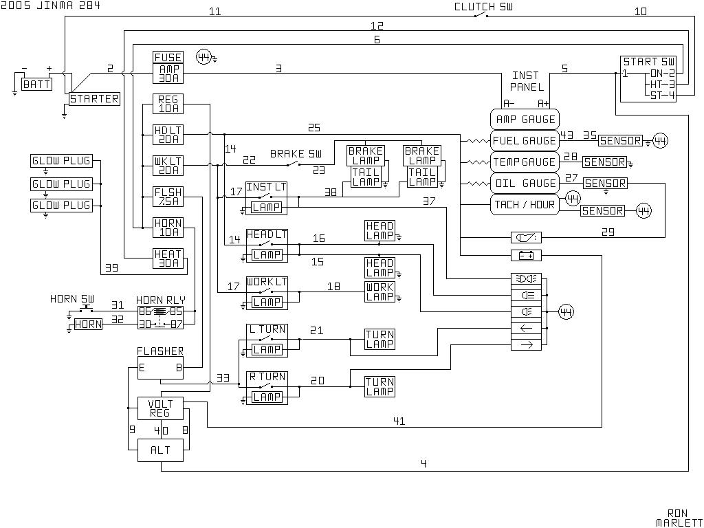
On the schematics I have seen #44 is always the ground.
Do you have a schematic? If not you can download a copy here:
Help yourself to any of the other stuff as well. I didn't create it, just passing it on for others
 
/ Jimna electrical wire
  • Thread Starter
#8  
The schematic indicates ground but i was hoping someone could show me where it is ground. The wire is only about 6 inches long so it has to be around the area shown on my photo right above the engine label on the rocker cover. Is it the rocker cover nut maybe?
 
/ Jimna electrical wire #9  
1697823928158.jpeg


This is a better one. I need to get it uploaded to my site
 
/ Jimna electrical wire #10  
I think it goes under the top fuse block screw and grounds against the metal bar that holds the block.
Zoom in on this picture and I think you can just barely see it under the block and the tag is next to the horn
 

Attachments

  • 100_0272 (2019_02_19 01_42_27 UTC).JPG
    100_0272 (2019_02_19 01_42_27 UTC).JPG
    865.5 KB · Views: 155
/ Jimna electrical wire
  • Thread Starter
#11  
On mine the horn is mounted with a nut and bolt in the middle of the upper and lower fuse block screws on to the back of the fuse block mount. Now that i look at it, its obvious that it is the only place that it can go. Thats a good schematic.
 
/ Jimna electrical wire
  • Thread Starter
#12  
Looks like some of my fuses are wrong too. The ammeter has a 25 instead of 30, the horn has a 30 instead of a 10, the flasher has a 30 instead of a 7.5, the worklight has a 30 instead of a 20, the headlights have a 30 instead of a 20. The last owner must of found some bargain 30amp fuses or got sick of replacing fuses. Not sure why my fuse cover is missing either.
 
/ Jimna electrical wire #14  
The loose wire with the ring terminal just needs to go to a good ground, it doesn't really matter where. I think the horn gets it's ground through the bracket.

The practice of replacing fuses with a larger size is usually not a good idea. Sometimes you need to, but usually it just masks the problem and you pay for it later with burned wires or components.
 
/ Jimna electrical wire
  • Thread Starter
#15  
I agree. Ill be putting the correct size fuses in. Ive ground that loose wire to the horn mounting bolt. What the loose wire, the missing fuse box cover and the wrong fuses indicate to me is that this tractor has had electrical starting issues (which i was not told about) prior to me buying it. I knew i was taking a risk buying it but the time i am having to spend on it is frustrating. Its becoming a crash course in diy tractor repair. When im done and having it running reliably ill make a list of everything that didnt work.
 
/ Jimna electrical wire #16  
Horn trivia.
Horns will almost always be above ground and have two terminals. The reason being is that the ground side is the switched (horn button) side in automotive applications because it was cheaper to run a single wire through the steering column than two.
 
/ Jimna electrical wire
  • Thread Starter
#17  
Interesting and why does the horn need a relay when even the glowplugs don't.
 
/ Jimna electrical wire #18  
Interesting and why does the horn need a relay when even the glowplugs don't.
The horn is a high amp draw. The glow plugs should have a relay in the first place, just like the starter solenoid should also have a relay. Technically the starter solenoid has a built in relay but it's still a high amp draw.
 
/ Jimna electrical wire
  • Thread Starter
#19  
Looks like grounding that wire has fixed the horn. The horn did work but it was very weak. So thats a bonus.
 
/ Jimna electrical wire #20  
The schematic indicates ground but i was hoping someone could show me where it is ground. The wire is only about 6 inches long so it has to be around the area shown on my photo right above the engine label on the rocker cover. Is it the rocker cover nut maybe?
On my 224 it goes to the rearmost rocker nut.
 
 
Top