JD 790 wiring diagram

/ JD 790 wiring diagram #1  

splintair

New member
Joined
Jan 7, 2009
Messages
5
Location
albuquerque, nm
Tractor
john deere 790,john deere 320
does anyone have access to a wiring diagram for a 2002 JD 790 tractor?
closest i can come to one is buying a $180 shop manual. thank you
 
/ JD 790 wiring diagram
  • Thread Starter
#2  
STOP THE PRESS111 A little research in this blog (page 4) and i thank you all very much.if all else fails, read ahead....
 
/ JD 790 wiring diagram #3  
I too am looking for a wiring diagram for a 2006 John Deere compact 790 tractor- anyone have any pictures of one I can print off?

Thanks,
Brandy Robinson
 
/ JD 790 wiring diagram #4  
Can you be a bit more specific about the wiring diagram that you need?
 
/ JD 790 wiring diagram #5  
Yes, I need the electrical wiring diagram for the JD 790 compact yr 2006.
Any and all help will be appreciated.

:)
 
/ JD 790 wiring diagram #6  
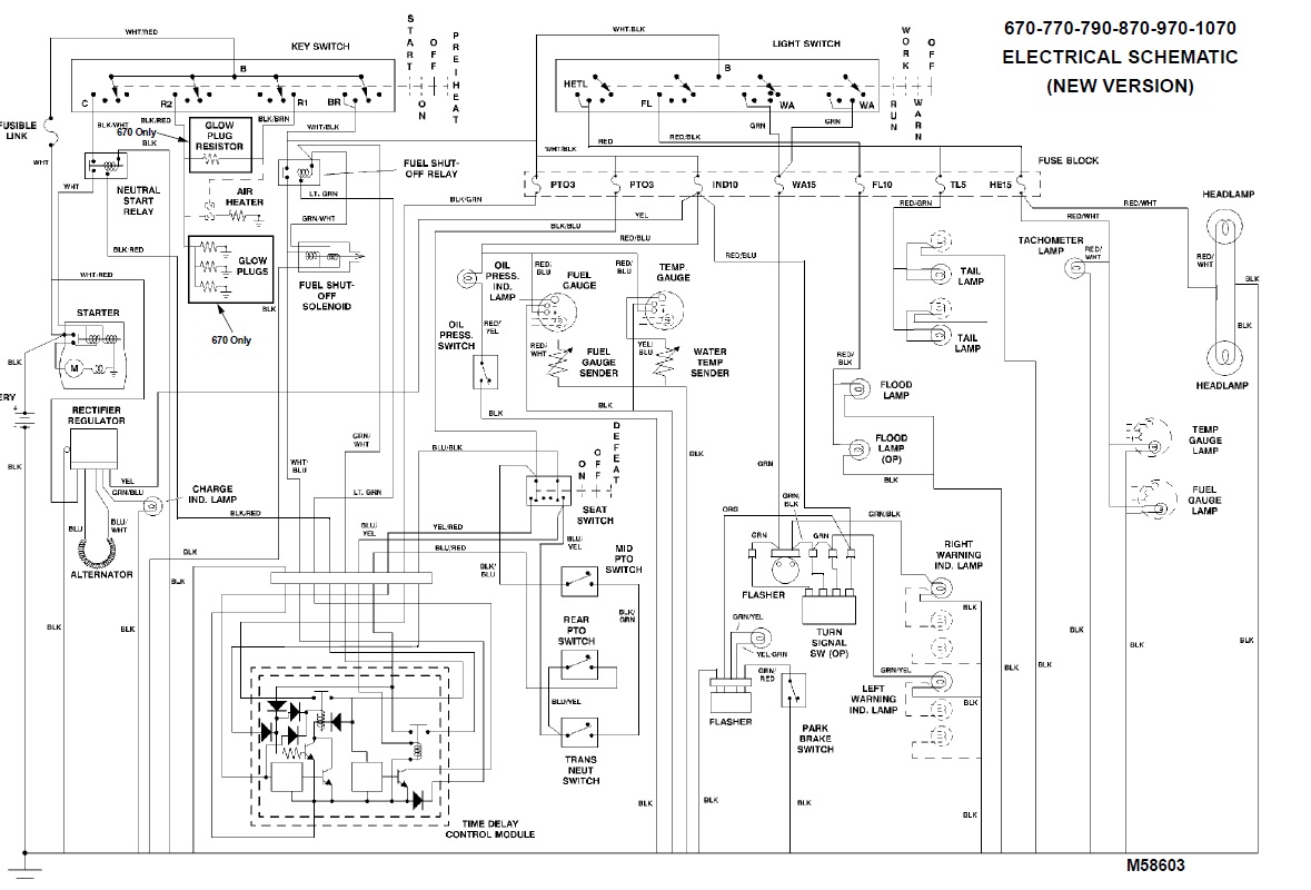
Attached
 

Attachments

  • 790_electrical.jpg
    790_electrical.jpg
    219.1 KB · Views: 28,191
/ JD 790 wiring diagram #9  
You are welcome.. is there a specific part you are interested in, and need more info or bigger blow-up?
 

Marketplace Items

2012 TURNKEY INDUSTRIES 29DT DATA TRAILER (A67714)
2012 TURNKEY...
25210SFL (A64557)
25210SFL (A64557)
2007 (INOPERABLE) INTERNATIONAL DURASTAR 4300 (A67714)
2007 (INOPERABLE)...
2010 International 4300V TYMCO 500x Regenerative Air Sweeper Truck (A66736)
2010 International...
PIPEHUNTER HYDRO EXCAVATION TRAILER (A65643)
PIPEHUNTER HYDRO...
2007 Mazda 3 Sedan (A66738)
2007 Mazda 3 Sedan...
 
Top