JD 790 no lights working!!!

/ JD 790 no lights working!!! #1  

790greene

Member
Joined
Jan 21, 2011
Messages
45
Tractor
John Deere 790
I have a john deere 790 and the battery died (dead cell). After I jumped it and got it running I noticed that I have no lights now. If i hit the hazard light button it glows red, but wont turn on the lights and flash like its supposed to. The batttery, and oil lights on the dash work, but not the background lighting on dash either. I checked the fuses and they are all good. Also, the bulbs are all good. Does anyone have any ideas or a diagram of the electrical system? I appreciate any help you can give. Thanks.
 
/ JD 790 no lights working!!! #2  
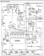
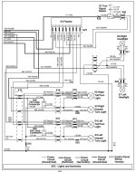
790 schematic from August 2003 manual.
 

Attachments

  • 790-1.jpg
    790-1.jpg
    286.8 KB · Views: 2,541
  • 790-2.jpg
    790-2.jpg
    273.1 KB · Views: 1,950
  • 790-3.jpg
    790-3.jpg
    237.3 KB · Views: 1,124
/ JD 790 no lights working!!! #3  
790 schematic from March 1999 manual.
 

Attachments

  • 790-old.jpg
    790-old.jpg
    336.3 KB · Views: 1,426
/ JD 790 no lights working!!! #4  
The issue seems to have started with your battery and from there you have problems.
Did you replace the battery?
Is the battery charging 14.4 VDC?
Did you check to see if the new battery is good?
Did you recheck battery connections?
If you could post any more conditions it would be helpful.
Craig Clayton
 
/ JD 790 no lights working!!! #5  
When the battery died in my JD 870 the voltage was rather weird after a jump start. Voltage was proper after a new battery. What does your hand held voltmeter read with the engine running after you installed a new battery?
 
/ JD 790 no lights working!!! #6  
I didn't catch the fact that the battery has not been replaced yet. Replace that first.
 
/ JD 790 no lights working!!!
  • Thread Starter
#7  
The battery has been replaced with the same battery from the dealer. It has since went bad too. John deere batteries seem to be junk. I put in a new battery last month from Auto Zone. Hopefully its better. The light problem happened a while ago, I just haven't had the time to tear into it till now. Everything else works fine, just no headlights or turn signals. The red dash lights light up whenever I start it or glow plug it. Thanks for the wiring diagrams.Hopefully they can help me. Also, I forgot to post that the tractor is an '07 model. Thanks again. I appreciate any help you can give me.
 
 
Top