BikeSanta
New member
I'm new to this forum, and I know the JD 770 is an old topic, but I have a PTO problem and could use advice. I recently bought this tractor (1990) with a JD model 70 loader, and about 2200 h on it. It has 4WD, and is in pretty good shape, both cosmetically and operationally. I've been using it for a couple of months for general dirt moving and other duties, with no problems. I was attaching my snow blower when I discovered that, even with the clutch all the way down, all I got when pulling up either PTO lever was gear grinding. Of course I stopped pulling on the PTO lever! The first advice I got was to adjust the clutch free play. I found that the clutch linkage was already as short as it could go. I've read that the clutch plates sometimes stick, but when I push down the clutch pedal, I don't "feel" the second clutch. Other than pulling the tractor apart - which is not likely to happen this winter - I can't think of anything else to try.
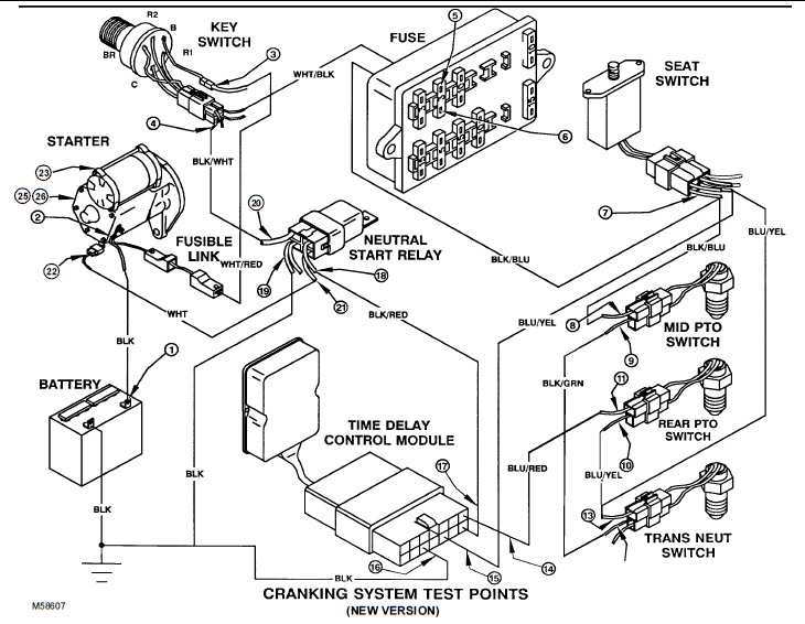
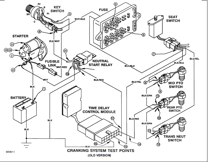
One mechanic suggested I defeat the rear PTO interlock by pulling apart the connector and installing a jumper. Then I could start the tractor with the PTO engaged, if I made sure the PTO would turn freely first. He directed me to the interlock on the right side, below the PTO output shaft. I tried this, but the tractor still didn't start if the rear PTO was engaged. I see there is a second interlock switch on the left side, below the seat. Haven't tried that one yet.
Does anyone have a suggestion? Do you know which interlock switch does what?
One mechanic suggested I defeat the rear PTO interlock by pulling apart the connector and installing a jumper. Then I could start the tractor with the PTO engaged, if I made sure the PTO would turn freely first. He directed me to the interlock on the right side, below the PTO output shaft. I tried this, but the tractor still didn't start if the rear PTO was engaged. I see there is a second interlock switch on the left side, below the seat. Haven't tried that one yet.
Does anyone have a suggestion? Do you know which interlock switch does what?
