Ford 4500

/ Ford 4500 #1  

Kacz55

New member
Joined
Aug 7, 2022
Messages
1
Tractor
Ford 4500
I have a 1970s ford 4500 tlb and the power steering is very erratic. Sometimes ok sometimes manual. Looking for some advice on repair
 
/ Ford 4500 #2  
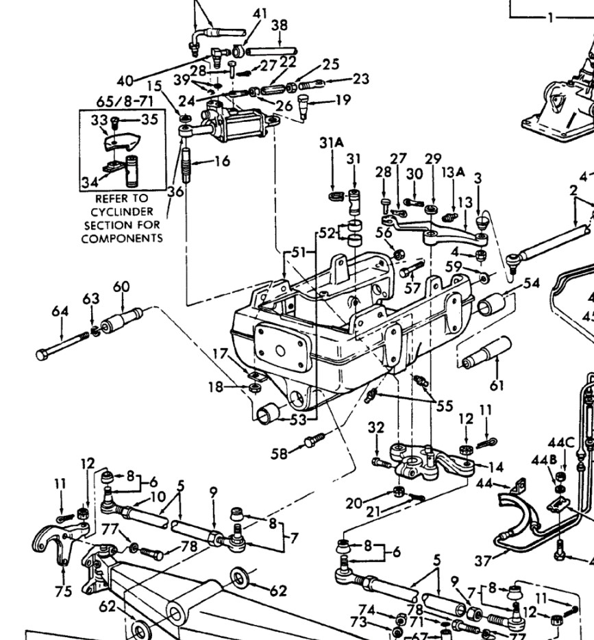
The steering valve sits in the nose as a complete assembly. If you are lucky....the arms just need to be greased. However, if the pivot pin, 31 or cylinder pins, 16 and 19 have wear, then you will not get the actuator, 22-25 to activate the valve that creates power assist from the cylinder when you turn left or right. There could also be wear in the actuator linkage as well. You have to take the front grill off, start the tractor and have someone turn the wheel while you watch what is going on. Be sure to not do this with the loader up OR block the loader up with a piece of HD angle iron on the lift cylinder that is just shorter than the lift rod when extended.
4500 Steering.jpg
 
 
Top