Ford 4000 draft Lever Blocked

/ Ford 4000 draft Lever Blocked #1  

DrPhil

New member
Joined
May 17, 2008
Messages
20
I've got a '71 Ford 4000 tractor with a bush hog loader. My problem is that the hydraulic lines for the loader hook up under the accessory cover on the front and the side. The side hose is in the way of my draft control lever. I can't push it forward to put the tractor in draft mode.

Is there a way to fix this? Is there an adapter that will angle the hose on the side down enough to let the lever by, or can I buy a new accessory hook up for the loader that has both hoses coming from the front, Or can I bend the draft control lever?

Here's some pics of my predicament.....
 

Attachments

  • 100_0182.JPG
    100_0182.JPG
    570.6 KB · Views: 4,764
  • 100_0183.JPG
    100_0183.JPG
    534.3 KB · Views: 3,446
/ Ford 4000 draft Lever Blocked #2  
i take it it is hitting the fitting and not the aluminum block.

hmm.. could put a top cover remote on there for a couple hundred and re-plumb..

could cut the draft lever or heat and bend... might wanna be carefull with a heat and bend.. heat conducts real well :)

soundguy
 
/ Ford 4000 draft Lever Blocked #3  
is there a set screw on the bottom that hold the arm in place. If so, I then take the original arm off and make up something in lieu of it to allow manipulation of the valve and keep thr original is safekeeping.

JC,

I suppose you can get a a hack saw and nip the tip so it would not interfere.
 
/ Ford 4000 draft Lever Blocked #4  
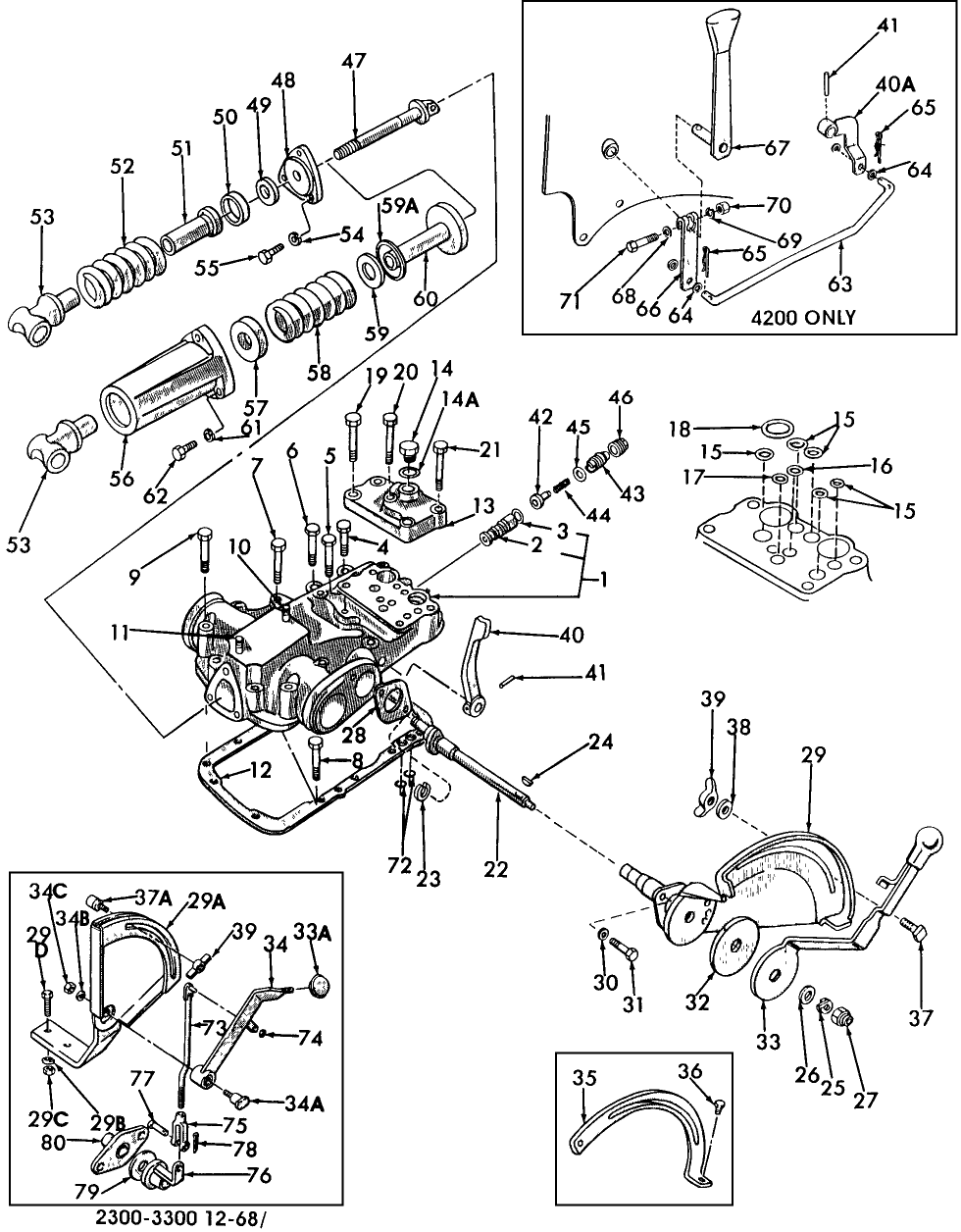
locking pin holds it on

87336 LOCK PIN Pin, 3/16" x 7/8", Slotted, Start Year: 01/01/1965

see 40 and 41 in pic

soundguy
 

Attachments

  • 4000hydcover.gif
    4000hydcover.gif
    73.5 KB · Views: 8,752
/ Ford 4000 draft Lever Blocked #5  
locking pin holds it on

87336 LOCK PIN Pin, 3/16" x 7/8", Slotted, Start Year: 01/01/1965

see 40 and 41 in pic

soundguy

so it should not be too difficult to drive the pin out, take the lever off and rig up something in place. May be a gate valve handle or some qtr turn ball valve handle can be rigged up.

JC,
 
/ Ford 4000 draft Lever Blocked #6  
yep, IF it cooperates and comes out.. :)

perhaps use a piece of small diameter pipe the correct size, cross drilled for a heavy cotter pin for easier removal, then whatever offset handle .. like a piece of strapping or a long bolt welded to the pipe end i a t fashion.. or that handle you mentioned.

trick will be getting it out without too much fussing.

soundguy
 
/ Ford 4000 draft Lever Blocked
  • Thread Starter
#7  
Thanks guys. I went by the Bush Hog dealer yesterday and after much serching, they found another of the aluminum blocks that had four connections instead of just the 2. (I can't remember what it was called) It was $95.

I'll try today to get the pin out....that seems like more cost effective.
 
/ Ford 4000 draft Lever Blocked #8  
maybe i'm seeing it wrong but it looks like you could remove the pin and turn the handle around and refasten.
 
/ Ford 4000 draft Lever Blocked #9  
maybe i'm seeing it wrong but it looks like you could remove the pin and turn the handle around and refasten.

I thought about it too but it might not allow full valve stroke id handle is turned 180 degrees. Certainly, there is no harm giving it a try once the pin and handle is removed.

JC,
 
/ Ford 4000 draft Lever Blocked #10  
yep.. once th pin is out.. you can fab ANYTHING that will work.

to thew OP.. the plate is likely generically refered to a power beyond palte.

soundguy
 
/ Ford 4000 draft Lever Blocked
  • Thread Starter
#11  
That's right! It's a power beyond plate.
 
/ Ford 4000 draft Lever Blocked #12  
:)



soundguy
 
 
Top