Ford 3910 no HYD Remotes?

/ Ford 3910 no HYD Remotes? #1  

polaris500

New member
Joined
Sep 18, 2010
Messages
16
Location
North West PA
Ok i just picked up my 3910 and there are no hyd Remotes on it.

I would like to add some, What all do i need to do to make this happen? Im waiting on a owners manual and service manual to come in so i got no reference to anything right now..

Also on the right and side right below the 3pt Levers There is a little black know one side marked F and other S what is this for? I have never seen anything like this on any of my tractors. i Tried turning it but it wouldn't budge
 
/ Ford 3910 no HYD Remotes? #2  
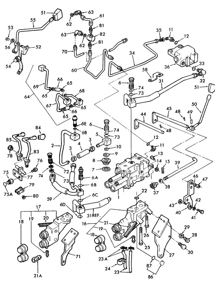
There are several remote hydraulics options for the 3910. One of them is shown in the attachment below. It is a dual system, but I think there are single remotes available. I have no idea what the price is, but I'm sure they are not cheap. New Holland remote hydraulics kits are elegant and well made.
 

Attachments

  • 3910remote.jpg
    3910remote.jpg
    253.5 KB · Views: 5,791
/ Ford 3910 no HYD Remotes?
  • Thread Starter
#4  
Ouch I never thought a price like that. Maybe ill just stick to no putting them on here and just use the 1066 for anything i need hydraulics.
 
/ Ford 3910 no HYD Remotes? #5  
polaris500 said:
Ok i just picked up my 3910 and there are no hyd Remotes on it.

I would like to add some, What all do i need to do to make this happen? Im waiting on a owners manual and service manual to come in so i got no reference to anything right now..

Also on the right and side right below the 3pt Levers There is a little black know one side marked F and other S what is this for? I have never seen anything like this on any of my tractors. i Tried turning it but it wouldn't budge

The knob is the lift rate adjustment. Fast-slow. Few people use it/or know why it's there, so they seize. Usually the knob is broken off from trying to free it
 
/ Ford 3910 no HYD Remotes? #6  
try gettin a valve from a salvage yard call gulf south equipment they should have a good used one
 
/ Ford 3910 no HYD Remotes? #7  
The knob is the lift rate adjustment. Fast-slow. Few people use it/or know why it's there, so they seize. Usually the knob is broken off from trying to free it
How true but most people don't seem to use ground-engaging implements with their tractors any more. By the way, mine is free and moves easily. ;)

Polaris- It would be cheaper to add a pump driven off the front of the crank and make your own lines and add valves. My 3910 didn't come with an aux pump or valve body either. When I checked the prices of factory equipment, even used, it was more than I wanted to spend on a 24 year old tractor just to have rear remotes. If you're handy at fabrication, the brackets are easy to make. It will also let you choose the pump capacity if you choose to add a FEL later.
 
/ Ford 3910 no HYD Remotes?
  • Thread Starter
#8  
Ok i found some but now i need to know weather i need

non-detent

or pressure detent

Whats the difference and what is the best choice
 
/ Ford 3910 no HYD Remotes? #9  
polaris500 said:
Ok i found some but now i need to know weather i need

non-detent

or pressure detent

Whats the difference and what is the best choice

Non-detent, let go of the handle, it springs back to neutral.

Pressure detent, move the handle, it will stay in position until a certain (should be adjustable) pressure is reached, then it springs knack to neutral.
 
/ Ford 3910 no HYD Remotes? #10  
and base that on application. IE> I wouldn't use a detent on a loader.. etc..

soundguy
 
 
Top