Could air cause this issue???

/ Could air cause this issue??? #101  
You don't by chance have the schematics for the DW Hydraulics? What model is the DW?

Kim
 
Last edited:
/ Could air cause this issue???
  • Thread Starter
#102  
If I read this right, you disconnected the return line from the valve and left it capped with the OC, then you ran another line into the top of tank and where able to crank the engine and it bogg without you operating the valve or any other functions. How was the fluid flowing thru the line you dropped into top of tank. Still just a guess, but I am thinking you might have connected your return to another pressure line also. The flow you are seeing could be flow from overriding a relief valve somewhere Not to sure about how many pumps are on your DW, but I know it has at least one small gear pump, (seen in one of the pictures) a variable pump, and I would guess another pump for the Bh attachments. The small pump that can be seen in one of the pictures might be a power steering pump or pilot pressure pump, (guessing again), and be low pressure. Of course these are just wild guesses. I think before i gave up on the aux, I would try putting everything back like it was intended for the DW operation and connecting your pressure line to the PB port on your aux valve instead of the fitting in the side of the aux valve, and running your return to either top of tank or to another return that you know for certain just goes to tank. That fitting in the side of the aux valve, unless it is specificly marked as a pressure port might not be meant to be tapped into for a high pressure connection.

Give me a call, I will be going your way as soon as I get my bags packed, should be going by Persimmon road in about an hr.

Sorry I got tied up helping neighbor a get some firewood stocked up...

All I did this morning was connect the 20' pressure line (from the Prince two spool valve) to the pressure line on the DW...but instead of connecting the 20' return line from the Prince valve to the auxiliary return line...I fed it into the tank fill port...

From the onset...and the way I marked the two auxiliary lines before I ever disconnected them from the original valve (the pressure side was marked with red tape) in its original position at the main station...and along with the way I configured the QD's on the 20' hoses....there is no way I could have ever had them crossed...

Just an off the wall feeling but I think the auxiliary circuit may act the way it is because it was intended to be used for a horizontal boring attachment....and even though the (original) single spool OC valve (that has no PB port) could be specifically made to work with a closed center circuit so the horizontal boring motor could be controlled from the BH station??...I just know this is not a typical OC circuit even though the the OC single spool valve works the splitter great...
 
/ Could air cause this issue???
  • Thread Starter
#103  
You don't by chance have the schematics for the DW Hydraulics?

Kim

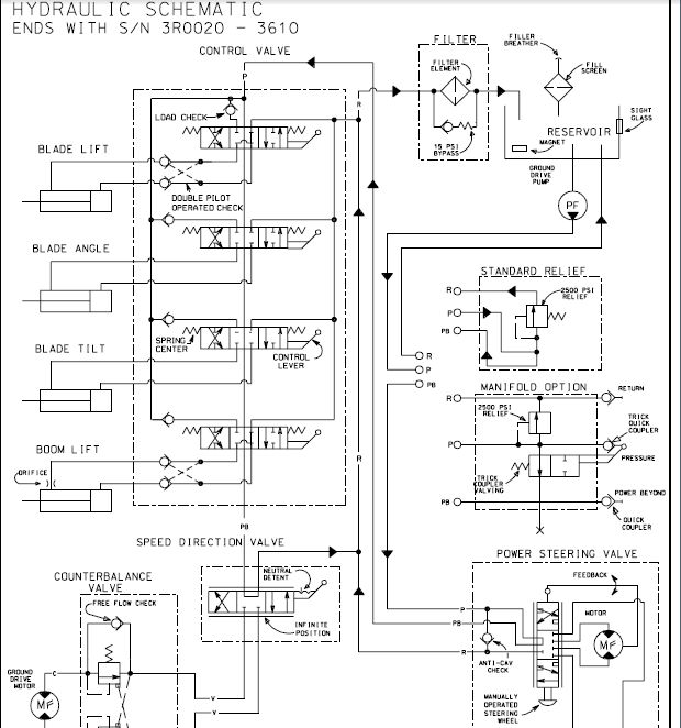
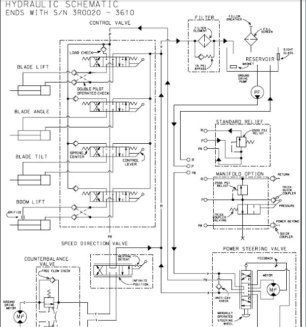
I think this is the correct one...this image does not show the trencher hydraulics...it also does not include any auxiliary circuit...

The P, R and PB are there but not the auxiliary port on the manifold the backhoe is currently connected to the P and R ports shown on the schematic...

hydro_schematic_3610.jpg
 
/ Could air cause this issue???
  • Thread Starter
#105  
As I mentioned earlier today...I am through messing with the "auxiliary circuit" in regard to external hydraulic operations (using more than one spool anyway!...like firewood processing etc.) and am pursuing the use of the BH pressure and return ports...I do not want to alter or change anything per se because I am interested in acquiring a horizontal boring attachment...I have seen them for as little as $400 (without any heads/pipe etc.)...however...

...For myself and I'm sure those that have been interested, followed or at least read the thread also want to know "what is what" (for lack of a better expression) with the issue I've related with the auxiliary circuit...and I will do what I can to find out...

All the responses have been a great help (even if for nothing but moral support...and knowing you guys like to resolve problems too) and having TBN, with the knowledge and experience of the contributors is a great asset...!

About the "something" I mentioned after this morning's experience with the "return" line...here is the best I could do to get a pic (without rigging up a klieg light!)...of what the original return line (or at least was originally connected to the tank/return side of the original valve)...is connected to before what I believe is a T at the bottom of the tank...The pic shows what I have been referring to as the auxiliary return line as per the way it was connected to the original auxiliary valve...I pulled the abrasion shield back as best I could...This may be entirely irrelevant and the pic may be of just a typical #10 ORFS connector??...here's the pic:

MVC-003F.JPG

Something else that may or may not be relative is that the line of the connection in the picture (end that can't be seen) has some free movement at the (T) end like it is connected to some type of swivel pressure fitting...there has never been any leaks there and I have only noticed the movement when connecting to the line...
...This is the same line that was deadheaded this morning (again, the same line that was originally connected to the tank/return port of the original valve...FWIW...
 
/ Could air cause this issue???
  • Thread Starter
#106  
Is that all you have?
Not all...is there a particular section ?...I have nothing that shows the auxiliary circuit...as for changes in years etc. for a 3610...what I posted matches my machine the closest...

FWIW...When I got this machine it came with another auxiliary circuit that did use a two spool valve...it was installed in the BH circuit (from this two spool valve's PB to the BH)...one spool controlled the front blade (up/down) and the other spool allowed the operator to creep forward or backward through the hydraulic ground drive (depending on the gear transmission) from the BH station...The point is...I can't find any of these auxiliary option ports on any schematic etc...there are also (capped off or plugged) OEM ports all over the machine for different option/auxiliary attachments/applications etc... but none of them (ports) appear on any of the schematics I've found...!
 
/ Could air cause this issue??? #107  
I think this is the correct one...this image does not show the trencher hydraulics...it also does not include any auxiliary circuit...

The P, R and PB are there but not the auxiliary port on the manifold the backhoe is currently connected to the P and R ports shown on the schematic...

View attachment 453985
So, are you connecting to the "Manifold Option" ports?

Aaron Z
 
/ Could air cause this issue???
  • Thread Starter
#108  
So, are you connecting to the "Manifold Option" ports?

Aaron Z

No...the (auxiliary) ports I have been trying to get a two spool valve to work on is not on the schematic (or any I've found)...

...See the second pic in post #49...what I have been using for a pressure line is marked with a band of red tape...it comes off the manifold between the pressure and PB ports...
 
/ Could air cause this issue???
  • Thread Starter
#109  
So, are you connecting to the "Manifold Option" ports?

Aaron Z

After re-looking at the schematic...if this (circled in red) is the port I have been using as a pressure line it may answer a few questions ??

View attachment 454016
 
/ Could air cause this issue??? #110  
Might just be me, but I get "invalid link attachment" when trying to open that last one
 
/ Could air cause this issue???
  • Thread Starter
#112  
Here is the picture that would not come up...

MVC-003F.JPG
 
/ Could air cause this issue??? #113  
Kind of looks like a QC that is not plugged all the way on doesn't it?
 
/ Could air cause this issue???
  • Thread Starter
#114  
Kind of looks like a QC that is not plugged all the way on doesn't it?

What it looks like to me is a typical ORFS connection...but what is interesting is while the connection in the picture is rigid...there is some free movement at the other end (where I can just barely see) appears to be a Tee (previously mentioned)...this is the interesting part...the movement is such that it would surely be leaking if pressure was not preventing it when the machine is running...but this is the same line that was originally connected to the Tank/OUT port on the original single spool valve...

For the record...before I ever did anything I marked the line going into the Pressure side of the original valve...(there were only a pressure and a "tank" line...the working ports were deadheaded with QD's)

...After marking and then removing the two lines to the valve I positively confirmed that with the spool centered air passed freely from the P to the T ports...so I assumed this was a typical single spool OC valve...(...what they say about the word "assume"...!)

At any rate after what I've seen...I do not think that the "original" valve is typical...!...I think if I would have had/tried a typical OC single spool the same thing would happen...

With the low temps and lousy weather coming...I may have time to call the dealer and talk to a specialist that is familiar with all the auxiliary circuits etc...and possibly send me some documentation...they have been more than helpful in the past...
 

Marketplace Items

2016 Chevrolet Silverado 1500 Crew Cab Pickup Truck (A61573)
2016 Chevrolet...
UNUSED WOLVERINE MSG-11-44W STUMPLE GRAPPLE (A64281)
UNUSED WOLVERINE...
2011 Chevrolet Silverado 1500 Work Truck (A62613)
2011 Chevrolet...
FORD 5610 TRACTOR (A64276)
FORD 5610 TRACTOR...
Bell 500 Gallon Saddle Tank (A64119)
Bell 500 Gallon...
Bobcat 435 FastTrack (A60462)
Bobcat 435...
 
Top