Complete hydraulic failure

/ Complete hydraulic failure #1  

olinbrown

New member
Joined
Sep 16, 2013
Messages
3
Location
sticks nh
Tractor
JD FORD861
I've got a 2000 JD 4100 gear shift with loader. Before going on vacation I was using the tractor noticed the loader hydraulics seemed to be moving slow. Done with the project and didn't think too much of it. Came back from vacay, fired her up to warm up and when I got on and ready to go I had absolutely no hydraulics on the loader, 3pth, or steering. Read through some posts for info. took some advice, drained and changed fluid and cleaned the screen. Screen wasn't so bad but I did notice some metal shavings on the magnet within the screen. Got things back together fired her up and still absolutely nothing for hydraulics. Any advice on where to go next? Wasn't any visible leaks previously, checked all connections. Pump? SCV? If I have some direction I don't mind wrenching on it, just trying to avoid going to the dealer
 
/ Complete hydraulic failure #2  
Welcome,
You will have to determine if the pump is working, its gear driven directly from the engine. First, I suggest registering (for free) in www.jdparts.com so you can look that the components involved, then maybe order a service manual (on CD they are about $60) for your machine if your going to do the work yourself.
 
/ Complete hydraulic failure #3  
Install a hyd gage in the hyd system.

Might need to prime the pump.

Can you determine if the pump is even turning?
 
/ Complete hydraulic failure #4  
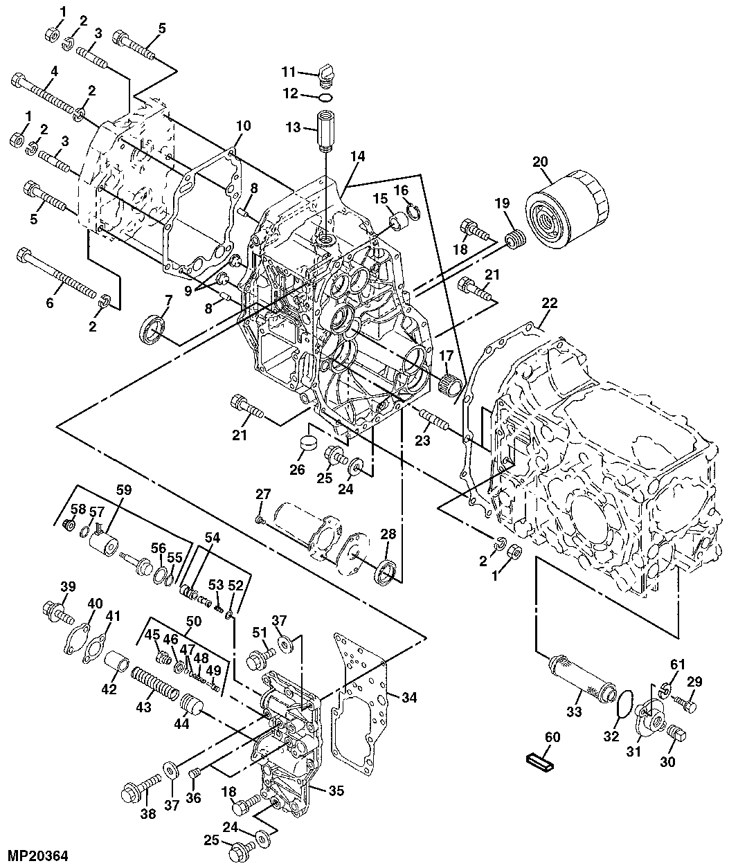
Did you change filter(parts key #20) 1st photo PN LVU800097
Have you checked the filter(parts key #8)? 2nd photo M808624 Filter
 

Attachments

  • MP20317________UN25FEB99.gif
    MP20317________UN25FEB99.gif
    25.9 KB · Views: 295
  • MP20364________UN07JAN99.gif
    MP20364________UN07JAN99.gif
    46.8 KB · Views: 388
/ Complete hydraulic failure #5  
My methods are a little messy. First you need to know if the pump is even pumping. Metal in screen isnt a good sign. I would loosen the hyd line from pump at the control valve, crank it up move a lever, and see if it sprays a ton of oil. If it does, your pump is doing something. If it doesnt spray, then you know the pump is either not sucking oil or has failed. If it does spray oil, you know the pump is getting oil, but you need a pressure guage to see how much. If pressure is within spec. Control valve would be my next check. The metal in your screen could have come from the relief, so move gauge to other side of control valve and connect to line from valve to loader. Crank machine, activate lever and see if you have pressure there. If no pressure there, but you have pressure going into valve. Probably your relief or control valve is bad. If you have pressure between control valve and loader, but still no function, then you could have a cylinder that has come apart on the loader itself. Not likely since you have more than one function on a loader and operated buy two different spools in the control valve. Even if one function didnt work because of a bad cylinder, the other function should operate. I have had control valves go bad, but its usually sticking in one directions caused by either metal from an exploded relief, or from a hydraulic motor thats blown, or check valve somewhere in the system. Even then I would have some sort of function from the control valve, even if not the full power usually expected. My bet without knowing more, is your pump is not pumping for some reason, clogged suction line, not enough fluid, or simply because the pump has failed.
 
/ Complete hydraulic failure
  • Thread Starter
#6  
I do have the technical manual on CD and I had some time to spend on it today. The pump is not doing a **** thing. Its not moving any fluid at all. Before I pull the pump off is there a way to check the suction line for a clog or does the whole line need to come off and get blown out? The fluid level on the dipstick reads correct but since I changed the fluid and nothing is circulating could there be air in there and need more fluid and prime? Hoe do you prime the Hydraulic system?

TX Jim I did replace and check the filters you had mentioned. Thanks for the advice guys.
 
/ Complete hydraulic failure #7  
Can you loosen the suction hose at the pump and see if there is fluid at the pump input?

Can you determine if the pump shaft is actually turning?

Some people have used and air hose to inject air to the reservoir to help start the prime.
 
/ Complete hydraulic failure
  • Thread Starter
#8  
Pump is certainly not turning. Pulled the pump off and it was essentially seized. I assume ths shaft should spin freely. Pulled the cover off the pump and the gears and bearings seem intact with barely any noticeable scoring, spins freely with the cover off. Press the cover back on and it is very hard to spin the shaft. Gonna order a rebuild kit.
 
/ Complete hydraulic failure #9  
Pump is certainly not turning. Pulled the pump off and it was essentially seized. I assume ths shaft should spin freely. Pulled the cover off the pump and the gears and bearings seem intact with barely any noticeable scoring, spins freely with the cover off. Press the cover back on and it is very hard to spin the shaft. Gonna order a rebuild kit.

Pix..??
 
/ Complete hydraulic failure #10  
Are the hoses attached when you spin it? If they're off it sounds like the cover is causing interference somehow. If they're on and still sealed, it'll build pressure so you can't turn it.
 
 
Top