case 530ck

/ case 530ck #1  

harvdawg

New member
Joined
Jul 7, 2011
Messages
1
Tractor
Case 530ck Backhoe
looking for help with case 530ck brake repairs. one pedel has some action the other resting on the floor loose. limited or no brake operation, a little scary on my hilly properity. i have the repair manual but am a little aprehisive about taking them apart. this is my first tractor. any help or advice would be appreciated.
 
/ case 530ck #2  
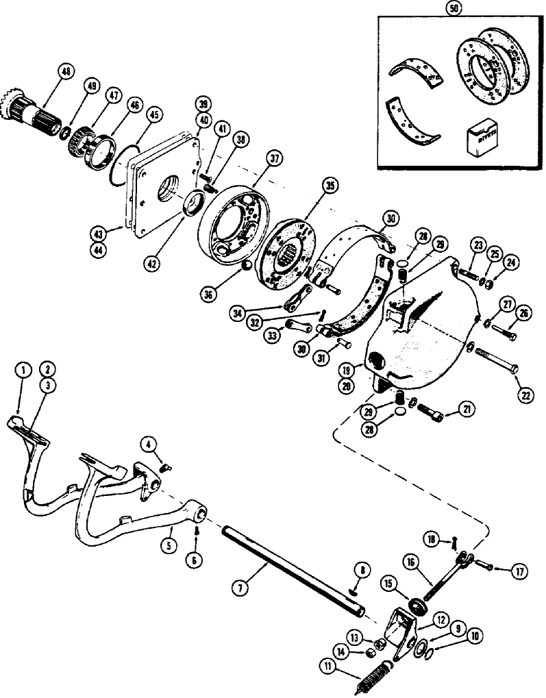
The brakes aren't bad to work on. Look to be the same as on my 480C. I've added the picture of the brake assembly, to help point out some things. More then likely the brake band around the drum is shot. I also found the small return springs on mine broken. You will need to remove the small freeze out plugs to replace them if needed. (Drive them out from the inside with a small punch.)

The brake actuator can be taken apart fairly easy by popping the springs off with a screw driver. More then likely, the balls will need cleaned, and buffed, or replaced.

The faces where the brake discs make contact can be buffed up well with a Roloc pad on an air die grinder. If you don't have one, they are well worth it for cleaning up thngs like this. Mine is from Harbor Freight, but is the little more expensive one they had 20 years ago. Still working well... The medium pads work for about anything like this.

If the seal in the bearing housing needs replaced, unless they changed the style heads, you will find 4 large #4 Phillips style headed screws holding it in. I replaced them with the same sized screws with Allen type recessed heads. A lot easier to torque in, even though it is only like 15 in. lbs.

IF the seal needs replaced, you will note in the manual (or it should be in there) to use a special tool, to go over the splined bull pinion shaft, to protect the seal. It is easy to invert/damage that seal putting it back in. I found out from an experienced Case mechanic, to thoroughly clean that shaft(brake cleaner is my favorite..!!), then wrap from the inside out ( you will see a flat area where the splines end, and the flat surface where the seal rides) with electrical tape. Apply a light coat of oil to the tape, and the seal will easily slide over it. Then pull the tape off, after installing the attaching screws. It is important, to wrap from the inside out, that way there is a smooth surface for the seal to slide over. Being they cost $15.00 to $17.00 ea. @ NAPA, or like Motion Industries, you don't want to ruin too many... I found a place in N.J. that has the same CR seal, for about half that price, you just need to cross reference the part #.

If the discs are oil soaked, you may choose to replace them, or..., as I found out from some local Case collectors.., I boiled the oil out of them. It is best to do it outside... Lay them on something suitable to take heat, and dripping oil... Take a propane torch, and in circular motion, put the flame on the disc surface. Not too close, but close enough to apply decent heat. You won't believe the oil that will come bubbling out. I was a litle apprehensive doing this, being they are bonded surfaces, but it worked... Just be gentle with the heat...!! I let them cool a bit, then cleaned with brake cleaner... Just use lots of caution...!! I did this several times over, to get what most I could out of them. Then buffed a bit with a finer grade sandpaper... Just be careful of the dust..

For you brake parts, I would recommend Joseph Industries. They were the least expensive of the aftermarket dealer I could find at the time. Here is their link: Remanufactured Transmissions, Torque Converters, Engines - Joseph Industries

If he is still there, you will speak with Bill Pingley, a heck of a nice guy... Tell him Dave J., from Carroll, OH. referred you to him. They have all of the parts needed.. Brake bands, springs, the small plugs that cover the return springs etc. You may want to check other prices first, but they beat everyone else hands down on prices, and more than likely, the same "Made in China" parts. And they ship things out pretty quick. Being we are both in Ohio, but 150 miles apart, I could order before noon one day, and it was at my door the next...

If by chance, you do need seals, here is a link to the place I got mine, although you will need to cross reference the seal number, like through NAPA online. Here is the link to JBR bearing... JBR 17 LLC It's takes about a week, to 10 days to get the seals though.. Might be worth it to get an extra set, as the brake seals seem to be a problem area for Case.

If you have any problems PM me from here, maybe I can help..., maybe not.. I don't check the forum everyday in the summer, but do my email...

Hope this helps..!!
 

Attachments

  • 001CSC-145288.gif
    001CSC-145288.gif
    36.5 KB · Views: 2,473
 
Top