Building a Log Arch

/ Building a Log Arch #1  

Furu

Veteran Member
Joined
Nov 20, 2009
Messages
1,030
Location
.
Tractor
.
I am looking at building a log arch as the ones I have found are lighter than I want or the shipping costs are unbelievable due to the weight. I have a few areas that skidding is not the best idea and wanted to try an arch for getting large diameter boles out.

My question is I am not certain what kind of wheel assembly is required since there is not a through axle. Does anyone know what the name of the wheel and hub assembly is to attach to a vertical mount that would not have an axle connection to the assembly on the opposite side? Think of a large upside down U of 3" diameter pipe that has each wheel mount on the bottom of the upside down U legs. Could be welded or bolted to the 3" vertical pipe leg.
 
/ Building a Log Arch #3  
Trailer supply shops have axle ends meant to be welded into tubes.
Would be simple enough to drill 2 holes in your 3" tubes with marching size to the axle end and simply weld them in place.

On the cheaper some front drive cars have rear axles that are bolted and could be bolted to a solid plate that you would have welded to your arch legs.

Good luck, sounds like a neat project that I have often contemplated myself.

PS; they are called SPINDLE ENDS and I saw them in the link provided by the previous poster.
 
Last edited:
/ Building a Log Arch #4  
Your talking about building one of these?
118801d1231874732-all-terrain-vehicle-logging-arch-002.jpg
 
/ Building a Log Arch #6  
I always thought a VW rear axle would be a good start when rotated 90 degrees to put the crossbeam on top.

Bruce

VW rear
 
/ Building a Log Arch #7  
Are you needing wheels and tyres as well?

Your winch hasa 11500 Lb pull and will be able to lift that amount.

Tyres will be looking a Duel truck tyres.

What you want is the back axle out of a truck. You may be able to find a trailer hub set as well. larger road going truck ot trailer may be an over kill but the cheepest over all option.

You say you are thinking of using 3 inch pipe.

To me I would build the arch with the Axle complete and only cut the middle out on completion as this will keep the wheels in line while welding.
 
/ Building a Log Arch #8  
I think you're looking for a couple of these. Build your arch and weld a stub on either side.
 

Attachments

  • 2080075.jpg
    2080075.jpg
    134.2 KB · Views: 1,111
/ Building a Log Arch #9  
When I built my log arch I went to the local auto salvage and bought a couple rear hubs off a Chevy Cavalier. They charged me $20.00 for the pair. I also pickup up 2 mini spare tires that fit the hubs. All salvage yards have plenty of mini spares and most of them look like new. Best of all they told me I could have the mini spares for free!
 

Attachments

  • becket burner 004.JPG
    becket burner 004.JPG
    338.9 KB · Views: 9,287
/ Building a Log Arch
  • Thread Starter
#10  
When I built my log arch I went to the local auto salvage and bought a couple rear hubs off a Chevy Cavalier. They charged me $20.00 for the pair. I also pickup up 2 mini spare tires that fit the hubs. All salvage yards have plenty of mini spares and most of them look like new. Best of all they told me I could have the mini spares for free!

That is a very nice design and very well put together. You can see your background in the quality.
 
/ Building a Log Arch #11  
A friend of mine is parting out his Dodge Durango. I'm gettng the front wheels/tires/hub assemblies to build an arch for myself. I'm looking to build a heavy duty arch capable of 36" diameter boles and this seems like a cheap way to get started.
 
/ Building a Log Arch #12  
That is a very nice design and very well put together. You can see your background in the quality.

Thank you. After gathering all the parts it only took me one Sunday to build it. I got a deal on the tubing from a buddy, that is why I used it. It also helps I have a tube bender. The tubing is 1 7/8" .125 wall. If I would have used a heavier walled tubing I could have skipped that extra truss on top. I did build it without the truss and when I tested the arch (before I painted it) on a 18" diameter by 16 foot elm log I noticed the top main tube was slightly bowed. So I trussed it and now it doesn't bow at all.
 
/ Building a Log Arch #15  
I really like this one, you did an excellant job of it.
 
/ Building a Log Arch #16  
When I built my log arch I went to the local auto salvage and bought a couple rear hubs off a Chevy Cavalier. They charged me $20.00 for the pair. I also pickup up 2 mini spare tires that fit the hubs. All salvage yards have plenty of mini spares and most of them look like new. Best of all they told me I could have the mini spares for free!

Very nice!

Why did you not extend the beam out the back a couple feet so you could hang a chain there to wrap the log with. Then use the leverage of the tongue to lift the log and wrap another chain up at the head end. The load would then be fully supported. I think that would be easier than cranking on that winch is a dead straight lift.

Make it look something like this:

Grasshopper - YouTube
 
/ Building a Log Arch #17  
Very nice!

Why did you not extend the beam out the back a couple feet so you could hang a chain there to wrap the log with. Then use the leverage of the tongue to lift the log and wrap another chain up at the head end. The load would then be fully supported. I think that would be easier than cranking on that winch is a dead straight lift.

Make it look something like this:

Grasshopper - YouTube

My plan, exactly. As long as I don't have to go up or down any really steep rises. Not sure my brakes would stop me with a real heavy log.
 
/ Building a Log Arch #18  
Very nice!

Why did you not extend the beam out the back a couple feet so you could hang a chain there to wrap the log with. Then use the leverage of the tongue to lift the log and wrap another chain up at the head end. The load would then be fully supported. I think that would be easier than cranking on that winch is a dead straight lift.

Make it look something like this:

Grasshopper - YouTube

Most logs up to 14ft it lifts it fully off the ground. There is 5ft between where the winch it mounted to the tongue. I skidded a longer log and most of the weight is off the ground and made skidding it very easy.
 
/ Building a Log Arch #19  
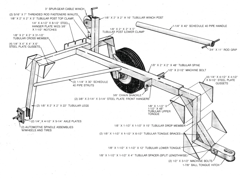
This plan is from and old Mother Earth News. A friend of mine has built one and it works very well.
 

Attachments

  • Log-Arch2.jpg
    Log-Arch2.jpg
    226.6 KB · Views: 6,196
/ Building a Log Arch #20  
This plan is from and old Mother Earth News. A friend of mine has built one and it works very well.

Thats basically what mine is. I just made mine out of tubing.
 
 
Top