Need Help w/ Bolens Iseki G174 Implement Attachment
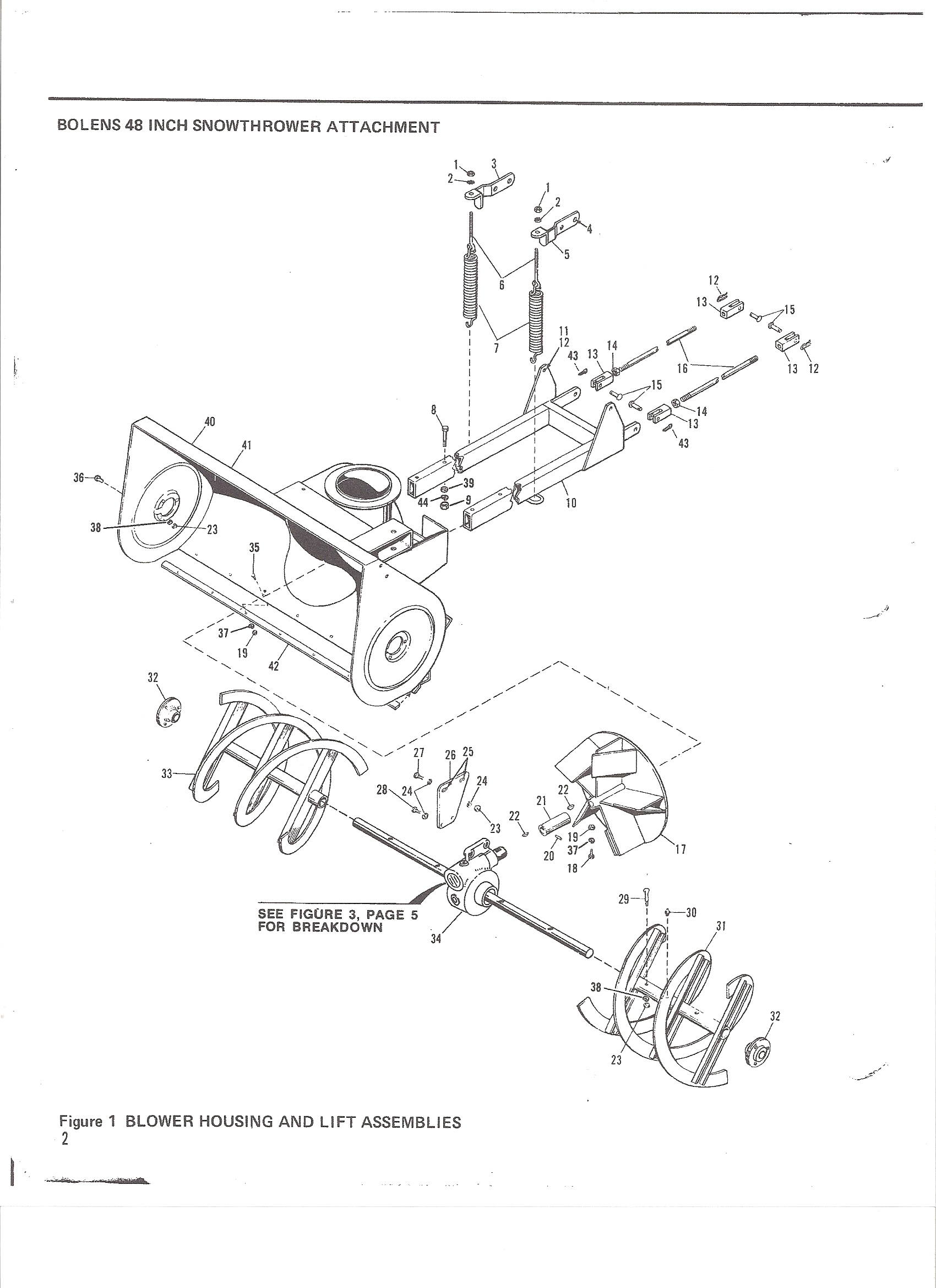
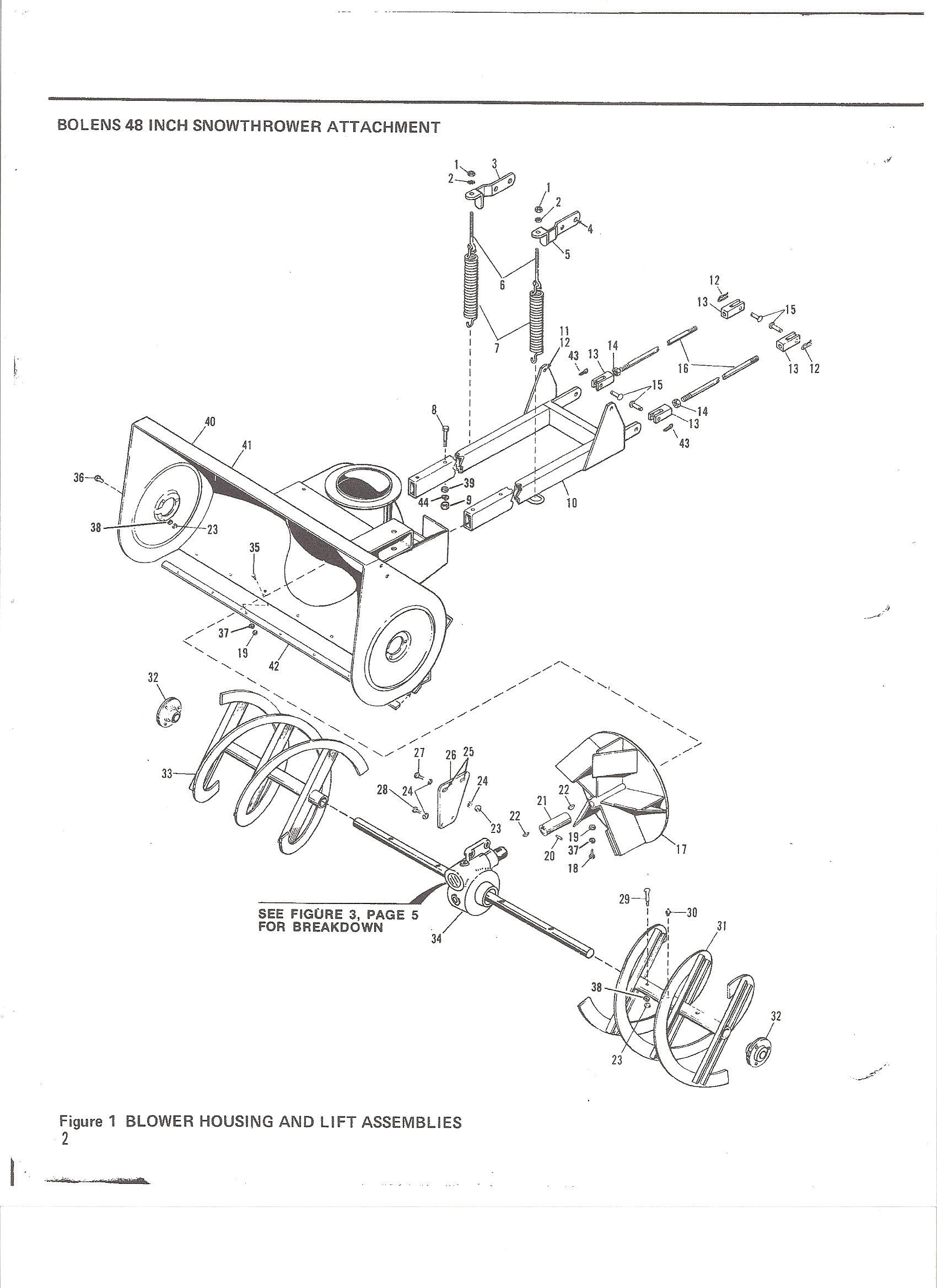
I have a Bolens Iseki G174 TX1500F and I just purchased a 48" two stage snow blower and a 54" mower deck for it. Can anyone tell me how they are attached to the tyactor so they raise and lower. I downloaded the implement manuals for them but they seem to be missing a couple of details. At the rear of the snow blower there are two rods but the manual does not show where the two rods attache to the underside of the tractor. The mower manual shows a lot of linkage on top of the mower but it doesn't show how that linkage attaches to the underside of the tractor either. Can anyone help. Thanks.
I have a Bolens Iseki G174 TX1500F and I just purchased a 48" two stage snow blower and a 54" mower deck for it. Can anyone tell me how they are attached to the tyactor so they raise and lower. I downloaded the implement manuals for them but they seem to be missing a couple of details. At the rear of the snow blower there are two rods but the manual does not show where the two rods attache to the underside of the tractor. The mower manual shows a lot of linkage on top of the mower but it doesn't show how that linkage attaches to the underside of the tractor either. Can anyone help. Thanks.
Last edited:
