Anyone have a JD 4600 / 4700 with creeper gear?

   / Anyone have a JD 4600 / 4700 with creeper gear? #11  
Different tractor, 6000 series. But I kick myself that I didn't add creeper gears when I replaced the transmission a while back. Hydrostat is one thing, but as for gears, you can never have enough of them.
 
   / Anyone have a JD 4600 / 4700 with creeper gear? #12  
Here is a schematic of the operation of the creeper gear.. so if you can figure out if it is in the tranny, and how to move it with your lever, you may have success..
 

Attachments

  • 4600_creeper_op.jpg
    4600_creeper_op.jpg
    149.6 KB · Views: 136
   / Anyone have a JD 4600 / 4700 with creeper gear? #13  
Maybe this will help. This is the transmission case, left side. D = Differential Lock. G = Gear shift. R = Range shift. C = Creeper shift
 

Attachments

  • 4700transcase.PNG
    4700transcase.PNG
    146.7 KB · Views: 139
   / Anyone have a JD 4600 / 4700 with creeper gear? #14  
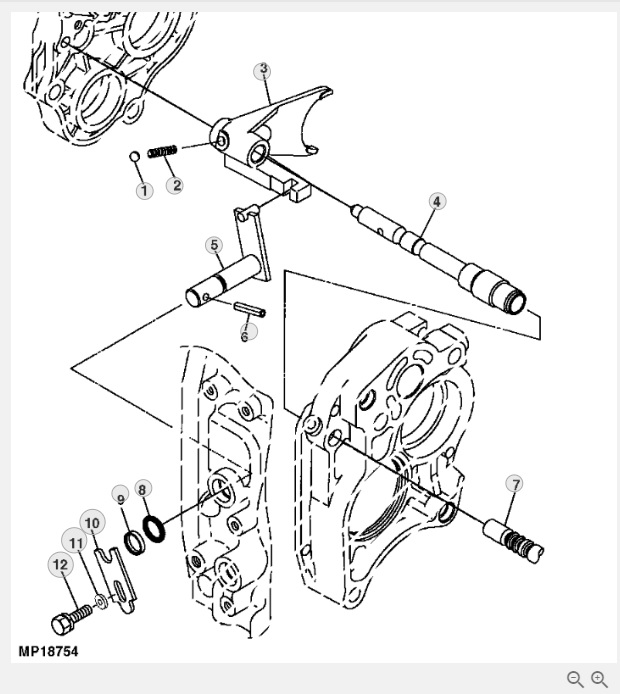
Can add to Zeb's post, the creeper shift mechanism..
 

Attachments

  • 4600_creeper_shift.jpg
    4600_creeper_shift.jpg
    101.3 KB · Views: 119
   / Anyone have a JD 4600 / 4700 with creeper gear? #15  
And the creeper control shifter . Hoping the OP is getting some help from this. Maybe we'll hear back.
 

Attachments

  • 4600_creeper_control.jpg
    4600_creeper_control.jpg
    61.6 KB · Views: 111
   / Anyone have a JD 4600 / 4700 with creeper gear?
  • Thread Starter
#16  
Great!!! Thanks guys. I'll compare to my trans tomorrow and report back
 
   / Anyone have a JD 4600 / 4700 with creeper gear? #17  
Interesting. While I have the HST version of the 4600, I would be interested in what the Creeper gear would do for you?
 
   / Anyone have a JD 4600 / 4700 with creeper gear?
  • Thread Starter
#18  
Maybe this will help. This is the transmission case, left side. D = Differential Lock. G = Gear shift. R = Range shift. C = Creeper shift

Thanks. It doesnt appear the creeper is in there.

Interesting. While I have the HST version of the 4600, I would be interested in what the Creeper gear would do for you?

Tilling mainly, and just to have it
 
   / Anyone have a JD 4600 / 4700 with creeper gear? #19  
Thanks. It doesnt appear the creeper is in there.



Tilling mainly, and just to have it

Do you have just the shaft coming out of the transmission case? Or also the linkage and lever?
 

Tractor & Equipment Auctions

2024 Deere 335P (A53317)
2024 Deere 335P...
CRAFTSMAN TABLE SAW (A54757)
CRAFTSMAN TABLE...
2021 KUBOTA SSV75 SKID STEER (A52707)
2021 KUBOTA SSV75...
2016 JOHN DEERE 323E SKID STEER (A52707)
2016 JOHN DEERE...
202474 (A54757)
202474 (A54757)
(APPROX 10) UNUSED SDLANCH RATCHET STRAPS (A57192)
(APPROX 10) UNUSED...
 
Top