8B Backhoe On A 4200?

   / 8B Backhoe On A 4200? #21  
...I was surprised how close the hoe came in. I could take off the bottom corner of the PTO shield and the hoe's lower steps and come in another 1-2 inches. But then the stabilizers would 1/2" or less from touching the tires. Thats probably too close, yes?

I tried to keep my closest clearances to the tires at no less than 3/4".
One inch is better. Remember, you may buy new tires at some point,
and you should allow for more tread or manufacturer variation. I get some
slight flex on the outriggers, too. My hoe is very forceful.

I trimmed my lower hoe steps in half on my Kioti, and eliminated them
completely on my 4300. I tossed the PTO shield....what a PITA that is.
If either of those is your limiting factor, customize it.

What do you think of adding a cross brace at the front of the frame that gets screwed to the bottom of the tunnel? There are two tapped holes there too. My initial concern is that it will be near impossible to remove this thing but my major concern is weight distribution.

A cross brace at the furthest point forward does not do much, since that
is where the forces are smallest. Also, since there are bolted connections
on both sides, it will have to be fabbed very exactly for width. Doable,
can't hurt, but more work. If you want to add more "rungs" to your
"ladder", add them in the middle. Your steel looks VERY thick there, so I
am not worried about twisting.
 
   / 8B Backhoe On A 4200? #22  
Yes, 1.5" per side. Just figured that out the other week while I had the wheels off to air them up. The turfs on a 43/4400 are taller but narrower. I don't remember what Roy and I gained when we flipped his. I believe it was more than 3 total inches but I'm not sure. Roy?

We didn't measure it with a tape measurer, but I used the width of my hand (just under 4") between the tire and inside of the fender. We gained closer to 4" then 3".
 
   / 8B Backhoe On A 4200? #23  
Nice work arrabil. Even though dfkrug makes this stuff look routine, it's still a pretty gutsy project to get a backhoe then make a subrame.

Best of luck moving forward!
 
   / 8B Backhoe On A 4200?
  • Thread Starter
#24  
The first side is built and it was a perfect fit. The front bolts screwed in by hand after the rears were tightened. :D No pictures though. It was too hot to do anything today so I'll start the second side tomorrow. The two bolts I need for the second side are on special order at TrueValue anyway. They only had two in stock yesterday.

Seems I'm getting lucky all over the place. The estimated distance between my rear extensions is 20 15/16". The distance over the old subframe is also 20 15/16". Watch it not turn out that way when I get both sides installed!

Your steel looks VERY thick there, so I am not worried about twisting.
Since the 970 doesn't have a frame I guess they compensated for it with those brackets. Welding that stuff is a serious PITA. I have little weld burns all over my arm. The spray of BB sized weld beads that bounces off it before it gets hot enough to take the bead is like 4th of July Sparklers. I guess this is why TIG is so cool. Doubt I have enough dexterity to control three feeds at once though.

We gained closer to 4" then 3".
Must have to do with the rims. I swear my shorter tires are wider so that would explain the rims being different. I think.

Nice work arrabil. Even though dfkrug makes this stuff look routine, it's still a pretty gutsy project to get a backhoe then make a subframe. Best of luck moving forward!
Much appreciated JCB!
 
   / 8B Backhoe On A 4200? #25  
Welding that stuff is a serious PITA. I have little weld burns all over my arm. The spray of BB sized weld beads that bounces off it before it gets hot enough to take the bead is like 4th of July Sparklers. I guess this is why TIG is so cool. Doubt I have enough dexterity to control three feeds at once though.

That's why welders wear leather jackets or sleeves, Arrabil!
TIG is neat, but it would take multiple passes on steel as thick as you're welding. OK for short repair welds, but not much fun for longer passes.
If you beveled the areas you need to weld, the steel will puddle faster and you'll get better penetration. Preheating would help too, but that requires an oxy-acetylene rig with a rosebud.
 
   / 8B Backhoe On A 4200?
  • Thread Starter
#26  
I got a welder's blanket that I cover up with but it slides off my arms as I move around sometimes. A whole welding suit is an expenditure I've yet to decide to make. Its frickin hot out there too!

I am beveling, btw. I wouldn't trust the strength of it without multiple passes here too. No ability to preheat though.

I didn't know about the limitations of TIG. Interesting. Gonna have to play with the brother-in-law's stick/tig/mig machine next time I'm out.
 
   / 8B Backhoe On A 4200? #27  
With the tractor only 3.5 inches off the ground the seat already clears. Thats great news as it means one less thing to worry about.

And although I didn't get exactly centered during my trial fit, you can see the tires and PTO cover clearances. The 8B has the pivot cylinders sticking out behind the operator platform. Probably because its so far away from the 970 anyway. But I can get it really close to the back of the 4200. More great news.

I have a question here. On the 8B, do the ram housings pivot as the boom swings or are they fixed? If they pivot, you might have clearance issues with the tires when you swing the boom. Hopefully they're fixed and it won't be an issue.
 
   / 8B Backhoe On A 4200?
  • Thread Starter
#28  
They're fixed. They pull a chain back and forth to swing the boom. I've heard the chain was a week link on the 8A but that it was fixed on the 8B. Hopefully thats actually true.
 
   / 8B Backhoe On A 4200? #29  
I didn't know about the limitations of TIG. Interesting. Gonna have to play with the brother-in-law's stick/tig/mig machine next time I'm out.

TIG is great for thinner gages and non-ferrous materials (MIG is also great for non-ferrous). But, like gas welding, it's not really good for thicker materials or production welding (except for repairs and touching up welds).
I had my certifications for some alloys when I was in the Navy. I was an "OK" welder, at best...but it did help a lot when I was performing NDT of welds.
Haven't welded in years. Now that I have a pacemaker, I have to keep a distance away from electric welding equipment (due to the magnetic fields).
 
   / 8B Backhoe On A 4200? #30  
They're fixed. They pull a chain back and forth to swing the boom. I've heard the chain was a week link on the 8A but that it was fixed on the 8B. Hopefully thats actually true.

Chain huh. Haven't seen that one yet.:D Hope your right about it being fixed as a weak link.:thumbsup:

Looks like that 8B is going to be a nice fit on your tractor. Keep the pix coming.:thumbsup:
 
   / 8B Backhoe On A 4200?
  • Thread Starter
#31  
Roy, you ever weld underwater? Thats always fascinated me.

I attached the chain parts breakdown. Makes a lot of sense. Just never seen it anywhere else either.
 

Attachments

  • MP12474________UN01JAN94.gif
    MP12474________UN01JAN94.gif
    34.2 KB · Views: 223
   / 8B Backhoe On A 4200?
  • Thread Starter
#32  
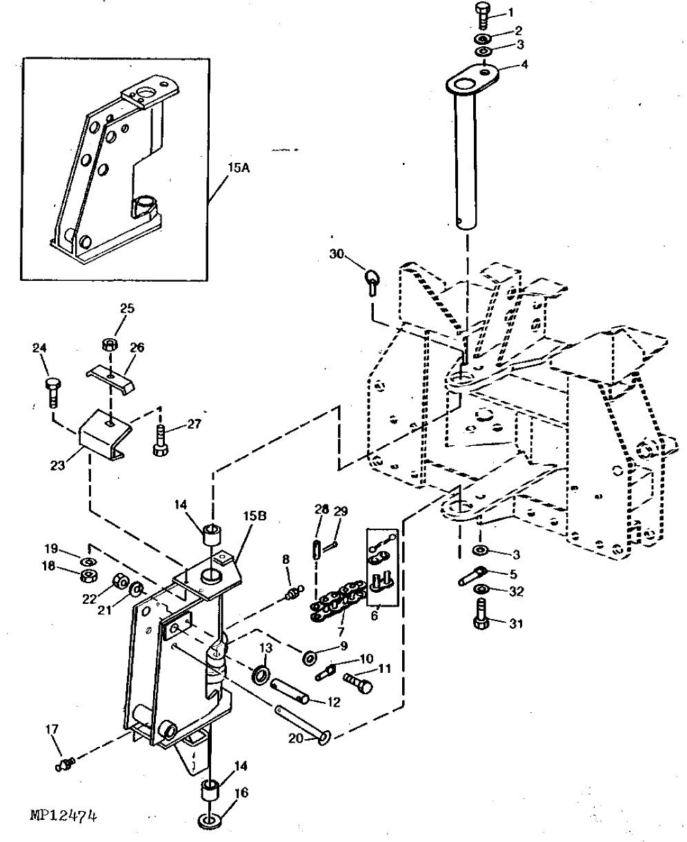
So heres a questions for you guys.... check out the attachment....

See bolt, nut, and washer, #2, 3, and 6? Mine are installed in the other direction. Which has been bothering me because its a lot harder to line up the way I have it. Which do you think is more likely: the picture is wrong or the original installer put them in backwards?

I wish I had a manual for this thing. Can't even find one on eBay.
 

Attachments

  • MP16447________UN07OCT96.gif
    MP16447________UN07OCT96.gif
    15.9 KB · Views: 189
   / 8B Backhoe On A 4200? #33  
Roy, you ever weld underwater? Thats always fascinated me.

No, I was an aviation rating...I always tried to stay above water!
My certs were for aluminum, magnesum, stainless steels and a couple more exotic materials (most welded like stainless). Didn't get titanium.
Always liked aluminum the best...nice big shiny puddle and easy to see when you're welding. Plus, more useful for "government" jobs.

arrabil said:
See bolt, nut, and washer, #2, 3, and 6? Mine are installed in the other direction. Which has been bothering me because its a lot harder to line up the way I have it. Which do you think is more likely: the picture is wrong or the original installer put them in backwards?

I suggest you go with how it's shown in the illustration. That backhoe has been around for at least ten years and it's no telling how many times someone's been in there tinkering.
 
   / 8B Backhoe On A 4200? #34  
So heres a questions for you guys.... check out the attachment....

See bolt, nut, and washer, #2, 3, and 6? Mine are installed in the other direction. Which has been bothering me because its a lot harder to line up the way I have it. Which do you think is more likely: the picture is wrong or the original installer put them in backwards?

I wish I had a manual for this thing. Can't even find one on eBay.

I suggest you go with how it's shown in the illustration. That backhoe has been around for at least ten years and it's no telling how many times someone's been in there tinkering.

I'm with Roy. I'm not sure that it would matter, but then I'm not an engineer either. I would trust the book before I would trust the way some unknown person did it.
 
   / 8B Backhoe On A 4200?
  • Thread Starter
#35  
I wish they made some aluminum flux-core wire. I have a need to weld AL every so often but I'm not buying gas just for it.

I'm with Roy. I'm not sure that it would matter, but then I'm not an engineer either. I would trust the book before I would trust the way some unknown person did it.
Hmm. I'm gonna have to look at it some more. I need to weld that side to the frame. I think it has to be the nut because I'm pretty sure the bolts hold the cylinders in the frame. I guess I'll get to that towards the end of the week.
 
   / 8B Backhoe On A 4200? #36  
Hmm. I'm gonna have to look at it some more. I need to weld that side to the frame. I think it has to be the nut because I'm pretty sure the bolts hold the cylinders in the frame. I guess I'll get to that towards the end of the week.

I might be missing something, but it looks like 11, 12, & 13 hold the cylinders to the frame.
 
   / 8B Backhoe On A 4200?
  • Thread Starter
#38  
So, no, those bolts don't hold the cylinders. It just looks like that before you look closer. I think I have to keep mine installed backwards actually. The bolts hold these tubes in place and I need them to stay put while attaching the hoe to the subframe. I'll figure it out shortly....

Some new pics follow in a minute.
 
   / 8B Backhoe On A 4200?
  • Thread Starter
#39  
I added the second ROPS bracket extension and took more pics of it than the first one. This one didn't come out nearly as crooked. Still not perfect but it doesn't really matter. You can make fun of my ugly welds this time.

I got the horizontal extension cleaned up too. It looks like its welded together lower than the first side. I'm gonna have to take both sides and line them up and make sure of that. Pics of that as soon as its not raining for the whole day!
 

Attachments

  • ropsbracket3.jpg
    ropsbracket3.jpg
    209.6 KB · Views: 170
  • ropsbracket4.jpg
    ropsbracket4.jpg
    184.2 KB · Views: 158
  • ropsbracket6.jpg
    ropsbracket6.jpg
    184.3 KB · Views: 150
  • ropsbracket7.jpg
    ropsbracket7.jpg
    201.5 KB · Views: 161

Tractor & Equipment Auctions

2014 PETERBILT 384 TANDEM AXLE CDL REQUIRED WRECKER (A59575)
2014 PETERBILT 384...
2015 Chevrolet Tahoe SUV (A59231)
2015 Chevrolet...
2018 Nissan Versa Sedan (A59231)
2018 Nissan Versa...
2018 Autocar ACX Xpeditor T/A Hercules Front Loader Garbage Truck (A55852)
2018 Autocar ACX...
2007 JOHN DEERE 605C CRAWLER LOADER (A60429)
2007 JOHN DEERE...
DEUTZ MARATHON 60KW GENERATOR (A58214)
DEUTZ MARATHON...
 
Top