7410 Completely Dead No Electrical

/ 7410 Completely Dead No Electrical #1  

albertarancher

New member
Joined
Jun 17, 2020
Messages
15
Tractor
1996 JD 7410, 2001 JD 7210, JD 4440
I was using our 1996 7410 and the alternator light started flashing on the dash. Shut it down and completely lost all electrical when I went to restart it. Came back a couple hours later, all power came back and started right up. Just yesterday went to use it and the electrical not functioning at all and wouldn't start, again.

So this far I have cleaned and checked battery terminals. Even tried jump starting it with our 7210, and nothing. So it seems not a battery issue.

Changed out DB1 and DB2 diodes in the fuse block, from the 7210. No change (I had read these were known to be an issue on these tractors).

In the attached picture, I have 12V at the bottom terminal that is behind the open red door, that says battery+. But, as soon as i turn the key on it drops to 0V.

I'm not sure where to check grounds or fuses. If someone could tell me where, it would be much appreciated. Or, any other suggestions.
 

Attachments

  • IMG_20200617_092752.jpg
    IMG_20200617_092752.jpg
    3.9 MB · Views: 943
/ 7410 Completely Dead No Electrical #2  
Are the starter terminals and ground to the block clean?
 
/ 7410 Completely Dead No Electrical
  • Thread Starter
#3  
As far as I could tell the negative from the batteries connects directly to the starter. I was clean but I took it off and checked it to make sure. There is 12V at the starter.
 
/ 7410 Completely Dead No Electrical #4  
Most tractors are negative ground. The ground wire from your battery should go to a metal part of the tractor, be it any body work or the engine itself. Be sure this is a good connection at both ends, thoroughly cleaning the battery clamp inside and the terminal of the battery. Tighten securely. Be sure it's not corroded. Do the same thing on the other end. You should do the same thing for the other connection to the battery. If the ground terminal connects to the metal work instead of the block you may need to add a jumper between the engine or frame and the "body"'.
 
/ 7410 Completely Dead No Electrical #5  
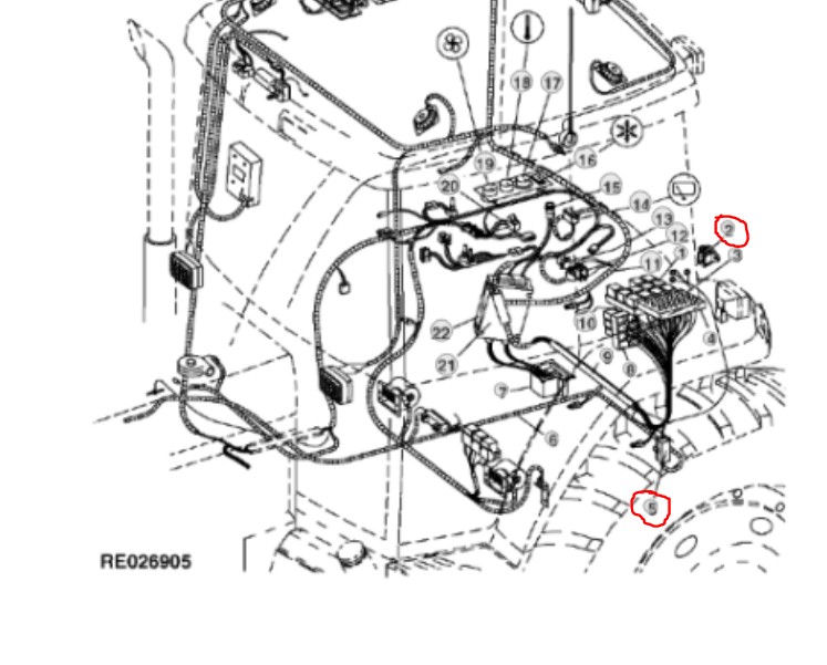
There are a couple of junction blocks key 2 & 5 P/N RE186986 & RE48875

Check connections at both of these junction blocks
 

Attachments

  • 7410JBRE48875.PNG
    7410JBRE48875.PNG
    101.8 KB · Views: 525
  • 7410pos.PNG
    7410pos.PNG
    127 KB · Views: 657
  • 7410jb2.PNG
    7410jb2.PNG
    235.9 KB · Views: 464
/ 7410 Completely Dead No Electrical
  • Thread Starter
#6  
There are a couple of junction blocks key 2 & 5 P/N RE186986 & RE48875

Check connections at both of these junction blocks

Thank you for posting these pictures, very helpful!

Terminal block number 5 is below the fuse panel, (It is at the bottom of the picture I attached in my first post). I have 12V there, but I will remove the connections and make sure they are clean,

I can't seem to find terminal block number 2 (see attached pic) on the tractor. I need to check this and verify connections there. If anyone can point me in the right direction it would be much appreciated!
 

Attachments

  • Terminal Block.jpg
    Terminal Block.jpg
    40.9 KB · Views: 280
/ 7410 Completely Dead No Electrical #7  
There is a junction block above the engine on one of the hood support brackets that run from front to back. Right side if I remember correctly.
 
/ 7410 Completely Dead No Electrical #8  
Most tractors are negative ground. The ground wire from your battery should go to a metal part of the tractor, be it any body work or the engine itself. Be sure this is a good connection at both ends, thoroughly cleaning the battery clamp inside and the terminal of the battery. Tighten securely. Be sure it's not corroded. Do the same thing on the other end. You should do the same thing for the other connection to the battery. If the ground terminal connects to the metal work instead of the block you may need to add a jumper between the engine or frame and the "body"'.

Thats what im talkin bout
 
/ 7410 Completely Dead No Electrical #9  
Next check relays, look for one marked electronics, or similar.
 
/ 7410 Completely Dead No Electrical
  • Thread Starter
#10  
Ok, so went and checked the wiring under the hood. It appears the alternator was replaced in the past so I checked out the wiring there. There's a junction block where the positive from the alternator connects, just above right side of engine. I removed the wire, along with a bunch of small gauge wires, cleaned them and put it back together. Went and tried the key; the radio came on, I could bump the starter, and the lights worked.

The wire from the alternator kind of makes sense, when the problem first showed up the alternator light was flashing on the dash, right before I lost all power.

So next I went and grabbed the two diodes from the fuse panel from our 7210 and replaced the ones in the 7410. Now everything works and the tractor fired right up like normal. I'll grab some new diodes today.

Hopefully this solves the problem. Will report back if there's any further issues. Thanks for the help.
 
 
Top