1989 Ford 3910 Hydraulic problems

/ 1989 Ford 3910 Hydraulic problems #1  

Greenpaddy

New member
Joined
Nov 29, 2013
Messages
4
Location
Ireland
Tractor
Ford 3910 1989
Hi All,
Love the site so had to join. I bought a 1989 Ford 3910....a beauty. My problem is the 3 point lift. it lifts up ok with the transport box on...but after about 2 minute it drops of its own accord. Lever stays in position ....so i have to get back in the cab and push down the lever and up again. checked the fluid and alls ok draft control lever is down and the setting under the seat is in right position. I just have it a month and im afraid i may have bought a good looking "lemon". what can I try or is the pump knackered ?
 
/ 1989 Ford 3910 Hydraulic problems #2  
Pump will not cause 3 pt to lower once 3 pt is raised. Problem is either a faulty control valve or leaking rockshaft piston seal. Seeing that your tractor has a cab it will be a challenge to repair 3 pt.
 
/ 1989 Ford 3910 Hydraulic problems
  • Thread Starter
#3  
Thanks Jim ! your so good to come back so quick. I will do some googling to see whats involved and what kind of €€€ are involved.
Kind Regards
 
/ 1989 Ford 3910 Hydraulic problems
  • Thread Starter
#4  
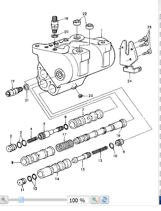
By the way Jim .......do you know any good sites with schematics or where the valves are ???
 
/ 1989 Ford 3910 Hydraulic problems
  • Thread Starter
#5  
By the way Jim .......do you know any good sites with schematics or where the valves are ???
 
/ 1989 Ford 3910 Hydraulic problems #6  

Attachments

  • Capture.JPG
    Capture.JPG
    72.4 KB · Views: 1,227
  • Capture.JPG
    Capture.JPG
    98.9 KB · Views: 1,680

Marketplace Items

2026 DEVELON DX27Z-7 EXCAVATOR (A64279)
2026 DEVELON...
2002 Lexus RX 300 SUV (A66738)
2002 Lexus RX 300...
2016 Peterbilt 579 Wet Kit T/A Day Cab Truck Tractor (A66736)
2016 Peterbilt 579...
2000 PETERBILT 379(INOPERABLE) (A67714)
2000 PETERBILT...
1819 (A64557)
1819 (A64557)
PALLET OF MISC TRAILER PARTS (A68842)
PALLET OF MISC...
 
Top