Oil & Fuel YM2500 Pushing Coolant Out the Radiator

   / YM2500 Pushing Coolant Out the Radiator #122  
Or the Yanmar-Marine dealers might be another source.
I checked, they are out-of-stock or discontinued.

These threaded studs are popular in many YM machines, Deere machines, and Yanmar marine engines. Why are these not available anymore?
 
   / YM2500 Pushing Coolant Out the Radiator #123  
Going back to pg-4 . . . These are the 7X needed.

If I had a good Grizzly brand benchtop lathe, I could true these up and then chase the threads to correctly clean the threads.


1752194910231.jpeg
 
   / YM2500 Pushing Coolant Out the Radiator #124  
still poking around on the Deere parts sites, 3T80J has the same two threaded studs.

PC1876 early models
PC2016 later models

1752197181787.png
 
   / YM2500 Pushing Coolant Out the Radiator
  • Thread Starter
#125  
Going back to pg-4 . . . These are the 7X needed.

If I had a good Grizzly brand benchtop lathe, I could true these up and then chase the threads to correctly clean the threads.

Those were the first set of head bolts in the first engine. Some of those head bolts are bent.
 
   / YM2500 Pushing Coolant Out the Radiator #126  
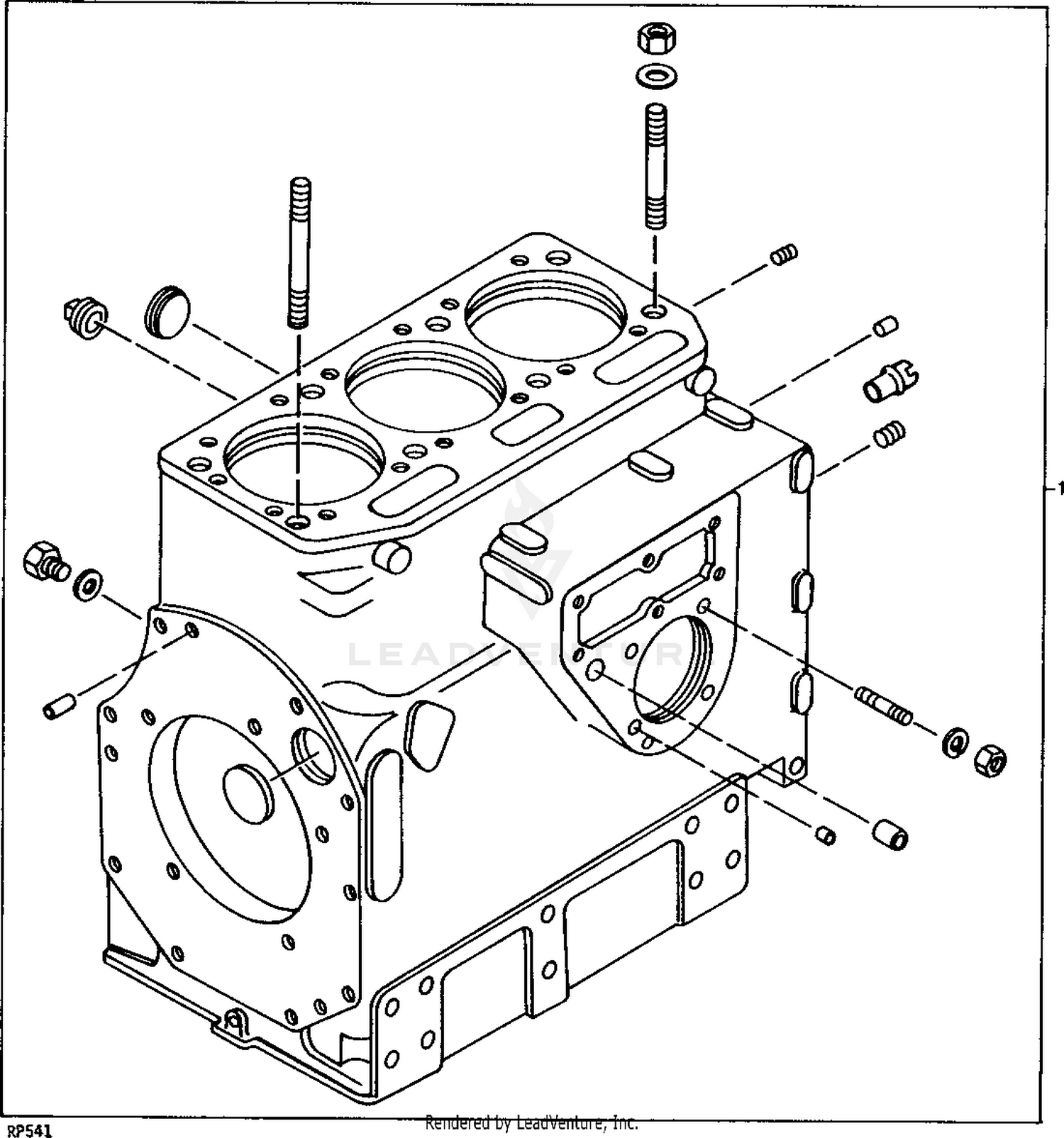
The #7 bolts the one in the middle is sure enough bent! Grind it. ? Why it's recommended to replace them.
 
   / YM2500 Pushing Coolant Out the Radiator #127  
Those were the first set of head bolts in the first engine. Some of those head bolts are bent. -Travis

Do you still have them? If so, please measure them like this drawing and tell us those values. Then it will be helpful to located replacements.

1752272901700.png
 
   / YM2500 Pushing Coolant Out the Radiator #128  
Going back to pg-4 . . . These are the 7X needed.

If I had a good Grizzly brand benchtop lathe, I could true these up and then chase the threads to correctly clean the threads.


View attachment 3750239
Can I point out that those bolts appear to have asymmetrical thread lengths on the two ends? I.e. 15 and 20-ish percent of the total length?

It would be good to have the exact measurements to try and find a replacement. Personally, I'd be reluctant to use one as bent as the one above out of a concern that the tension on the stud at a given torque would not match the others on the head. Yanmar is so particular about the torque of the head bolts and their special tightening method.

All the best,

Peter
 
   / YM2500 Pushing Coolant Out the Radiator
  • Thread Starter
#129  
Those were the first set of head bolts in the first engine. Some of those head bolts are bent. -Travis

Do you still have them? If so, please measure them like this drawing and tell us those values. Then it will be helpful to located replacements.

View attachment 3760469
I’m sorry, Bret. I do not have them. I sent them back to Fredricks.
 
   / YM2500 Pushing Coolant Out the Radiator
  • Thread Starter
#130  
***UPDATE 07-17-2025 THURSDAY***

Happy Birthday to me! 🤣

My mechanic finally got to work on my tractor some yesterday. He “pressure tested” it and found coolant coming out where I showed him, between the cylinder head and block.

He is supposed to be removing the cylinder head off today and see what he finds out. I will post back when I hear from him.

Have a Blessed Day!!
 

Tractor & Equipment Auctions

2025 MMS MS36C (A53317)
2025 MMS MS36C...
SD Lanch SDLD25 Rubber Track Dumper (A57149)
SD Lanch SDLD25...
Skid Steer Sweeper (New/Unused) (A59225)
Skid Steer Sweeper...
2017 Hyundai HL 960 Wheel Loader (A56857)
2017 Hyundai HL...
2022 Ram 2500 4x4 Crew Cab Service Truck (A55852)
2022 Ram 2500 4x4...
2007 SHOP MADE MARATHON 20KW GENERATOR TRAILER (A58216)
2007 SHOP MADE...
 
Top