Sweet Tatorman
New member
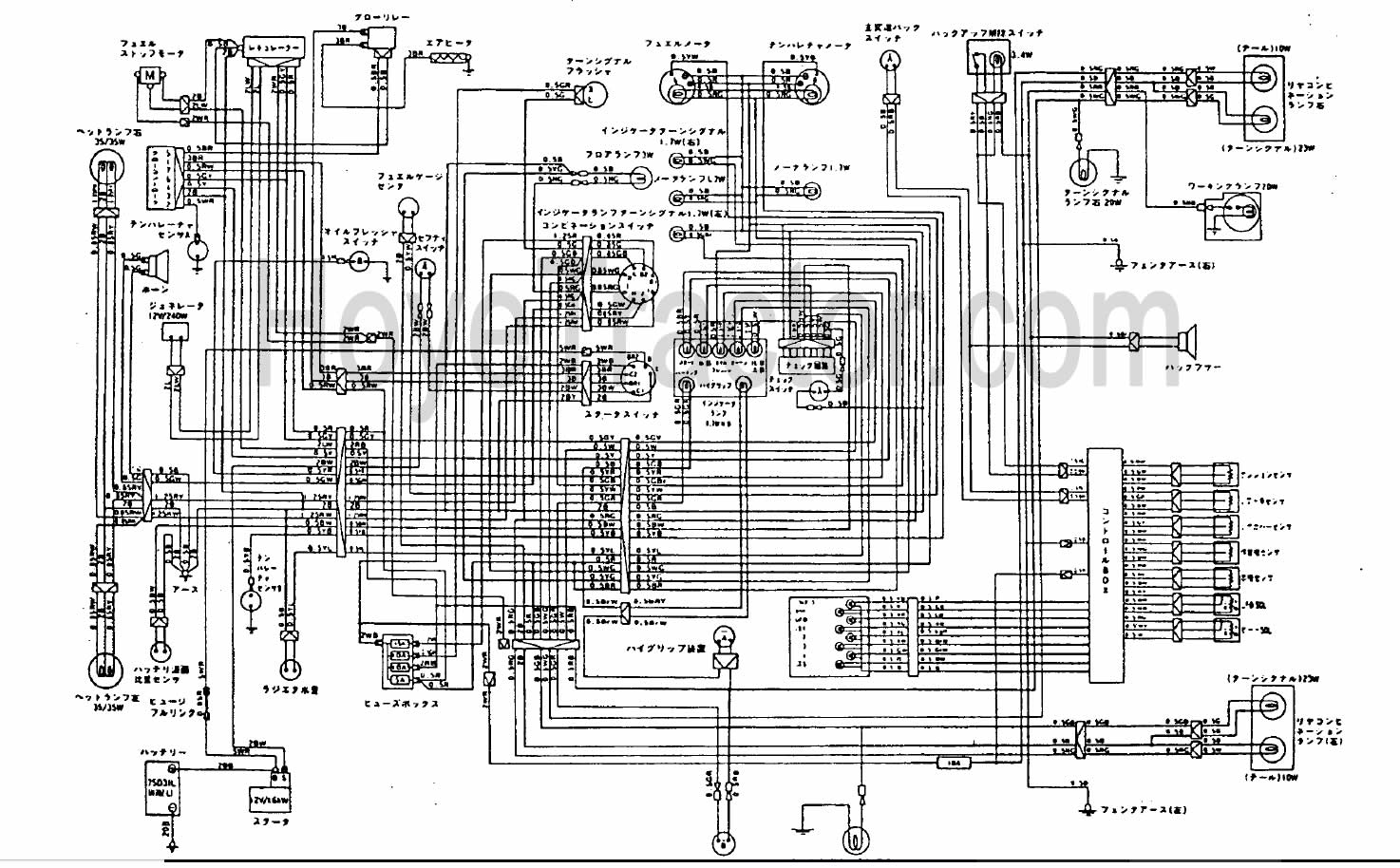
Hello. My first post to this forum. I do not own a Yanmar tractor and until last month I had neither operated or laid a wrench on one. Some friends of mine have a F215D model with a problem they have been unable to resolve. From their description of the problem it appears to be electrical in nature which is right up my alley since I am a retired [25 years now!] electrical/electronic test engineer. I offered to drive over and have a go at it. The owners story was that they had removed the battery to charge it and upon reinstallation they *thought* they had installed it reverse polarity so they reversed it to positive ground which they said is the correct arrangement. On my first visit I took them at their word [Hey! it's their tractor] on the positive ground and focused my efforts on their main issue which was that the 3-pt lift arms would not lower. This tractor has a 3 position switch on the right fender with momentary contacts either direction from it's center rest position and serves to raise the 3-pt from the position set by the regular 3-pt position lever. This switch needs to be momentarily toggled to raise or lower. Since this raise and lower action is electrically controlled there must be either a motor driven or solenoid actuator to interface with the hydraulics. I was unsuccessful in finding it. The only electrical connection into the transmission that I located was associated with the switch for the reverse alarm. I was testing without benefit of any documentation. I did verify that the toggle switch contacts were making up properly and that continuity exists from the switch to the internals of some type of CPU module which is located under a panel under the seat. BTW, with the battery connected positive ground the tractor starts and runs OK but the gauges do not work which the owner reports was noted concurrently with the 3-pt lift problem. I ran out of daylight and went home without any resolution. I spent a fair amount of time in the following few weeks online in search of documentation. I read all of the posts in the Hoye tractor forum and the Tractorbynet Yanmar forum that addressed the F215 model or any of the other Fxxx models. I found that Hoye has a "models to avoid" list and this one is squarely on it. Their comment: "With no English service manuals or wiring diagrams we have a hard time recommending these tractors to anyone but adventurous electronics engineers". Ugh! I am an adventurous electronics engineer and I *would not!* want a tractor for which I could not obtain documentation. One thing that I did conclude from my websurfing was that the owners assertion that this is a positive ground tractor was highly suspect. I decided to look at that question on my subsequent visit which was this past weekend. Sure enough, this is a negative ground model. As I expected to find, the battery was not charging. Because of having been connected reverse polarity two of the four diodes in the diode bridge in the voltage regulator were failed open but the two remaining diodes were intact enabling the determination that the voltage regulator was designed for a negative ground system. As an aside, when connected correctly the battery sees the diode bridge between the alternator and the battery as two pairs of diodes in series and reverse biased. If the battery is connected in reverse it now sees these two pairs of diodes in series *forward biased* which will quickly smoke at least two of them. Note: in the case of this tractor even connected incorrectly as positive ground both the starter motor as well as the motor driven actuator which controls the fuel shutoff linkage to the injector pump operate correctly.
I located the fuse block which consists of four 3AG type fuses and is located on the left side of the engine firewall. Starting from inside I determined the fuse loads as #1 gauges, #2 turn/blinkers, #3 fuel c/o motor plus unknown loads, #4 headlights. I also located an inline fuse sticking out of the wiring harness in the general vicinity of the CPU under the seat but was unable to determine what it powers [fuse found intact]. When the battery is connected correctly as negative ground, the gauges now function correctly but fuse #3 [fuel c/o moter plus unknown loads] quickly blows This is a 10A fuse per the fuse block cover. This circuit is drawing >20A [measured] with correct polarity but <1A reverse polarity which suggests that it is feeding a polarity protected load which has failed as a short. Interestingly, with all fuses pulled the backup alarm still functions which I believe, but did not prove, is powered via the CPU module under the seat. Still no resolution but I desperately need a wiring diagram. After my most recent visit it occurred to me that I did not know the function of a component that I had to move out of the way to access the voltage regulator. It is an electrical device with at least six wires going to it's connector. This may be worth further investigation if I knew what it is.
My questions to the forum are:
1) Has anyone located a wiring diagram for the F215 or any of the other Fxxx models and can direct me to them?
2) Where is the actuator [motor or solenoid] associated with the 3-pt lift toggle switch?
3) What is the electrical device that is located near and obstructing access to the voltage regulator?

Thanks for any and all input!
I located the fuse block which consists of four 3AG type fuses and is located on the left side of the engine firewall. Starting from inside I determined the fuse loads as #1 gauges, #2 turn/blinkers, #3 fuel c/o motor plus unknown loads, #4 headlights. I also located an inline fuse sticking out of the wiring harness in the general vicinity of the CPU under the seat but was unable to determine what it powers [fuse found intact]. When the battery is connected correctly as negative ground, the gauges now function correctly but fuse #3 [fuel c/o moter plus unknown loads] quickly blows This is a 10A fuse per the fuse block cover. This circuit is drawing >20A [measured] with correct polarity but <1A reverse polarity which suggests that it is feeding a polarity protected load which has failed as a short. Interestingly, with all fuses pulled the backup alarm still functions which I believe, but did not prove, is powered via the CPU module under the seat. Still no resolution but I desperately need a wiring diagram. After my most recent visit it occurred to me that I did not know the function of a component that I had to move out of the way to access the voltage regulator. It is an electrical device with at least six wires going to it's connector. This may be worth further investigation if I knew what it is.
My questions to the forum are:
1) Has anyone located a wiring diagram for the F215 or any of the other Fxxx models and can direct me to them?
2) Where is the actuator [motor or solenoid] associated with the 3-pt lift toggle switch?
3) What is the electrical device that is located near and obstructing access to the voltage regulator?

Thanks for any and all input!
Last edited:

