X540 Nightmare, Help!!

/ X540 Nightmare, Help!!
  • Thread Starter
#21  
Not to be rude - but this post implies there is something wrong with your technique. You should have got the same result with either method and should not move forward until you have rectified this anomaly.

I agree with you 100%. I makes absolutely no sense to me either. That's why I am so stumped. I know you can not have voltage on both wires, one of them has to be ground. That's the reason I can't move forward.....I don't know where to go next. I'm usually very methodical and have tried every normal means of figuring this out, but this things got me whooped. I'm leaning toward what has already been suggested, and that's a bad ground. I think I might have a broken wire in the loom somewhere but of the MANY tests I've made everything checks good. As I said, I found one more connector behind the frame below the motor. I'm going to have to pull the deck off again to see where it goes. I found the clutch wires when I first started and they're fine.
Irv
 
Last edited:
/ X540 Nightmare, Help!!
  • Thread Starter
#22  
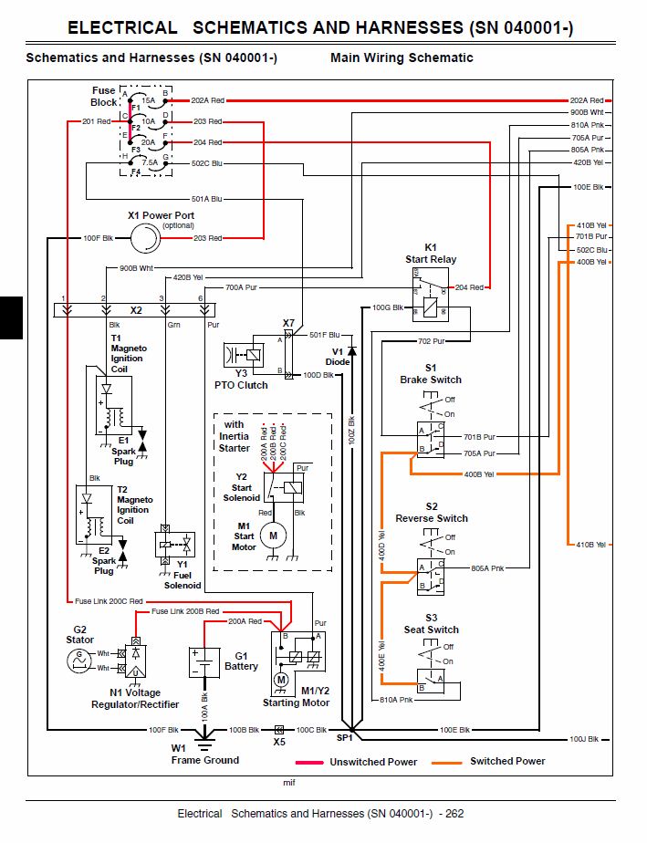
The B lead in the connector should be chassis ground... period. a point previous to X5 may be an open connection

assuming the diagram posted and linked is correct....


the A lead in the connector should be battery + voltage and since the diode is reversed biased should not reduce or affect the DC + available at that terminal.

that said I would back probe B terminal with a jumper to battery ( - negative terminal ) while everything is hooked up and PTO set to on with all conditions normally met for a functioning running PTO and see whether the PTO Clutch locks up and spins the PTO

I still have doubts since the same X5 is also the ground for the starter relay...

You may also want to check the outgoing Voltage and fuse itself
7.5 amp fuse 502b (blue wire) incoming to fuse and see if the test light comes on when trying to start PTO test light alligator clip to good ground.


ps. after all of the suggested help if that that fuse is just bad :confused2::laughing:

View attachment 524042

The first thing I did was change ALL the fuses. I tested them all and they checked good but I pulled them all out changed them anyway.:laughing: After awhile you suspect everything.
I haven't done anything on it today. I mow yards and had to do 6 of them and didn't get started until noon, the grass was so wet from the dew. I finished the last one when the sun went down. Maybe tomorrow. I need a break from that thing. :(
I'll check out all your suggestions when I go back to it
Thanks
Irv
 
/ X540 Nightmare, Help!! #23  
I agree with you 100%. I makes absolutely no sense to me either. That's why I am so stumped. I know you can not have voltage on both wires, one of them has to be ground. That's the reason I can't move forward.....I don't know where to go next.

Ok. Well let's go back a bit.
Dan's post in #21 is good info. Do you understand all his terminology? Just say if there are any words/terms you aren't familiar with the meaning of.

Ditch the multimeter for now.. The test light probe is all you need initially. You just need to know if you have voltage...

Connect the alligator clip directly to the battery negative (-ve) terminal. Not the chassis or any old bolt-head. The battery is the source of the power and you need to know power is going back to it. OK?

Now to test the PTO clutch initially, disconnect the 2-wire connector (X7) under the chassis. You then need someone on the seat (weight) - or to jumper the seat switch (for testing purposes only).

Key switch in the Run position or Run-&-Headlights position. (That's Power ON)
Brake pedal released.

Insert probe into the A terminal of the X7 connector which has the 501A/F BLUE wire.

Activate the PTO switch.

Does your test lamp glow?

Don't move, change or do anything else but:
Swap probe point to the 'B' terminal of that same X7 connector with the BLACK wire.
Does your test lamp glow again?

Report back here.
 
/ X540 Nightmare, Help!!
  • Thread Starter
#24  
I hooked my test light clamp to the negative side of the battery, and put my probe on the wire ends in the connector, one at a time.....it lights up on BOTH of them with NO switches on!!


I just went out and took my voltmeter and did the same test,... nothing. I turned on the key, activated the deck switch, pedal out of park and seat switch jumped, again nothing!!
How can I get a bright light on my probe with no voltage??

By the way, I've got a good industrial GREENLEE digital voltmeter, so I'm not worried about that.
 
Last edited:
/ X540 Nightmare, Help!! #25  
If I read you correctedly:

"I hooked my test light clamp to the negative side of the battery, and put my probe on the wire ends in the connector, one at a time.....it lights up on BOTH of them with NO switches on!!"

Was this with the connector still joined to the PTO clutch?

If power is present at the PTO connector (X7) with no switches 'On', including the Key Switch, you have a problem further back in the loom.

Check for power In and Out of the terminals on the Key Switch. You should have live power at the Red wire and NO power at any other terminal with the key 'Off' or even better, right out of the switch.
 
/ X540 Nightmare, Help!!
  • Thread Starter
#26  
No, I had it disconnected from the clutch. And I agree, there's something goofy somewhere. I've made so many tests from every conceivable way, I've about forgotten what I HAVE done.

It's 10.30 PM here and I'm going to hit the hay and give this another go tomorrow when I've got some daylight. My old noggin is full of confusion.
Irv
 
Last edited:
/ X540 Nightmare, Help!! #27  
I hooked my test light clamp to the negative side of the battery, and put my probe on the wire ends in the connector, one at a time.....it lights up on BOTH of them with NO switches on!!


I just went out and took my voltmeter and did the same test,... nothing. I turned on the key, activated the deck switch, pedal out of park and seat switch jumped, again nothing!!
How can I get a bright light on my probe with no voltage??

By the way, I've got a good industrial GREENLEE digital voltmeter, so I'm not worried about that.

First, is your test light non powered? I could see a continuity test light (self powered) lighting if the power wire at X7 is shorted to ground. It would also light when checking the ground wire.

If you are using a non powered test light, that the tractor battery is the source of power, are SURE you clamped to the Negative battery terminal? If you mistakenly clamped on the positive terminal, if the power wire of X7 is shorted to ground the light would be ON, same when probing the ground wire of X7.

If neither of these are the case, I would pull fuses, one at a time, to try and determine which circuit was feeding the wires at X7.

Have you put your meter leads across the test light leads when the test light is ON? Still no voltage reading from the meter?
 
/ X540 Nightmare, Help!!
  • Thread Starter
#28  
Well, you're 1 for 1! My probe IS self powered. I bought that thing maybe a year ago and it was hanging on the wall in the garage, and I just went in and grabbed and started checking, never realizing it was self powered. Most of the time I use my meter and really never looked at it. It's got a clear plastic handle and the battery is visible but just barely. When you asked if it was self powered, I thought, of course not! Wrong! How dumb (or blind) can I get!! LOL
I have another cheapie NON powered one, and I went and checked for voltage with it and no, there's none. With all of the switches on there's still no voltage.
It's pouring down rain now, so I'll have to take a break and check later.

Thanks, Irv
 
/ X540 Nightmare, Help!! #29  
Whenever I grab my test light, the first thing I do is test it on a battery. There is nothing more frustrating than spending a bunch of time testing equipment to find out your tool is not working.
 
/ X540 Nightmare, Help!! #30  
The test light being self powered explains some of this... I (***-u-me-d) it was just a basic 12 volt (in circuit) powered incandescent style test light.

It sounds like we are now back to No input Voltage to the clutch A terminal, (your results for multimeter test under the normal all conditions met) for clutch lock up state.
A test that would be helpful would be to check Connection C 370b at the control module for 12 volts when PTO switch is set to run and (key switch set to run) , if there is no voltage available the PTO on /off/momentary switch itself may be bad.

EXCEPT

for post 6 and 8 which clearly sound like an Open ground from clutch b terminal... You measured 12+ volts at the clutch input A and then measured in post 9 a .54 Volt difference between the A input terminal and B (GROUND) terminal??..

This sounds like an open ground

I would suggest Doing that test again With the connector plugged in.

and also a Voltage test between B terminal and the Battery ( - ) terminal (once again all conditions met for a running PTO)

If this shows anything much over 1/2 volt then the ground path is open.


Hope this helps, and a bit confused by some of the test readings.
 
/ X540 Nightmare, Help!! #31  
Self-powered... Whodathunk that? Well done Zebra!

Daisy - Go back to my post #25 where I ask if you understand the terminology being used here?

A Test Light is a passive device.
A Powered Probe with a battery is an active device and used for a different style of diagnostic.

I, like Dan and Zeb have been working on the basis you have been using (and reporting results from) a Test Light.

Follow power from key switch and as Dan suggests check power out of the PTO switch.
 
/ X540 Nightmare, Help!!
  • Thread Starter
#32  
Self-powered... Whodathunk that? Well done Zebra!

Daisy - Go back to my post #25 where I ask if you understand the terminology being used here?

A Test Light is a passive device.
A Powered Probe with a battery is an active device and used for a different style of diagnostic.

I, like Dan and Zeb have been working on the basis you have been using (and reporting results from) a Test Light.

Follow power from key switch and as Dan suggests check power out of the PTO switch.

Yes, I absolutely understand all the terminology. I've worked on and repaired many mowers and solved a lot of electrical problems. I designed and built machinery for use in a factory for over 30 years, so I'm not a newbie when it comes to this.

I got started on the wrong foot with that cottonpickin' test light and not having a wiring diagram to start with. Between the two, this project went south from the start!!
I also was working on the basis of the light, and that's what threw me off. Like I said, I'm very methodical when I do this kind of stuff, not trusting a meter that makes no draw on the system.
I will go back and check my connections under load this time around, with the proper test light, or another type of load.

I will report back my results when I get them, but it's been pouring down rain off and on all day, and I had other errands to do.

I'm sorry for the bad reports. As they say, garbage in, garbage out. It's pretty hard to diagnose something with the wrong inputs!

Irv
 
/ X540 Nightmare, Help!!
  • Thread Starter
#33  
Whenever I grab my test light, the first thing I do is test it on a battery. There is nothing more frustrating than spending a bunch of time testing equipment to find out your tool is not working.

Amen to that!!
 
/ X540 Nightmare, Help!! #34  
If it was me I would start all over again. Do the basics first. Use your meter to measure the voltage of the battery (positive to negative terminals). That way you know that your meter is working and what voltage you should be expecting. If you read 13.5v at the battery and only 11v somewhere on the tractor this could be a sign of a problem. Is your multi meter digital or analog? I ask because analog meters don't auto scale but digital ones do. It's easy to miss the mV symbol and think the 12 displayed is 12v.

The second test I would do is a conductivity test on the plug on the harness where the clutch plugs in. This is on the OHMS (Ω) scale. Before you do touch the two leads on the meter together to verify it's working. Then put one lead on the negative terminal of the battery and use the other to test both wires in the connector witht he key in the off position. One should be ground. If neither are then we need to figure out why. If one is then mark it some way to identify the wire.
Finally I would make a jumper so you can connect the ground side of the connector to the correct wire on the clutch. With a wire connected directly to the battery I would repeat your test (where you put power on both sides of the clutch and it works verifying it's good) but by only putting power on the clutch and using the tractors ground circuit. It's possible you have enough of a ground so your meter says it's good but once it's under load from powering the clutch it's not a good enough path to ground to engage the clutch.

If all that works then you can once and for all rule out the ground side of the clutch. If it's a power problem then it's just a matter of tracing the power wire back to where it has power. What ever is at that point will point you to the problem.
 
/ X540 Nightmare, Help!!
  • Thread Starter
#35  
If it was me I would start all over again. Do the basics first. Use your meter to measure the voltage of the battery (positive to negative terminals). That way you know that your meter is working and what voltage you should be expecting. If you read 13.5v at the battery and only 11v somewhere on the tractor this could be a sign of a problem. Is your multi meter digital or analog? I ask because analog meters don't auto scale but digital ones do. It's easy to miss the mV symbol and think the 12 displayed is 12v.

The second test I would do is a conductivity test on the plug on the harness where the clutch plugs in. This is on the OHMS (Ω) scale. Before you do touch the two leads on the meter together to verify it's working. Then put one lead on the negative terminal of the battery and use the other to test both wires in the connector witht he key in the off position. One should be ground. If neither are then we need to figure out why. If one is then mark it some way to identify the wire.
Finally I would make a jumper so you can connect the ground side of the connector to the correct wire on the clutch. With a wire connected directly to the battery I would repeat your test (where you put power on both sides of the clutch and it works verifying it's good) but by only putting power on the clutch and using the tractors ground circuit. It's possible you have enough of a ground so your meter says it's good but once it's under load from powering the clutch it's not a good enough path to ground to engage the clutch.

If all that works then you can once and for all rule out the ground side of the clutch. If it's a power problem then it's just a matter of tracing the power wire back to where it has power. What ever is at that point will point you to the problem.

Thanks and good ideas!! I think I've done most of that, but I'll give it another try when it stops raining. I usually work on it outdoors so I can see back in all the nooks and crannies of the wire loom. The rain took care of that. Besides that, I'm so fed up with that thing I had to take some time off.

It's been dry, dry,dry here this summer and the first good rain we got a few weeks ago was more than all the rain combined since spring. Another 1.3" again this morning. The grass must have been storing the fertilizer from this spring, because it's growing by leaps and bounds now. I've had to mow yards, (7), on the nice days.

Irv
 
/ X540 Nightmare, Help!! #36  
It's been a wet and cold summer for us. Last year wasn't much better. We never saw 90 in either July or August. Finally is September we got some warm sunny weather thanks to the hurricanes that hit the southeast.
 
/ X540 Nightmare, Help!!
  • Thread Starter
#37  
Well guys, the tractor and deck are running. After all the tests, I decided to look at a new wiring loom. Much to my surprise there was a used one on E-Bay that came off a running X540.
I just got it swapped out, and low and behold, it fired right up and the deck runs. I used my old electronic module on it, which I didn't think was bad but couldn't think of anything else. There must be a broken wire somewhere in that old loom.
I'm a happy camper and I thank you all for your help!! :)
Irv
 
/ X540 Nightmare, Help!!
  • Thread Starter
#38  
Assignment accepted! After diligent searching, the suspect (SP1) was found and surgically opened up.......all parts of the entrails were found to be in splendid order. You may have to cast another ballot. However, I think a further autopsy will be postponed to a much later date (bored in the middle of winter), if ever. A photo is added so you can see the results.

Irv
 

Attachments

  • SPLICE IN OLD WIRE LOOM X540.JPG
    SPLICE IN OLD WIRE LOOM X540.JPG
    1.1 MB · Views: 282
/ X540 Nightmare, Help!! #39  
Now is where your self powered test light will be useful.
 
/ X540 Nightmare, Help!! #40  
Have you checked that pink butt connector?
 
Last edited:

Marketplace Items

Kivel 42in Forks and Frame Mini Skid Steer Attachment (A64553)
Kivel 42in Forks...
1992 CHEVY 1500 CUSTOM (A65643)
1992 CHEVY 1500...
KIVEL PALLET FORK ATTACHMENT FOR MINI SKID STEER (A64553)
KIVEL PALLET FORK...
NEW Wolverine 84" Skid Steer Bucket, 38" Depth (A62679)
NEW Wolverine 84"...
Mini Skid Steer Mount Plate, 5/16" Thickness (A62679)
Mini Skid Steer...
2026 SDLANCH IRGC40 Two-Seat Electric Tricycle (A64194)
2026 SDLANCH...
 
Top