Valve Question

/ Valve Question #1  

NCMau

Gold Member
Joined
Nov 5, 2009
Messages
293
Location
NC
Tractor
MF 202/Ford 8N
I am in the process of building a grapple attachment to my bucket. Since my present valve is two spools with no PB, I need to get a three spool. I was looking at the Surplus Center Prince RD5000 series valve and I was wondering if anybody knows or has used this series valve for the loader. I just like to know if this valve would provide a smooth feathering function. I don't want invest $300 and ending up with jerky bucket movements. I have been there before. The loader has a 7 gpm PTO pump.
Looking at the 3-spool RD5000, there are two types: DA Spring Center and DA Spring Center w/ Float. Which one would you suggest I need?
 
/ Valve Question #3  
I could not find the RD 5000 valve that you mentioned.

Could you paste the page for that valve from Surplus.

You don't need float on a grapple.

If you match the GPM's of the pump with the valve GPM, you should be OK with the feathering.

You can always add restrictors in the flow path.
 
/ Valve Question
  • Thread Starter
#5  
I could not find the RD 5000 valve that you mentioned.

Could you paste the page for that valve from Surplus.

You don't need float on a grapple.

If you match the GPM's of the pump with the valve GPM, you should be OK with the feathering.

You can always add restrictors in the flow path.


Here it is: Surplus Center - 3 SPOOL 25 GPM PRINCE RD532CCCAAA5A4B1 OC VALVE

This valve (9-6703) is rated at 25 gpm. Will this cause a mismatch with my 7 gpm pump? I am considering a selector valve also, but I am just looking at the options.
If you put a restrictor in the flow path, wouldn't that cause a significant slow-down?
 
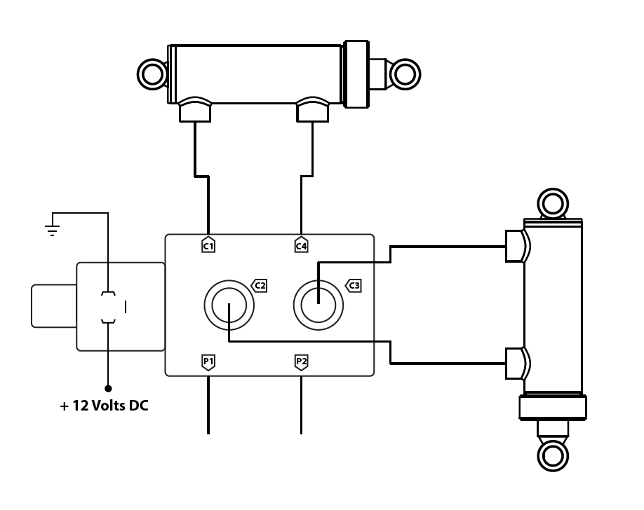
/ Valve Question #6  
I am not sure on the piping. How would I connect to the existing two-spooler?

((Stole the pic from your link in the 'instruction' section.))

One of your circuits outlet pairs goes to P1 and P2

C1 and C4 go to the circuits you just stole from.

And lastly, C2 and C3 go to your new circuit (grapple).
 

Attachments

  • Image1.jpg
    Image1.jpg
    73.3 KB · Views: 155
/ Valve Question #7  
Here it is: Surplus Center - 3 SPOOL 25 GPM PRINCE RD532CCCAAA5A4B1 OC VALVE

This valve (9-6703) is rated at 25 gpm. Will this cause a mismatch with my 7 gpm pump? I am considering a selector valve also, but I am just looking at the options.
If you put a restrictor in the flow path, wouldn't that cause a significant slow-down?

That valve is way to large for your pump.

I would recommend this valve. It does not have float.

Surplus Center - 3 SPOOL 8 GPM PRINCE MB31BBB5C1 DA VALVE

Restrictors will cause a slow down, and you probably want to slow the action down on the grapple.
 
/ Valve Question
  • Thread Starter
#8  
Thanks Willl and J.J. Both options have merits. Just have to decide which one.
 
/ Valve Question #9  
I am in the process of building a grapple attachment to my bucket. Since my present valve is two spools with no PB, I need to get a three spool. I was looking at the Surplus Center Prince RD5000 series valve and I was wondering if anybody knows or has used this series valve for the loader. I just like to know if this valve would provide a smooth feathering function. I don't want invest $300 and ending up with jerky bucket movements. I have been there before. The loader has a 7 gpm PTO pump.
Looking at the 3-spool RD5000, there are two types: DA Spring Center and DA Spring Center w/ Float. Which one would you suggest I need?

If you are going to replace your two spool valve with a three spool, I recommend one spool with float for the loader arms.

If you don't have rear remotes, get PB now, for future use.
 
/ Valve Question
  • Thread Starter
#11  
That valve is way to large for your pump.

I would recommend this valve. It does not have float.

Surplus Center - 3 SPOOL 8 GPM PRINCE MB31BBB5C1 DA VALVE

Restrictors will cause a slow down, and you probably want to slow the action down on the grapple.

J.J. I like this spool,matter of fact I found one in ebay for $199 + Shp. This spool would suit me fine for this project, but what happens if there is no float for the bucket. If needed, is it something that can be added? I don't even know if I have a float in my existing valve. I can run the tractor with the bucket a distance from the ground and it stays there. When tractor is off, the bucket can stay up for long time. Apparently the float is not something essential because most of these valves listed in SC catalog don't have a float. What does a float actually do on a loader?
 
/ Valve Question #12  
Float is when the bucket will follow the conture of the ground, useful for back dragging, and leveling.

Try and push your lever fwd and see if it will snap and lock into in place.

It may be hard to do at first if you have never done it. There are some balls that sit in a groove to hold the lever in float.

Most loaders also use joystick valves, and most of them have float.

Some people say they never use float.
 
/ Valve Question
  • Thread Starter
#13  
Okay, I guess it's just like the draft of the 3pt. I won't be using that either. Thanks.
 
/ Valve Question #14  
Okay, I guess it's just like the draft of the 3pt. I won't be using that either. Thanks.

It depends on what you will use your loader for in the future. Do you know now everything that you will use it for next year?

I would rather have float and not need it, than need it and not have it.

I have used float a lot on past projects, and know I will use it in the future. :)
 
/ Valve Question #15  
I'm with xfaxman - been doing this with various equipment since the '70's, and I would NEVER set up a loader without float.

It's one of those things that, if you've not used it, you don't know you need - but once you HAVE used it, you will soon wonder how you ever got along WITHOUT it. It just broadens your options when doing all sorts of loader work.

I've also had machines with SEPARATE curl/lift levers, and JOYSTICKS. Much prefer joystick.

Some examples, 2-wheel drive machine (all I own)

1. Light grading, forward - bucket in FLOAT, gentle "bumps" to curl to control depth. Lot less "waves" in the surface than NO float.

2. Heavy smoothing, forward - NO float, curl so cutting edge is slightly up, bucket hard down, to the point where front wheels are off the ground if your machine can do it.

3. Spreading gravel - progressively dump going forward, watch the amount of material coming out of the bucket and try to maintain relatively even flow. When bucket is empty, simultaneously put bucket in float, curl back to slight downward tilt of cutting edge, reverse (BEFORE the bucket hits the ground :D ) and backdrag gravel just spread. Grab another bucketful, repeat.

4. Packing existing gravel after either "repairing" and/or spreading, BACKWARD - gently , bottom of bucket somewhere between flat to ground or cutting edge SLIGHTLY lower, FLOAT mode.

5. NOT so gently - Backward. Bucket down, bottom FLAT, NO float. Front wheels off the ground if possible, or as hard DOWN as your machine will do - Front edge will NOT dig in or move material, REAR heel of bucket will knock off any peaks, whatever weight the front of your machine has will be pushing down on entire bottom surface of bucket to smooth and pack the gravel.

This is NOT to suggest that the gravel will be as packed as you need, just a start. After driving various vehicles (preferably HEAVY) on it, another pass (5) will smooth out places that got packed more (sunk)

Some, if not all the above work on dirt more or less. You need to "play" with them on YOUR dirt (they're all different) to find YOUR best methods.

In a lot of hard duty, four wheel drive won't matter because your front wheels will be off the ground - with or without 4 wheel drive, you'll need to know how to separate your REAR wheel brakes to steer, because once you have bucket pressure on the ground, the tractor will likely NOT go where it was headed NOR will it be steerable in the normal manner. Brake pressure on one or the other rear wheel will be ALL you have to steer.

Traction - if your fronts are off the ground, you'll also need to know about DIFFERENTIAL LOCK. My 580 Case weighs 12,500 pounds and I STILL lose traction without stepping on the Diff-lock pedal.

These are some methods I've been using for decades, probably forgot a few - main point is, you should not LIMIT your options til you find out your OWN best methods... Steve
 
/ Valve Question #16  
Maybe NCMau wants what he wants.

I don't have a cab on my tractor, but I know how nice it would be in the summer and winter.

Float is OK, but not every body needs or wants it.

I could probably try and convince NCMau that a joystick with float and regen is the best way to go with a diverter valve or 3ed function for the grapple, but what he wants is up to him.
 
/ Valve Question
  • Thread Starter
#17  
It's great to be able to generate such diversity in interesting discussions. And I for one, appreciate all of them and I'm sure everyone else does too.
I understand the benefits of the float function, but the question is do I really need it. My bucket is 40" wide and has teeth which I have no intention of removing for back grading.
The tractor used to have a 66" bucket which I replaced with the 40" because I can get around a lot better in my wood trails. Also I find a small bucket to be more aggressive and adequate for my occasional dirt loading. Anyway, If I ever need any leveling I just use the scrape or box blade.
I did give serious considerations to all suggestions given in this post. I ended up with the three-spooler instead of a diverter valve because I wanted a PB option, which I presently don't have. I didn't know about the gpm factor, I thought a larger gpm than the pump would be better but J.J. steered me in the right direction. I got a good deal on ebay and the whole project probably would cost me $350 - $400. I'm okay with that, it didn't break the bank.
Thanks again for all the inputs.
 
/ Valve Question #18  
I am in a similar project and I just ordered a Surplus Center - 3 SPOOL 25 GPM JOYSTICK LOADER VALVE W/GRAPPLE. It seamed like the best option for me, although a little more money than you were planning. I have several loaders and the joystick is the only way to go. By the way, I am pretty sure if you buy a single spool valve with power beyond you can put it before your current valve and get the same results. The last valve in line does not need power beyond as I understand it.
 
/ Valve Question
  • Thread Starter
#19  
Maybe NCMau wants what he wants.

I could probably try and convince NCMau that a joystick with float and regen is the best way to go with a diverter valve or 3ed function for the grapple, but what he wants is up to him.

J.J. if I would put a joystick on this old girl, she would change personality on me and get all confused.
 
/ Valve Question #20  
tessiers ,

What tractor are you going to use that 25 GPM valve?

I would recommend to match the flow rate in GPM from the pump to the valve.

This will provide better feathering action, and allow full lever movement/more finesse.

If you should use the 25 GPM valve with a 10 GPM pump, at about 1/3 of lever movement you will be passing max pump flow.

I think it is a waste of money and not be able to fully use the valve correctly.

Most loader setups, use a joystick valve with regen and float. Similar to this one.

Surplus Center - 2 SPOOL COMPACT 10 GPM JOYSTICK CONTROL VALVE
 

Marketplace Items

2021 John Deere 4044M (A64126)
2021 John Deere...
DYNAPAC  CP271 PNEUMATIC ROLLER (A67714)
DYNAPAC CP271...
Sandblast Pot (A68134)
Sandblast Pot (A68134)
2014 MAC FLAMELESS HEATER (A68842)
2014 MAC FLAMELESS...
2005 Sterling Cab (A66736)
2005 Sterling Cab...
2023 JCB 3TS8T Teleskid High Flow Compact Track Loader Skid Steer w/ 7 Ton Gooseneck Trailer (A66734)
2023 JCB 3TS8T...
 
Top