Valve lash adjustments

/ Valve lash adjustments #21  
Like i said, just look at the one that is in line with the manifold port. If you look down from above the engine the runner of either the EX or IN that is farthest forward will be mated to the valve farthest forward. I do not have a 385 engine in front of me to tell you but you don't need one, it's real easy to see what one is what.
 
/ Valve lash adjustments #22  
Well smalts,,,thanks for trying to help out,,,but,,,I've already said you can't tell that way,,on this engine,,,so,,,,,if you can't tell that way,[lets just assume],,,how else could you tell???

Again,,real simple question,,when you take valve cover off,and look at the valves,,,which is the first one back from raditiator,,,,,exhaust,,or intake,,if you don't know,than thats o.k.,,,but you will have to admit,its a real good question?? the thing
 
/ Valve lash adjustments #23  
Ok guys..Lets find a way to determine which is which?
During the COTA NY get together last year we had the valve cover off of Dicks 224 and noted that the decompression levers held open the 3 intake valves. which ment the forward most valve was the exhaust.
One way is to take out a glow plug,put the exhaust of a shop vac into the muffler and push open a valve. the exhaust valve would then let the air blow out the glo plug hole. Of course you have to start with both valves closed
 
/ Valve lash adjustments #24  
</font><font color="blue" class="small">( I do not have a 385 engine )</font>

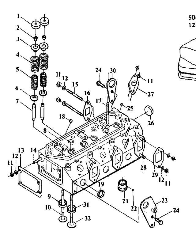
Therein lies the problem with your theory. Take a look at this Y380 head (photo courtesy of HarryG), and you'll see what I mean. The intake and exhaust runners aren't anywhere near in-line with the associated valves.

The fuel injector locations might be better indicators, but I think the visible blowby should be a dead giveaway. Note the discoloration above valves 2/4/6. To me, that spells exhaust gases blowing past the valve guide seals. So by default, that should make 1/3/5 the intakes.

//greg//
 

Attachments

  • 654948-Y380.jpg
    654948-Y380.jpg
    61.2 KB · Views: 295
/ Valve lash adjustments
  • Thread Starter
#25  
OK, fellows, it's getting interesting with all the comments. BUT, on the Y385 engine, no one has commented if the 240 degree crank shaft rotation is geometrically correct for adjusting the valves. Thanks for all the comments and will watch for more. Yugo
 
/ Valve lash adjustments #26  
</font><font color="blue" class="small">( OK, fellows, it's getting interesting with all the comments. BUT, on the Y385 engine, no one has commented if the 240 degree crank shaft rotation is geometrically correct for adjusting the valves. Thanks for all the comments and will watch for more. Yugo )</font>

180 degrees is for an engine with even number of cylinders; TDC/180 for a duece, TDC/90/180/270 (sequence depends upon firing order) for a four banger, et cetera.

Divide 360 by 3 for a Y380/385; TDC/120/240 (again, sequence depends upon firing order).

//greg//
 
/ Valve lash adjustments #27  
If you really need to know in a pinch you can do this. Pull the glow plugs and put you finger over the hole and when the piston creates pressure you know it is on the compressoin stroke . then keep rotating the engine slowely 360 and the first valve to move will be the EX valve. Hope that helps.
 
/ Valve lash adjustments #28  
Yugo,,,,this is from mr. jw smith,,,not me,,,,but he knows his----,,,"we really have three,one cylinder engines here all tied together.If we think of them in this manner it is much less confusing. Jinma,in their infinite wisdom,only put timing marks for the number one cylinder. That works great for #1,but what about the rest? On a two or four cylinder engine the crank throws are spaced 180 degrees apart,so it is easy to know that when timing marks are lined up for #1 cylinder the others will be at tdc or bdc,our little three cylinders engines have the crank throws spaced at 120 degrees,so tdc on #1 has the other cylinders at 120 degrees from tdc on a different stroke! With no timing marks? If this is confusing,,,good,,that is why I suggest to do each cylinder seperatly by watching the valves go up and down,[by turning engine over by hand with fan or socket on crank pully]"

There is more from Joe but if you just treat each cylinder as a seperate motor,as joe says,,you don't have to worry to much about what you are asking,you will still need to know where bdc and tdc are for each cylinder.

Joe again,,,"You will see exhaust valve open[it opens downward],than close. As the exhaust valve closes,you will see intake valve open and than close. The intake closes pretty close to bdc. At the moment that the intake closes,you will need to rotate the crankshaft 180 degrees to get to tdc. This may be difficult to accomplish as you will be compressing the air in the cylinder,so release the compression and go to tdc,,turn the compression release back to the run postion,than adjust both of the valves on that cylinder only. You will be able to feel a slight looseness in both of the rocker arms at this point if you grab the rocker arm and try and wiggle it up and down... This is the so called valve lash. Resist the temptation to take a short cut. Verify valve action and feel the compression coming up towards tdc,,than you will know where you are. Rotate the engine several times and watch the valves opening and closing,this will give you confidance,,,tdc happens at end of compression stroke and at end of exhaust stroke,we need to find tdc at end of compression stroke,,,,hint,,tdc at end of exhaust stroke has the exhaust valve just beginning to close and the intake beginning to open,so it is obvious you can't adjust valves there,right?"
Told you all ole jw smith knew his ----,,,didn't I? THE THING
 
/ Valve lash adjustments #29  
Hey Dick,

Are your valves still making unusual noise or have you readjusted yours since we had this discussion on NYTO Forum?

By the Way Yugo, what did you set your Valve Lash at?

Have a nice day,
Joe /forums/images/graemlins/cool.gif
 
/ Valve lash adjustments #30  
Joe,don't know what you're talking about?? They never did make unusal noise's,,when did I say that??I think I said that they might rattle a little more than before I adjusted them,,,but intakes were to tight than,,its been over 200 hrs since I adjusted them now,,so the "unusal noise",must not be that "unusal".

By the way joe,,,did you ever get up enough courage to check yours??? Remember you talking alot about it a few months back,,but you never said if you did it or not,did you???And if you did,,,what did you set yours too????

What people,,,,,no thankyous to ole jw smith??? You can do what he said and by doing that,,and watching cycles,you will soon know which valve is intake and which is exhaust,,,,but also,,,99% sure decompression works,[opens],intake valve,,,,,so if you watch the cycles,,on one cylinder,,following jw"s directions,,keeping in mind that you think decompression opens intake,,and if what you see jives with what you think,,yeah man,,,you now know!! Do it one cylinder at a time,,,,bring that cylinder to tdc,,make sure that you have play,and can move both valves a little,,which means both are closed,,check/adjust them both,,than move onto next cylinder,,you can check/adjust any number of cylinders by doing it this way,,,don't got to worry about all those degrees,when both valves are closed and you got some lash in both valves for that cylinder,,than you are at or very close to tdc,once valves are closed totally,,,they don't close any more,,this is what you want...

Northern recommened a lash of between .014"- .016", for both valves on the 254 with 385 engine,,which differs slightly from book,,,,,,now the 204 two cylinder with 290 engine has a diferent gap for intake and exhaust,,don't know about any other motors,,,,,

Also yugo,,,,might as well check those head bolts while you are there,,,,but I wouldn't even worry about checking these two maintance check list things untill I had about 300 hrs,,,UNLESS it is not running right or making strange noises or something like that leads you to think they are off,,,what does book say,,do this at 100 hrs or something???Its not even broke in yet really,,but thats just me,,,,,,the thing
 
/ Valve lash adjustments #31  
<font color="blue"> By the way joe,,,did you ever get up enough courage to check yours??? Remember you talking alot about it a few months back,,but you never said if you did it or not,did you???And if you did,,,what did you set yours too???? </font>

Hey Dick,

No I haven't done mine yet. I'm trying to get my shop building built, before I start trying to do engine work. I've got a lot of blowing sand down here and in case I have to stop for the night, I want to be able to close the doors and not be worried about the blowing sand or thunder showers raining on the engine, before I get the job done. It has gotten really warm down here now, and I may wait until it starts to cool off in the fall. I'm trying to get my building finished before we get our first hurricane. Allready one is heading for Central America.

Maybe before I get ready to do mine, Harry will have done his and posted his findings. I am still undecided which is best for the Valve Lash Settings.

BlueChip said that he set his Valves on the Loose side, but would not say which feeler guage that he used, on a Y380T engine.

Have a nice day,
Joe /forums/images/graemlins/cool.gif
 
/ Valve lash adjustments #32  
Well,,,,I guess ole jw smith,[and me],,,musta answered all the questions that were asked on this thread,,,cause its awfull quite now,,,,,glad we could help smalts and yugo out...

Joe,,I thought a couple of dealers already told you what the lash was??What does your owners manual say?? What you got to do,[IF you want to do it],,is,take valve cover off,and turn it over and over and get a feel for the valves action/which one is which,,etc,,than just check them,,,if you know what they are supposed to be set at,[from what you were told],,you have a base to go on,,I bet they are same as mine or very close to it,,,check them,,they might all be within a couple thousands of where they are supposed to be,,if they are close to info given you,,than you can be preety sure that was correct info,,if not,,than you need to adjust them,,might not even have to adjust them,,,,unless you check head bolts,,on mine,,you have to take rocker arm assembly off to check head bolt,,if you do that,you will need to recheck lash after putting rocker assembly back on,,,,another thing,,you are not going to get them exact to the thousands,[doubt it anyways],,to many varables,,your idea of tight fit for gage and mine are two different things,,plus you got several moving parts,that you are checking against,,so,,,if you can get it as close as you can,,thats all you can do,,,blues idea of loose and yours could be different,,,,it don't cost nothing but a set of feeler gages and new valve cover gasket to just check them though,,and if thats all you are doing,,take maybe just a few hrs,[by the time you turn it over a hundred times and check and recheck and recheck],,,

happy trails,,the thing
 
/ Valve lash adjustments
  • Thread Starter
#33  
OKAY fellows, here we go again. Apparently, we're reading the same book, but we are on different pages. On all 4 cycle engines, the crank has to turn 720 degrees to complete the power stroke, regardless if it's a one cylinder or 10 or 12 cylinder engine. All power strokes have to be completed in 720 degrees. (4-cycle) So if you divide the number of cylinders into the number of degrees, (720), you get the number of degrees between cylinders. This information and the firing order will tell you top dead center where to adjust the valves. And keep in mind, that there is valve duration, but since these are not highly modified engines, the duration would be minimal. Probably the best way to adjust the valves, would be with it running. My book says intake valve (cold) is 0.20~0.25 (mm) Exhaust valve (cold) is 0.25~0.30 (mm) These sound very close for this type of engine. Boy this is a 2 can comment! If anyone has further information, or this information is wrong - feel free to discuss it further. It's gotta be good for one more can. Yugo
 
/ Valve lash adjustments #34  
</font><font color="blue" class="small">( My book says intake valve (cold) is 0.20~0.25 (mm) Exhaust valve (cold) is 0.25~0.30 (mm) These sound very close for this type of engine. )</font>

Same numbers in my Jinma book. By comparison, my turbo-diesel Mercedes is 10mm intake / 35mm exhaust (30mm for non-turbo exhaust) and my direct injection KAMA is 0.25-0.35mm (intake) / 0.30-0.40mm (exhaust). So to conclude that "These sound very close..." is somewhat subjective.

Moral of the story is, it all boils down to metallurgy. The guys that design the engines know the expansion properties of the metals/alloys used in the valve train, and base their valve lash specs accordingly.

//greg//
 
/ Valve lash adjustments #35  
<font color="blue"> Probably the best way to adjust the valves, would be with it running. My book says intake valve (cold) is 0.20~0.25 (mm) Exhaust valve (cold) is 0.25~0.30 (mm) These sound very close for this type of engine. Boy this is a 2 can comment! If anyone has further information, or this information is wrong - feel free to discuss it further. </font>

Hey Yugo,

Did you check the valve lash before you took the valve cam assembly off to retorque the head?

We had an extensive discussion on this very subject at the "NYTO Forum" in the Y380T Engine section. At any rate I think that you may find it interesting, if only to get a recipe for making MoonShine.

There has been instructions given out that the books values are not correct. And that the books values cause the engine to run hotter. I don't know really what is going on.

I need check the headbolts for torque and then check valve lash, but before I start, I intend to check the valve lash to see where it is at, before I take the cam assembly off.

I intend to do this little project after I get my Garage/Shop/Storage building finished. But I may wait until the temps here are a little bit more on the cooler side. It is allready in the 90's down here on the Coast.

Dick and John have a 385 engine and Harry and I have a Y380T engine.

Just giving you a little heads Up on where this topic has previously been.

Dick, you asked what damage would occur if the valves were too loose. I have been told that the top part of the valve stem would get beaten up pretty badly. This is just what I have heard, but I personally don't know, but it makes sense.

Get Your Tractors Running &
Have a nice day,
Joe /forums/images/graemlins/cool.gif
 
/ Valve lash adjustments #36  
No can of worms needs to be left canned,or......Well yugo,,,first off,,like I said,,you don't have to make it complicated on all that degree/revalution stuff,,you can if you want,,but most of us are not real mechanics,and the way I previously decribed works,,,and it simple,and almost fool prove,,plus you will see which is intake and which is exhaust.

As far as the valve lash,yeah,,there seems to be confusion in the books,and from dealers,Igot the same engine as you,,the 385,[guess it from same factory???],,now mines a nortrac,,and northern prints there own owners manual,[written by them],that doesn't nessarsarly mean that its right,,but who prints farmpro,,,maybe farm pro does??,,in any case,,my book says to gap both intake AND exhaust .0118" - .0157",,,which is the way I like to work,in american,,but for all you metric fans,,thats .30 mm to .40mm,,,BUT,,after talking to northern by phone before I did it to verify this,,they modified that to gap .014" to .016",,again for both,,which just means they increased lower end of gap,,[made lower end of tolerances more],,,,I tried to set mine at a middle ground,,.015",which would be about .35mm,,,,and they have been there for about 200 hrs,,,,,

When I first took valve cover off,,,intakes were set at .010",,and exhausts were .015",,so's all I did was increase intake gap to as close to .015" as I could get,,which,,seems to me a good bit,,but thats what they told me,,and even the .015" falls within the tolerances that were in their book,,so it was within their book tolerances and also within update version by phone.

Now after running it I "believe" the valves very slightly rattle just a tad, never noticed it before,,but it is very slight and just notice it when going down hill at lower throttle,,,SO,,like I told joe on nyctoa board,,,if I had it to do again,,,I would set exhaust at .015" like before,,but would tighten intakes to .014"...

Joe,I'm no mecanic,,but,to tight valves are maybe more harmfull than a tad loose valve,burnt valves...but ain't no mechanic...thingy
 
/ Valve lash adjustments #37  
<font color="blue"> Joe,I'm no mecanic,,but,to tight valves are maybe more harmfull than a tad loose valve,burnt valves.. </font>

Hey Dick,

I agree, Too Loose is better than Too Tight on the Valve Lash. Too Tight, can result in a Burned Valve.

With as many of these Jinma Tractors here in America now, it would seem that we would be able to get an official consensus, on what the Correct Valve Lash is supposed to be.

Maybe the Dealers want it that way, so that the engines won't last as long as they should, and that way, they can sell more Tractors or Engines. /forums/images/graemlins/shocked.gif

Get Your Tractors Running &
Have a nice day,
Joe /forums/images/graemlins/cool.gif
 
/ Valve lash adjustments #38  
Yeah,,,agree Joe,,,thats too wide a margin,[yugo's and greg's book and mine,for same engine],plus yugo said his intake and exhaust were gapped different according to his book,for same engine as mine,,,it makes us all scratch our heads and wonder who's book is right,or for that matter just who's book is closer,,shouldn't be that way....Like I've said,,,from experience with doing it on my 385 motor,,,would set my exhaust at .015" and intake at .014",,or probably even down to .013",,if I was to do it again,,but it runs pretty good the way I set them,,.015" for both,and has run that way for 200 hrs or more.
I'll also bet your 380 motor would be alright about there too,,,you first would have to see where they are now,,I'm betting they are within a couple or three thousands of that now,,,what did you say the dealers told you again,,could go back and look it up on nyctoa board but it would be good to put it in this thread as referance,think I rember that they said to gap intake and exhaust differently?,,what was those dealers names,,already listed mine.....

Any body else out there reading this got a nortrac 254 and its nortrac book???,,what does it say??? same as mine???,,now it would be strange if two different books from same place said different settings???? Anybody got a farm pro book that says different than yugo's book??? its hard to tell how many different gaps we got in books and from dealers out there for same motor??? Whats a girl to do?????? the thing
 
/ Valve lash adjustments #39  
<font color="blue"> what did you say the dealers told you again,,could go back and look it up on nyctoa board but it would be good to put it in this thread as referance,think I rember that they said to gap intake and exhaust differently?,,what was those dealers names,,already listed mine.. </font>

Hey Dick,

This is a copy of the letter that Terry sent me from Tractor Outlet.

My operations book is as the letter states also.

I agree with Greg, that the Engine Engineers know best, but what are the Engineers saying now, is the question. /forums/images/graemlins/confused.gif

But I will do as JohnS has suggested, and check the valve lashes, before I remove the CamShaft Assembly, and then make up my mind, what I will set my valves to.

But again, we should not have to be guessing as to what to set our Valve Lashes to.

If it wasn't so serious, all this would be in the Silly/Funny category. Some say one thing, others say something else, with us owners sitting and scratching our heads.

<font color="blue">
Dear Sir,

This message below was waiting for me this AM. Take it or leave it as you wish. Terry

Dear Terry,

In the operation manual, it says

INTAKE VALVE .20MM TO .25MM"

EXHAUST VALVE .25MM TO.30MM

But our engineer said it will let the engine get hotter. So in fact they do as the following:

INTAKE VALVE 35MM

EXHAUST VALVE 40MM

Best Regards,
</font>

Get Your Tractors Running &
Have a nice day,
Joe /forums/images/graemlins/cool.gif
 
/ Valve lash adjustments #40  
Joe,thanks for posting that,,,,,yeah,,they are telling you the same thing northern told me then,,so maybe this is not as big a mystery as we are making it out to be???I set mine middle of range northern gave me,,,.015",,,or about .35mm,for both,,and like I said several times before,,,believe from experience that that is very close to right on for a 385 motor,,would set intakes a tad less if I had to do it again.

Which leads me to say this,,,,if you have a 380 or 385 3 cylinder motor in your jinma,,,the best guess on valve lash gap is........ .015" for exhaust,,,,,.014" for intake,,,,,,just like I've been saying for a year now....

Which also leads me to say this....farm pro's book must need updating.

The overheating that many complained of in the past,[and probably burnt valves],,,may have led to this increase,,,,,don't you just love it when a plan comes together???

We now know how to adjust valves,how to tell which valve is which,and what gap to set the valves at on 380-385 motor,,,,thanks northern,,,terry at tractor outlet,,and ole jw smith,,,jw,,you out there???? the thing
 

Marketplace Items

(INOP) 2002 CHEVROLET 3500 BUS (A59823)
(INOP) 2002...
2014 International WorkStar 7300 4x4 Altec A55F 55ft. Material Handling Bucket Truck (A60460)
2014 International...
(3) 31'X52' BULL FLEX HAY TARPS (A62131)
(3) 31'X52' BULL...
UNUSED 2026 INDUSTRIAS AMERICA 5'X10' HYD DUMP TRL (A62130)
UNUSED 2026...
UNUSED IRMC HIGH-END ELECTRIC MASSAGE CHAIR (A62131)
UNUSED IRMC...
Year: 2017 Make: Ford Model: Explorer Vehicle Type: Multipurpose Vehicle (MPV) Mileage: 82349 Pla... (A59231)
Year: 2017 Make...
 
Top