RJI
Member
push back and hold the PTO lever... turn the key...

"So if you found a fuse that has power, you know that power from the battery is reaching that point. Now the disconnect is somewhere from that fuse to the ignition switch."
Yes, I agree. I will get pictures tomorrow and post them if I can post them directly. I will continue to trace the power as you have described too.
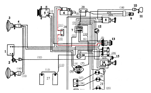
Here is the schematic I am using. The red indicates a direct line from the starter (+), to the ignition switch. There is a Switch (28) in that circuit. That "Switch" is what I am trying to find, and where I suspect the problem is.
View attachment 552457
Thanks for the help.

Figure 12 is the ammeter. Only the top fuse (7) has any power. It has power with the key off or on. Here is all I have for labels for the schematic.
View attachment 552467
I will start checking all suggestions after one more cup of coffee.

Hey, power comes to the switch but none comes out at any other position.
Problem is the switch!
Key switches have a spring loaded wiper arm that makes the contacts.
They dab some lubricant to deter wear and improve conductivity.
What very often happens is that lubricant drys up, hardens and prevents contact from occurring.
In other words the spring action is not sufficient to overcome the hard lube resistance.
One thing I have done is to spray some WD40 into the key slot and wiggle work the key a bit and that has restored operation.
Try that, nothing to lose.
PS: I have dismantled a few as I like to find what caused the problem.
Looking at your posted schematic I have a few questions and I'll be making a couple of assumptions;
lets list the numbered components first,
#1 battery
#2 a grounding block ???
#5 alternator
#6 starter
#7 fuse block
#12 key switch
#13 push to start switch???
#14 ????
#19 voltage regulator ?
#20 ????
So power flow from #1 battery positive to #6 starter main lug,
from #6 starter main lug wire #(2) to fuse block #7 isolated fuse,
from isolated fuse using wire #(3) to item #12 (key switch),
from #12 to item #13 (push button?) using wire #(5) also from #12 to item #5 (alternator) positive reference,
from #13 to item #28 using wire #(10), from #28 to starter activation terminal on item #6 starter,
item #13 also feeds fuse block item #7
item #19 also feeds fuse block item #7 from item #5 (alternator) thru wire #(8) to item #19 and wire #(7)
So you need power from the battery #1 to the starter #6, from the piggy backed wire on the starter to the isolated fuse in the fuse block#7 to the main switch #12
to the device #13 to the switch #28, to the starter activation post on #6