Semi automatic wine corking machine

/ Semi automatic wine corking machine
  • Thread Starter
#21  
ok, so I can simplify the circuit a bit by using the dpdt relay. It sounds indeed Like I'm not too far off. I'll spend some time today trying to get this down on paper and wrapping my head around it. This indeed stretches my limit of knowledge to the max.. and beyond. Thanks for the help so far.
oh and good wine does indeed come in a box :)
 
/ Semi automatic wine corking machine #22  
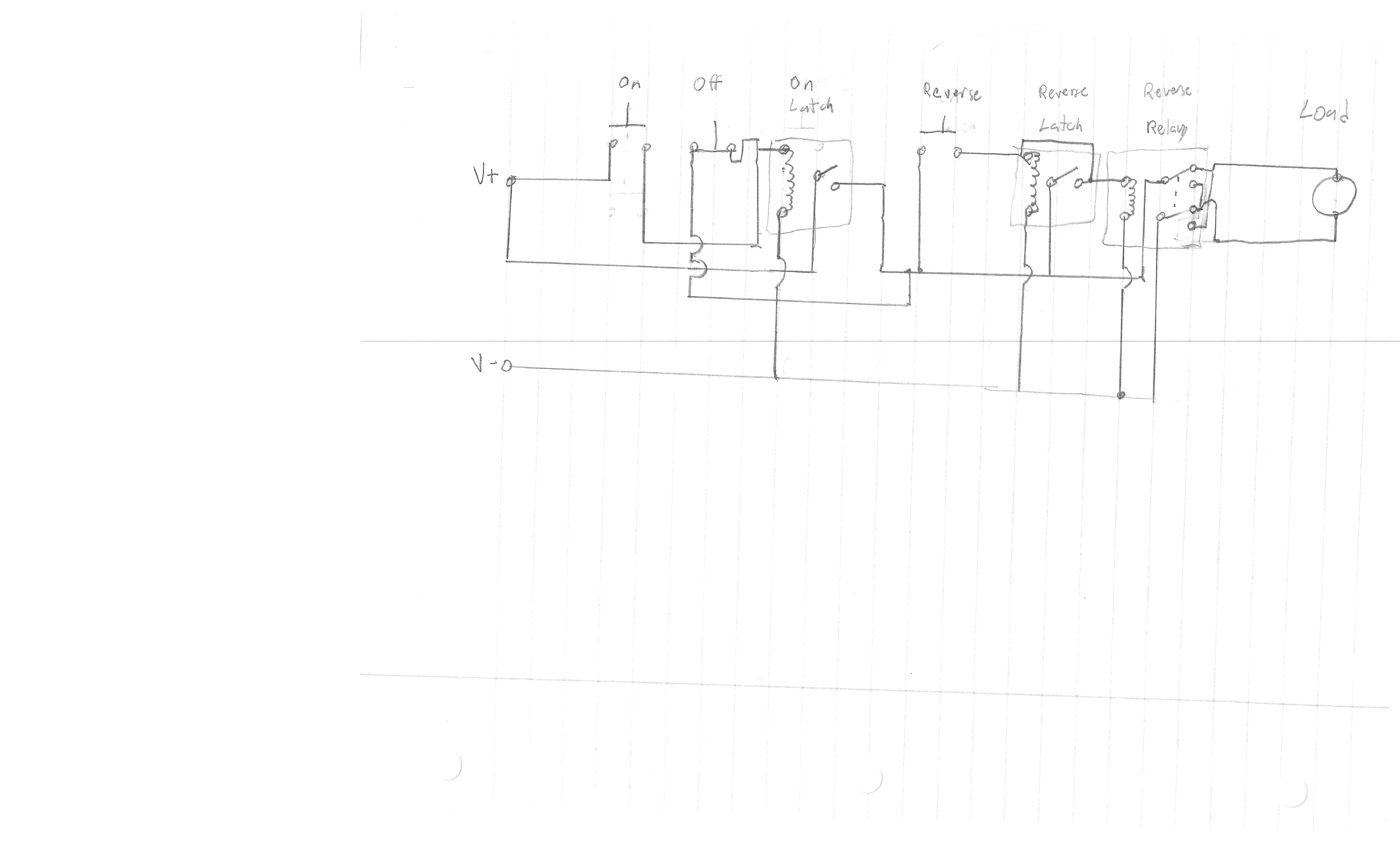
winecircuit.jpg

Here's a diagram, I can't figure out how to upload in higher resolution. For the relays I recommend this part:

Multicomp 40A Automotive 12V Relay | CMA31-DC12V-A (CMA31DC12VA) | Multicomp
 
/ Semi automatic wine corking machine
  • Thread Starter
#23  
cool, ill re-draw this up to make sure I understand what happening. Cheers.
 
/ Semi automatic wine corking machine #24  
winecircuit.jpg

Here's a better resolution. TBN limits the size of attachments so I've been playing around trying to find the resolution that I can upload and still be under the limit.
 
/ Semi automatic wine corking machine #25  
At the risk of being a stick in the mud, I'll offer my advice on wine closures: Commercial corkers apply the corks under vacuum, for both keeping the cork in place, and reduction of headspace oxygen and thus dissolved oxygen (a low TPO - total package oxygen - is what you want). Manual corking has the potential to push the cork back out of the bottle. Corks are gas-permeable yes, but they won't let the pressure out quickly. The slug of oxygen forced into the wine will also drop your sulphur level. Corks are old-school, outdated and poor-performing technology. You're better off with screw caps. I'd recommend Novatwist applied by a cordless drill set to a consistent torque stetting. Whichever closure you choose, if you're home bottling you need to pay very careful attention to filtration, inert gas cover, dissolved oxygen and sulphur dioxide levels. :thumbsup:
 
/ Semi automatic wine corking machine #26  
UMMMmmm...... I think this guy knows what he is talking about.....
 
/ Semi automatic wine corking machine
  • Thread Starter
#27  
True corks are not ideal. Screw caps reduce spoilage to practically nil, they just don't let the wine age the same in the bottle. Better for wines that are not for aging (though there is some debate about that). Every winery I have worked at however (all smaller ones 3-5000 cases) have used argon or another inert gas in the top of the bottle before corking to get rid of the air, then good old fashioned floor corker and elbow grease to throw the cork In. I'm not personally aware of any corks popping out of the bottle from manual corking, but I'm sure it has and does happen. We have talked about twist tops, and as we move forward we might do it outside of our premiums, but for now I think we will keep rolling with the corks (I still have a few unopened bags) Definitely something to think about though. Quicksand thanks for the update on the schematic, ill poke around it and fire back if it confuses me.
 
/ Semi automatic wine corking machine #28  
Just for your info, and any others interested, almost the whole Australian wine industry uses screw caps now. The trend really kicked off with Riesling in the Clare Valley and quickly spread to other whites, then reds. At my winery I process 120 metric tonnes each year, exclusively bottled under screw cap. We bottled half under screw cap in 2001 and made the complete switch in 2002 and haven't looked back. A 1 in 10 failure rate was unacceptable to me. Sure, the average punter may not know they're looking at a cork-affected bottle, but I could tell it wasn't the wine I bottled, with the wine being affected in subtle ways before an actual taint was observable.
A common thought is that wines under screw cap don't age well, but that's not really the case. In fact the Australian Wine Research Institute has been doing closure trials for more than a decade, and early on they found the cork closures that were considered ideal in their maturation speed had nearly identical oxygen transmission rates to screw caps. The poor performing corks had far greater OTR. Our wines from the 2001 vintage under screw cap look aged and bright, where-as the cork sealed wines range from looking like the screw capped wines, to flat and lacking fruit, to truly 'corked' or oxidised.

Anyway; just my 2c. Good luck with your bottling.
 
/ Semi automatic wine corking machine
  • Thread Starter
#29  
Yeah after your post last night I did some digging again and it seems that just make the screw caps differently than they used to, allowing for oxygen diffusion. There is SOME risk of contamination but it's basically nil, far better than corks. Combine that with the fact that there are a GREAT many screw caps on the market and you have a product that seems to be a great idea. Thanks for making me think about this again, it's definitely an area I'll consider seriously.
 
/ Semi automatic wine corking machine #30  
You could do it without a bunch of timers and pneumatics.

Feed the corks from a tube have the arm hit a limit switch to open motor contacts at "ram up" position. Swap corked bottle with uncorked bottle and press momentary contact running motor off of limit switch and it strokes in another cork.

A big version of this that stops after each cycle.

 

Marketplace Items

UNUSED IRANCH MINI SEMI-AUTOMATIC QUICK CHANGER (A62131)
UNUSED IRANCH MINI...
Toro 3000 Series Lawn Mower (A61166)
Toro 3000 Series...
2013 Lincoln MKZ Sedan (A61569)
2013 Lincoln MKZ...
2018 CATERPILLAR 305.5E2 CR EXCAVATOR (A62129)
2018 CATERPILLAR...
Box of Transport Ratchet Straps (A59230)
Box of Transport...
UNUSED WOLVERINE TCR-12-48H 48" HYD TRENCHER (A62131)
UNUSED WOLVERINE...
 
Top