Seized Drain Plug

   / Seized Drain Plug #11  
Stuck drain plug? Please say it isn't so.:duh::banghead::hissyfit::jaded::melodramatic::gloomy::no:
 
   / Seized Drain Plug #12  
View attachment 638540

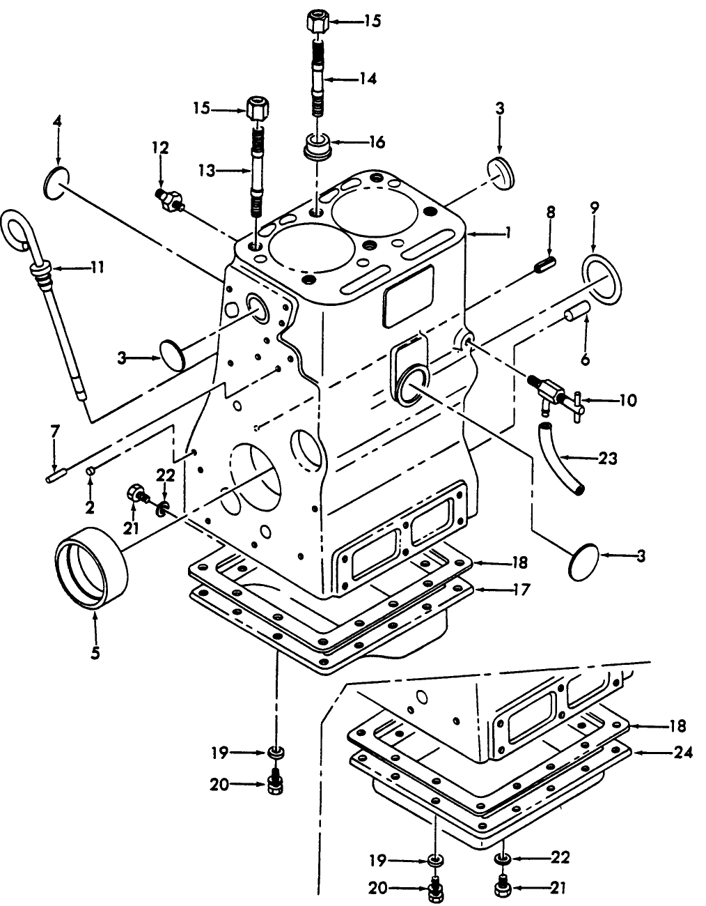
Can't get a good picture as the loader is in the way and the tractors disabled at this point. But it's like the one in the picture with the hose but a little different in that the ears are cast and quit large. Looks handy, but not when it's seized. At this point we have it drained enough that the water pump came off with very little mess. The only reason I'd need it loose at this point is if I have to bleed it once everything is back together and filled. The drain on the rad was no problem, but that one looks to be brass.
I interpret you are talking about #10. I would start with Kroil applied multiple times to the petcock for a couple days. Then I would rig a way to squeeze the valve body that the petcock screws into. I mean hard so that it flexes around the threads of the petcock to disturb the bond that has formed during long term stasis. Its going to take more than Vise Grips. ... A heavy reaction mass against one side and a firm impulse delivered to the opposite side via a hammer and punch. A 1/2"D short brass rod would be a great punch. Otherwise, a piece of aluminum or brass should be used to protect the valve body from a hard punch. It would be ideal if you could arrange for torque on the petcock while blows are delivered.
 
   / Seized Drain Plug #13  
How Kando-ed in there do you think the plug is?
 
   / Seized Drain Plug #14  
Properly done, this thread should get us through winter, and well into spring.
 
   / Seized Drain Plug #15  
Properly done, this thread should get us through winter, and well into spring.

Only if the OP is a Luddite pipe-wrench aficionado... a new Knipex is required!

(Or some new tool that I need to know about and add to my collection. :thumbsup:)
 
   / Seized Drain Plug #16  
OP are you saying you can’t open the Petcock valve? Some of those are made of cast alloy or something similar, and they corrode and break down. There are other NH threads about the block drains leaking and breaking when opening.
 
   / Seized Drain Plug #17  
He could be talking about item 21
 
   / Seized Drain Plug #18  
The picture shows a petcock, is yours a plug with a square head? Those are usually a pipe thread- tapered. The best penetrating oil I have found is Aerokroil, spray it with that and give it some time. Hopefully you can drive a socket on there and break it loose. When you get it out replace it with either a petcock or a plug with a hex head and use a six point socket on it from now on, they engage the flats rather than the easily rounded corners.
I wish you the best, I have been in similar situations, and it isn't pleasant.
 
   / Seized Drain Plug #19  
The picture shows a petcock, is yours a plug with a square head? Those are usually a pipe thread- tapered. The best penetrating oil I have found is Aerokroil, spray it with that and give it some time. Hopefully you can drive a socket on there and break it loose. When you get it out replace it with either a petcock or a plug with a hex head and use a six point socket on it from now on, they engage the flats rather than the easily rounded corners.
I wish you the best, I have been in similar situations, and it isn't pleasant.

Mike scroll down and you will see a oil drain plug
 
   / Seized Drain Plug #20  
But it's like the one in the picture with the hose but a little different in that the ears are cast and quit large.

It appears to me by Train's posts that he is dealing with coolant drain #10 rather than oil drain #20.
 

Tractor & Equipment Auctions

2016 Freightliner M2 106 Altec AM50 50ft. Bucket Truck (A55852)
2016 Freightliner...
2020 Caterpillar 259D3 Two Speed Compact Track Loader Skid Steer (A55973)
2020 Caterpillar...
Towable Diesel Fuel Tank with Pump (A53421)
Towable Diesel...
2016 MACK CXU613 MID-ROOF SLEEPER (INOPERABLE) (A55745)
2016 MACK CXU613...
30006 (A53424)
30006 (A53424)
2015 Dodge Charger Sedan (A55853)
2015 Dodge Charger...
 
Top