SAE-8 Banjo Fitting Autocad

   / SAE-8 Banjo Fitting Autocad
  • Thread Starter
#31  
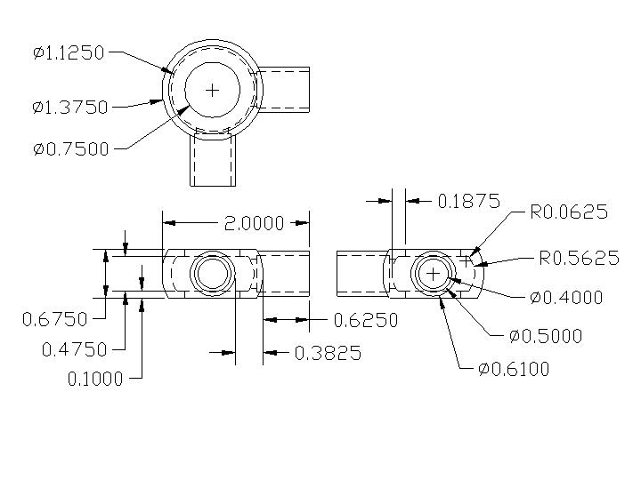
This is the latest variation of the Autocad drawing that I am loosely following. It has the dual port, and some additional dimensions that would not be needed for a CNC job, but when doing it by hand, it's handy to be able to measure how far a cut should go or something. I find it useful to have more dimensions than are actually necessary so I don't have to do any calculating at the bench that I might screw up.

/forums/images/graemlins/smirk.gif
 

Attachments

  • 614622-Banjo Fitting Dual revC.jpg
    614622-Banjo Fitting Dual revC.jpg
    34.6 KB · Views: 283
   / SAE-8 Banjo Fitting Autocad
  • Thread Starter
#32  
Well I played hookey from the homework I should have been doing tonight (taking some business classes at night at the local college to finish a bachelor's degree). But this is way more fun! /forums/images/graemlins/blush.gif

So here's the pics of the rest of the process:

After drilling out the bore to the 3/4" through hole size, I needed to overbore the core. This boring bar is good and stout, but I had to find a broken bit and sharpen a new edge to get one short enough to fit inside the bore, and with the shape I wanted. Doing it over again I would have radiused the corners just a bit, but that's not real critical. A couple things to notice: I left some flats on two sides of the outer body to be profiled later. I knew the drilling and boring would be a lot of torque and wanted the chuck to have a good solid bite. Also you will note the stubby bolts left in the braze sleeves to reinforce them and spread out the chuck jaw forces. This gave me a good deep overbore, deeper than the factory stock fittings, for a little less flow restriction.

/forums/images/graemlins/smirk.gif
 

Attachments

  • 615413-BanjoLathe14.JPG
    615413-BanjoLathe14.JPG
    68.9 KB · Views: 235
   / SAE-8 Banjo Fitting Autocad
  • Thread Starter
#33  
A trick I was taught for lineing up a boring bar or anything you want to get in a chuck straight: Grab it with the tail stock chuck while the tool post is loose and will move around, and then adjust the tool post slides to be nicely centered and clamp the tool post down. Now you know it is well centered and parallel with the bore.

Works pretty well for parts too. I wanted to trim up one of the braze sleeves after I had taken it out of the 4-jaw, so I put the sleeve I wanted to work on in the tail stock chuck and then carefully tightened the 4-jaw around the part, being careful to go slow with the jaws and not move the part around. Worked pretty well.

/forums/images/graemlins/smirk.gif
 

Attachments

  • 615415-BanjoLathe17.JPG
    615415-BanjoLathe17.JPG
    71.5 KB · Views: 193
   / SAE-8 Banjo Fitting Autocad
  • Thread Starter
#34  
After I got the boring done, I just re-chucked it twice more to finish the outer body profile. This part is real tedious, takes a lot of time, and is never perfect. The pictures make the result look better than it is, but fortunately the profile isn't a functional requirement.

Oh yeah, and I forgot to snap a pic of facing the second face, but gosh it would look just like facing the first face. /forums/images/graemlins/blush.gif

You just have to be careful to get them very parallel so the faces will seal well. The threads will accomodate a few thousandths of out of parallel, but you want to get it as close as you can.
/forums/images/graemlins/smirk.gif
 

Attachments

  • 615416-BanjoLathe18.JPG
    615416-BanjoLathe18.JPG
    70.9 KB · Views: 160
   / SAE-8 Banjo Fitting Autocad
  • Thread Starter
#35  
And here's a few shots of the finished product with a factory through bolt. /forums/images/graemlins/smirk.gif
 

Attachments

  • 615418-BanjoLathe20.JPG
    615418-BanjoLathe20.JPG
    72.4 KB · Views: 188
   / SAE-8 Banjo Fitting Autocad
  • Thread Starter
#36  
And one showing the tube sleve bore: /forums/images/graemlins/smirk.gif
 

Attachments

  • 615420-BanjoLathe22.JPG
    615420-BanjoLathe22.JPG
    73 KB · Views: 194
   / SAE-8 Banjo Fitting Autocad
  • Thread Starter
#37  
And one last shot with the bolt through it.

Lathe work is a lot of fun, but it takes patience and planning. And it would sure help to have sine and cosine calibrations in your right and left hands for those spherical profiles! /forums/images/graemlins/smirk.gif
 

Attachments

  • 615421-BanjoLathe19.JPG
    615421-BanjoLathe19.JPG
    73.3 KB · Views: 188
   / SAE-8 Banjo Fitting Autocad #38  
Tom,

Thanks for taking the time to post all the photos of your work!

Really enjoyed the thread. Always wanted a metal lathe...hasn't happened yet... /forums/images/graemlins/frown.gif

Great job! /forums/images/graemlins/cool.gif
 
   / SAE-8 Banjo Fitting Autocad #39  
Tom,
Looks like your in business, looks good. Let us see the completed project when you get it all plumbed.
 
   / SAE-8 Banjo Fitting Autocad #40  
Nice job on the profiling.

Several years ago I made a mainfold similiar to what you did. I did not do any profiling as I was charging by the hour and the guy didn't want to spend all that much.
 

Tractor & Equipment Auctions

2006 Hyundai HL740-7 Articulated Wheel Loader (A56857)
2006 Hyundai...
2017 Chevrolet Ambulance (A55973)
2017 Chevrolet...
2022 Ram 2500 4x4 Crew Cab Service Truck (A55852)
2022 Ram 2500 4x4...
1994 International 3800 Bus (A54814)
1994 International...
2010 GMC Seirra 1500 4x4 Crew Cab Pickup Truck (A55973)
2010 GMC Seirra...
UNUSED FUTURE HYD HEDGE TRIMMER (A52706)
UNUSED FUTURE HYD...
 
Top