No loader power

/ No loader power #1  

smoothED

New member
Joined
Dec 27, 2009
Messages
10
Location
near Lanton, Missouri
Tractor
New Holland TN75D
I,m trying to help a friend with his tractor he just bought. It's a 74 john deere 2630 with a 145 loader. He had the lift cylinders rebuilt ,we changed a few leaky hoses ,and new filters. I helped him put it all together yesterday and the loader and 3 point work up and down beautiful and quick, but it doesn't have any power at all to say, lift the front end off the ground. I can do some mechanical work but but aint no expert. I think there's a relief valve that might be stuck open. Also the hydraulics don't bleed down at all. Anyone have any idea's?
 
/ No loader power #2  
I,m trying to help a friend with his tractor he just bought. It's a 74 john deere 2630 with a 145 loader. He had the lift cylinders rebuilt ,we changed a few leaky hoses ,and new filters. I helped him put it all together yesterday and the loader and 3 point work up and down beautiful and quick, but it doesn't have any power at all to say, lift the front end off the ground. I can do some mechanical work but but aint no expert. I think there's a relief valve that might be stuck open. Also the hydraulics don't bleed down at all. Anyone have any idea's?

Any time someone removes hoses on a loader valve and then has problems, 99% of the time hoses are in the wrong place.

How many hoses on the loader valve, 6 or 7?

You also need a pressure gauge to evaluate the pump's condition and any relief valve setting. About $30 at local hydraulic's places.

DCjr8Bp.jpg


Don't start talking valves apart as you will only make things worse.

Post some photos of loader valve and overall tractor.

Dave M7040
 
/ No loader power #3  
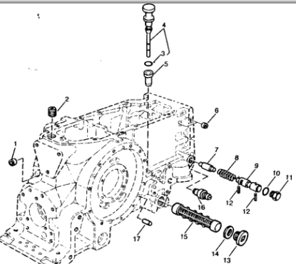
I agree with Dave that hyd stand-by pressure needs to be checked. Next thing to do is change hyd filter & check/clean sump screen(key 15). Factory hyd pressure is 2250 but it can be safely bumped up to 2350 psi. Technically 2630 doesn't require a true relief valve similar to open-center hyd's because stroke control valve in frt hyd pump controls pressure. If FEL is controlled by an ind control valve that has a relief valve this valve needs to be closed down completely or set not to open before 2400 psi. There is a priority valve down by hyd filter that gives priority oil pressure to power steering if stand-by pressure drops below 1700-1750 psi.
 

Attachments

  • Capture.PNG
    Capture.PNG
    56.8 KB · Views: 206
/ No loader power #4  
Are you using the rear SCV couplers for the loader? Or does the loader have an independent valve? If an independent valve it will have only 6 hoses, feed and return and four to loader cylinders.
Feed needs to connect rear of priority valve. Return to trans filter cover.
If you have 7 hoses, you have an open center valve which is wrong for 2630, it's closed center hydraulics
 
/ No loader power
  • Thread Starter
#5  
I haven't been back over there but I will in a day or two and bring a copy of your answers. Thank-you
 

Marketplace Items

2014 BOBCAT T870 SKID STEER (A65056)
2014 BOBCAT T870...
2021 Jeep Gladiator 4x4 Crew Cab Pickup Truck (A66736)
2021 Jeep...
2006 Heil DOT 407 Aluminum 9,000 Gallon Ethanol T/A Tanker Trailer (A68183)
2006 Heil DOT 407...
2015 PETERBILT 320 6X4 T/A CNG GARBAGE TRUCK (A66091)
2015 PETERBILT 320...
500 BBL FRAC TANK (A67714)
500 BBL FRAC TANK...
2014 MAGNUM TRAILER (A68842)
2014 MAGNUM...
 
Top